电脑桌面
添加小米粒文库到电脑桌面
安装后可以在桌面快捷访问

2016设备设施年保养计划

2016设备设施年保养计划_第1页
1/10
2016设备设施年保养计划_第2页
2/10
2016设备设施年保养计划_第3页
3/10
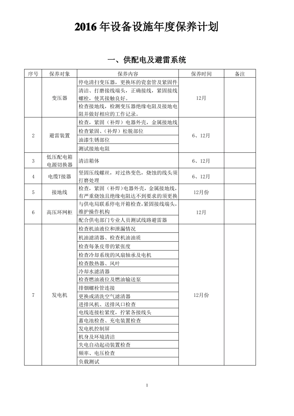
2016 年设备设施年度保养计划一、供配电及避雷系统序号保养对象保养内容停电清扫变压器,更换坏的瓷套管及紧固件变压器清洁、打磨接线端头,正确接线,紧固接线螺栓,使其接触良好。检查接地线,检测变压器绝缘电阻及接地电阻并做好相应的工作记录。检查,紧固(补焊)电器外壳,金属接地线2避雷装置检查紧固、(补焊)松脱部位油漆生锈部位测试接地电阻345低压配电箱清洁箱体电源切换器电缆T接器接地线坚固压线螺丝,对过热变色,烧蚀的线头须打磨处理检查,紧固(补焊)电器外壳,金属接地线,有严重烧蚀且绝缘电阻达不到要求的须更换6、12月6、12月12月份12月6、12月12月保养时间备注6与供电局联系停电开箱检查,紧固接线端头,高压环网柜维护操作机构配合供电部门专业人员测试线路避雷器检查机油液位和泄漏情况机油滤清器、检查机油油质检查每条皮带的紧张度检查冷却系统的风扇轴承及电机检查散热器、风叶冷却水滤清器检查燃油液位及燃油输送泵排烟螺栓管连接7发电机更换或清洗空气滤清器进排风机、送排风口检查电线连接松紧度,拧紧各接线头蓄电池检查、充电装置检查发电机控制屏机身及环境清洁失电自动起动装置检查频率、电压检查负载测试12月份1二、避雷系统序号保养对象保养内容保养时间4、9 月备注1、涂刷一次保护漆。避雷网2、雷雨季节前夕测试一次不同标高位置的避雷带接地电(接地网)阻,同时测量建筑物引下线端接地网的接地电阻,电阻值过大时,必须检查引出线与接地网|的连接情况。避雷带接地线1、保证各支撑杆间距一致,安装牢固。2、焊结牢固,无虚焊,焊花整齐。1、高压环网柜、变压器、低压配电柜、发电机组、空调主机等大型设备必须有两条接地线与避雷网相连。2、检查接地线与设备焊结是否牢固,有无虚焊、脱焊现象,焊花是否整齐。3、检查接地线与设备镙栓连接是否紧固,有无锈蚀、松脱现象。1、检查避雷带 T 接是否良好,焊结是否牢固。2、检查各固定座安装是否稳固,有无松脱现象。3.检查隐蔽部位是否有裸露现象。1234、9 月4、9 月4引下线4、9 月2三、给排水设备设施系统序号1电动机2水泵机组保养对象保养内容更换有异响、有阻滞的轴承修整有碰壳现象的风叶清洁外壳给轴承加注润滑油更换有卡住、碰撞现象的叶轮对漏水成线压盘根处加压盘根清洁外表3控制柜清洁控制柜内所有元器件紧固所有接线头,更换烧蚀严重的接头补上脱落的号码管手动、自动试验各一次,检测效果4清除灭弧罩内炭化物、金属颗粒清除触头表面及四...

1、当您付费下载文档后,您只拥有了使用权限,并不意味着购买了版权,文档只能用于自身使用,不得用于其他商业用途(如 [转卖]进行直接盈利或[编辑后售卖]进行间接盈利)。
2、本站所有内容均由合作方或网友上传,本站不对文档的完整性、权威性及其观点立场正确性做任何保证或承诺!文档内容仅供研究参考,付费前请自行鉴别。
3、如文档内容存在违规,或者侵犯商业秘密、侵犯著作权等,请点击“违规举报”。

碎片内容

2016设备设施年保养计划

您可能关注的文档

确认删除?
VIP
微信客服
  • 扫码咨询
会员Q群
  • 会员专属群点击这里加入QQ群
客服邮箱
回到顶部