电脑桌面
添加小米粒文库到电脑桌面
安装后可以在桌面快捷访问

2097消火栓系统施工方案

2097消火栓系统施工方案_第1页
1/8
2097消火栓系统施工方案_第2页
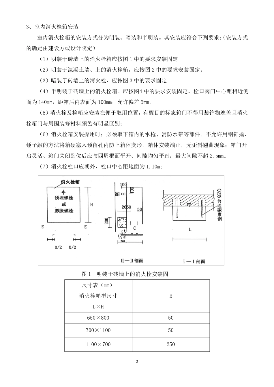
2/8
2097消火栓系统施工方案_第3页
3/8
消火栓系统施工方案安装工艺及安装工艺流程图:1、材料、设备进场时必须报监理检验合格后方可使用。消防管道安装的主要工序为:放线→预制管道→栽装吊支架→管道安装→试压→冲洗。消防管道安装时,管道应根据图纸对预留孔洞进行吊线修理。按规定及图纸要求,测定各水平管道的支吊架的位置、标高,并按坡度的要求进行吊架的制作与安装。管道采用镀锌钢管,管径大于等于 100mm 为沟槽连接,特殊部位可根据设计要求施工。管径小于 100mm 时丝扣连接。丝扣连接时,螺纹清洁、规整,断丝或缺丝不得大于全扣数的 10%,连接牢固,外露螺纹 2-3 扣,严禁绝扣,丝扣外刷防锈漆。安装前,应先制作样板管样,经监理验收合格,方可按此样配套安装。2、室内消火栓给水管网的施工室内消火栓给水管道系统的管网包括进户管、主干管、竖管、支管以及系统与设备、设施的连接管道。消防管道应用镀锌钢管;且钢管管径小于 100mm 时,应采用螺纹连接;大于等于 10Omm 时采用管卡或法兰(镀锌)连接。配管顺序一般从进户管装起由主管到支管。套管长度不得小于墙体厚或应高出楼面或地面 50mm。并且在管道安装时;管道与管道的接口不得设置在套管内;免得在管道试压时若接口处出现渗漏而造成维修不便的麻烦。管道与套管之间的间隙应用不燃材料填塞。竖管的安装应铅垂每米允许偏差不得超过 2mm。竖管的固定支架应设置在距地面 1.5m-1.8m 高处;但层高在 4m 以下时每层可只设置一个支架。管道上安装的控制阀门采用闸阀(依设计规定)。闸阀宜采用明杆闸阀,安装时应使其手柄便于操用不妨碍使用。闸间体上标明的公称直径和公称压力数据在安装时注意将其对在人的视线观察范围内;不能隐蔽;便于以后的维护。阀门连接一般采用法兰连接;若管道采用的是螺纹连接;则阀门安装应安配螺纹法兰盘。管道在安装后应用清水进行冲洗和试压;并做好试压冲洗记录。管道表面要做防腐处理。- 1 -3、室内消火栓箱安装室内消火栓箱的安装方式分为明装、暗装和半明装。其安装应符合下列要求:(安装方式的确定由建设方或设计院定)(1)明装于砖墙上的消火栓箱应按图 1 中的要求安装固定(2)明装于混凝土墙、上的消火栓箱,应按图 2 中的要求安装固定。(3)暗装于砖墙上的消火栓,应按图 3 中的要求固定(4)半明装于砖墙上的消火栓箱。应按图4 中的要求安装固定。栓口阀门中心距相近侧面为 140mm,距箱后内表面为 100mm,允许偏差 5mm。(5)消火栓及检箱应安...

1、当您付费下载文档后,您只拥有了使用权限,并不意味着购买了版权,文档只能用于自身使用,不得用于其他商业用途(如 [转卖]进行直接盈利或[编辑后售卖]进行间接盈利)。
2、本站所有内容均由合作方或网友上传,本站不对文档的完整性、权威性及其观点立场正确性做任何保证或承诺!文档内容仅供研究参考,付费前请自行鉴别。
3、如文档内容存在违规,或者侵犯商业秘密、侵犯著作权等,请点击“违规举报”。

碎片内容

2097消火栓系统施工方案

确认删除?
VIP
微信客服
  • 扫码咨询
会员Q群
  • 会员专属群点击这里加入QQ群
客服邮箱
回到顶部