电脑桌面
添加小米粒文库到电脑桌面
安装后可以在桌面快捷访问

ao工艺设计计算

ao工艺设计计算_第1页
1/7
ao工艺设计计算_第2页
2/7
ao工艺设计计算_第3页
3/7
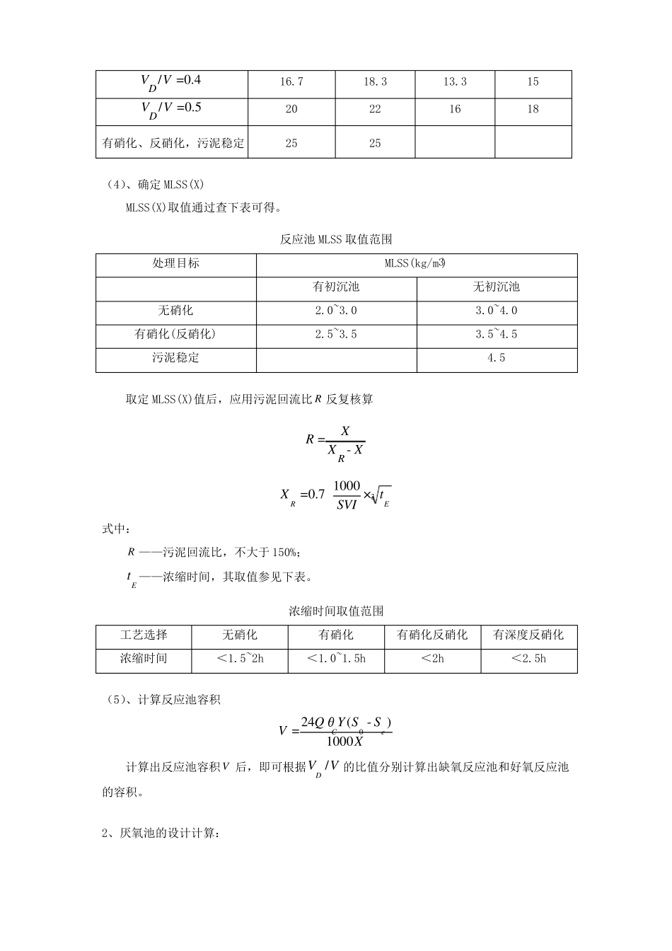
1、缺氧池、好氧池(曝气池)的设计计算:(1)、设计水量的计算由于硝化和反硝化的污泥龄和水力停留时间都较长,设计水量应按照最高日流量计算。Q =K Q式中:Q ——设计水量,m3/d;Q ——日平均水量,m3/d;K ——变化系数;(2)、确定设计污泥龄θC需反硝化的硝态氮浓度为NO =N - 0.05(S0 - Se) - Ne式中:N ——进水总氮浓度,mg/L;S0 ——进水 BOD 值【1】,mg/L;Se ——出水 BOD 值,mg/L;Ne ——出水总氮浓度,mg/L;反硝化速率计算Kde =NOS0计算出 Kde 值后查下表选取相应的VD/V 值,再查下表取得θC 值。反硝化设计参数表(T=10~12℃)反硝化工艺设缺氧区的反硝化间歇或同步反硝化VD /V (θcd /θC )0.200.300.400.50(3)、计算污泥产率系数 Y【2】Kde(kgNO3 / kgBOD)0.110.130.140.150.060.090.120.15X00.102θC •1.072 (T -15)Y =K[0.75 +0.6-](T -15)S01+0.17θC •1.072式中:Y ——污泥产率系数,kgSS/kgBOD;K ——修正系数,取K =0.9;X 0——进水 SS 值 mg/L;T ——设计水温,与污泥龄计算取相同数值。然后按下式进行污泥负荷核算:LS =式中:S0θC •Y(S0 - Se)LS ——污泥负荷,我国规范推荐取值范围为 0.2~0.4kgBOD/(kgMLSS• d)。活性污泥工艺的最小污泥龄和建议污泥龄表(T=10℃) 单位:d污水处理厂规模处理目标BOD≤1200kg/d最小泥龄有硝化无硝化有硝化反硝化51012.514.3建议泥龄61113.815.7BOD≥6000kg/d最小泥龄481011.4建议泥龄5911.312.9【3】VD /V =0.2VD/V =0.3VD/V =0.416.7202518.3222513.3161518VD/V =0.5有硝化、反硝化,污泥稳定(4)、确定 MLSS(X)MLSS(X)取值通过查下表可得。反应池 MLSS 取值范围处理目标无硝化有硝化(反硝化)污泥稳定有初沉池2.0~3.02.5~3.5MLSS(kg/m )无初沉池3.0~4.03.5~4.54.53取定 MLSS(X)值后,应用污泥回流比 R 反复核算R =XX R- XXR =0.7式中:10003× tESVIR ——污泥回流比,不大于 150%;tE ——浓缩时间,其取值参见下表。浓缩时间取值范围工艺选择浓缩时间无硝化<1.5~2h有硝化<1.0~1.5h有硝化反硝化<2h有深度反硝化<2.5h(5)、计算反应池容积V =24QθCY(S0 - Se)1000X计算出反应池容积V 后,即可根据VD /V 的比值分别计算出缺氧反应池和好氧反应池的容积。2、厌氧池的设计计算:厌氧反应池的容积计算VA =0.75Q(1+R) +0.15VD式中:V A——厌氧反应池容积,m3。3、曝气量的计算...

1、当您付费下载文档后,您只拥有了使用权限,并不意味着购买了版权,文档只能用于自身使用,不得用于其他商业用途(如 [转卖]进行直接盈利或[编辑后售卖]进行间接盈利)。
2、本站所有内容均由合作方或网友上传,本站不对文档的完整性、权威性及其观点立场正确性做任何保证或承诺!文档内容仅供研究参考,付费前请自行鉴别。
3、如文档内容存在违规,或者侵犯商业秘密、侵犯著作权等,请点击“违规举报”。

碎片内容

ao工艺设计计算

文库当当响+ 关注
实名认证
内容提供者

该用户很懒,什么也没介绍

确认删除?
VIP
微信客服
  • 扫码咨询
会员Q群
  • 会员专属群点击这里加入QQ群
客服邮箱
回到顶部