电脑桌面
添加小米粒文库到电脑桌面
安装后可以在桌面快捷访问

DLT641997通讯规约通信规约

DLT641997通讯规约通信规约_第1页
1/35
DLT641997通讯规约通信规约_第2页
2/35
DLT641997通讯规约通信规约_第3页
3/35
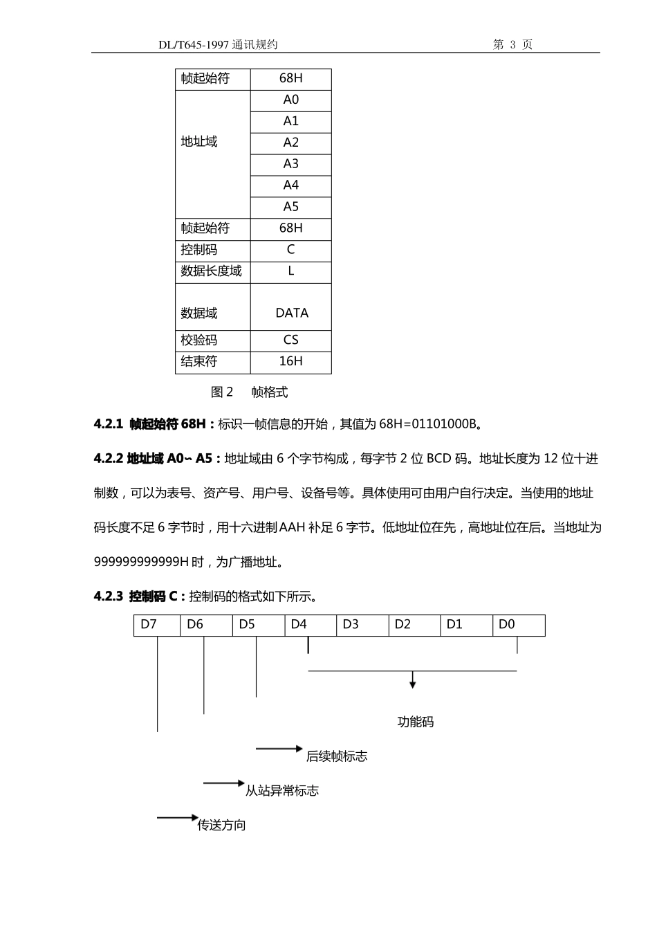
DL/T645-1997 通讯规约第 1 页DL/T645-1997 通讯规约通信规约1、 范围该通信规约适用于本地系统中多功能表的费率装置与手持单元(HHU)或其它数据终端设备进行点对点的或一主多从的数据交换方式,规定了它们之间的物理连接、通信链路及应用技术规范。2 、引用标准3 、RS-485 标准串行电气接口本协议采用 RS-485 标准串行电气接口,使用点连接成为可能.RS-485 接口的一般性能应符合下列要求.3.1 驱动与接收端、耐静电(ESD)±15kV(人体模式)。3.2 共模输入电压:-7V~+12V。3.3 差模输入电压:大于 0.2VGB/T3454-1994数据通信基本型控制规程GB/T9387-1995信息处理系统开放系统互连基本参考模型DL/T614-1997多功能电能表IEC1107-1996IEC1142--1993读表、费率和负荷控制的数据交换---直接本地数据交换读表、费率和负荷控制的数据交换---本地总线数据交换ITU-TV。24—1993 非平衡双流接口电路的点特性ITU-TV。28—1993 数据终端设备(DTE)和数据电路终接设备(DCE)之间的接口电路定义表DL/T645-1997 通讯规约第 2 页3.4 驱动输出电压:在负载阻抗 54 欧姆时,最大 5V,最小 1.5V3.5 三态方式输出3.6 半双工通信方式。3.7 驱动能力不小于 32 个同类接口。3.8 在传输速率不大于 100kbps 条件下,有效传输不小于 1200m3.9 总线是无源的,由费率装置或数据终端、提供隔离电源。4.1 字节格式每字节含 8 位二进制码,传输时加上一个起始位(0)、一个偶校验位和一个停止位(1)共 11 位。其传输序列如图 1。D0 是字节的最低有效位,D7 是字节的最高有效位。先传低位,后传高位。0传送方向起始位8 位数据偶校验位停止位图 1字节传输序列D0D1D2D3D4D5D6D7P14.2 帧格式帧是传送信息的基本单元。帧格式如图 2 所示。说明代码DL/T645-1997 通讯规约第 3 页帧起始符地址域68HA0A1A2A3A4A5帧起始符控制码数据长度域数据域校验码结束符68HCLDATACS16H图 2帧格式4.2.1 帧起始符 68H:标识一帧信息的开始,其值为 68H=01101000B。4.2.2 地址域 A0∽ A5:地址域由 6 个字节构成,每字节 2 位 BCD 码。地址长度为 12 位十进制数,可以为表号、资产号、用户号、设备号等。具体使用可由用户自行决定。当使用的地址码长度不足 6 字节时,用十六进制AAH 补足 6 字节。低地址位在先,高地址位在后。当地址为999999999999H 时,为广播地址。4.2.3 控制码 C:控制码的格式如下所示。D7功能码后续帧标志...

1、当您付费下载文档后,您只拥有了使用权限,并不意味着购买了版权,文档只能用于自身使用,不得用于其他商业用途(如 [转卖]进行直接盈利或[编辑后售卖]进行间接盈利)。
2、本站所有内容均由合作方或网友上传,本站不对文档的完整性、权威性及其观点立场正确性做任何保证或承诺!文档内容仅供研究参考,付费前请自行鉴别。
3、如文档内容存在违规,或者侵犯商业秘密、侵犯著作权等,请点击“违规举报”。

碎片内容

DLT641997通讯规约通信规约

爱的疯狂+ 关注
实名认证
内容提供者

该用户很懒,什么也没介绍

确认删除?
VIP
微信客服
  • 扫码咨询
会员Q群
  • 会员专属群点击这里加入QQ群
客服邮箱
回到顶部