电脑桌面
添加小米粒文库到电脑桌面
安装后可以在桌面快捷访问

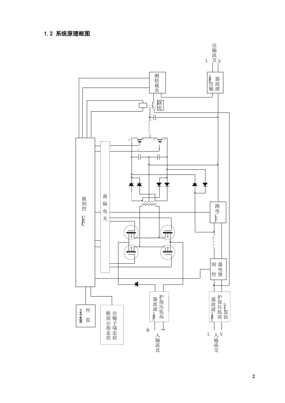
HD电力专用UPS电源1KVA-3KVA技术说明书

HD电力专用UPS电源1KVA-3KVA技术说明书_第1页
1/21
HD电力专用UPS电源1KVA-3KVA技术说明书_第2页
2/21
HD电力专用UPS电源1KVA-3KVA技术说明书_第3页
3/21
电力专用 UPS 电源1KVA-3KVA技术手册南京恒达奥克科技有限责任公司2010 年 1 月一、简介1.1 系统概述本公司生产的 HD 系列电力专用 UPS 是一种采用国际上先进、成熟的进口机芯组合生产的电力专用在线式正弦波不间断供电系统。它具有体积小、重量轻、效率高、运行可靠(平均无故障间隔时间不小于 10 万小时)的特点,可以为您的精密设备提供可靠、优质的交流电源,其适用范围广泛,从电脑设备、通信系统、电力自动化控制设备到无人值守的变电站都可以使用。由于它的交直流在线零切换输出设计,无论是市电异常,还是市电正常,设备都是经过逆变向负载供电,它的输出始终是稳频、稳压的 220V 的纯正弦波交流电压,真正实现了不间断工作。同时由于拥有单片机的完善检测和保护功能,以及采用先进的逐一脉冲过流检测的逆变技术,使整机具有抗干扰能力强、稳频稳压精度高、失真度小、效率高、具有强大的通讯远程管理功能,是电力专用 UPS 更新换代的首选产品。采用高性能的 DSP 微处理器对 UPS 的运行工作进行实时闭环控制,直接参与控制内部的各重要参数,使得 UPS 始终处于最佳的工作状态,大大提高了 UPS 整机的各项性能。现有的全数字化 UPS能实时跟踪并修正输出纯正的正弦波,使交流输出中的直流分量等于零。这是传统的数模组合的 UPS所难以达到的。由于采用了高性能的微处理器对 UPS 的运行工作进行实时闭环控制,使得所有的初始脉冲采用了缓启动,并且提高了UPS 内部正负电源精度±0.5%,降低了总线电压,进一步减小了器件工作时的应力,大大延长了整机寿命。HD 系列 UPS 提供多种检测方式,包括一个 RS232,一个可选择的 Netmate 网络适配器,它是UPS 与网络沟通的桥梁。内建完善的 TCP/IP 网络功能模块,支持 SNMP、HTTP、Telnet、TCP、UDP、ARP、ICMP、DNS、SMTP、DHTP、TFTP 等网络协议。可配合 SNMP、Telnet、Web 浏览器以及 PowerManager 进行智能 UPS 等设备网络监控管理,特别建立强大的 Web Server 管理功能模块,使用户可以在任何操作系统平台上通过 Web 浏览器方便的进行 UPS 实时状态查询、基本信息管理、远程操作控制 UPS、各项参数设置、计划管理、用户管理、历史资料查询、可操纵远程 UPS 进行即时或定时的自检、开关机、睡眠等运行维护工作,从而使得远程的、大量的 UPS 的维护管理变得更为方便轻松和安全,并能及时发现和预防UPS 可能出现的故障等全面完善的监控管理...

1、当您付费下载文档后,您只拥有了使用权限,并不意味着购买了版权,文档只能用于自身使用,不得用于其他商业用途(如 [转卖]进行直接盈利或[编辑后售卖]进行间接盈利)。
2、本站所有内容均由合作方或网友上传,本站不对文档的完整性、权威性及其观点立场正确性做任何保证或承诺!文档内容仅供研究参考,付费前请自行鉴别。
3、如文档内容存在违规,或者侵犯商业秘密、侵犯著作权等,请点击“违规举报”。

碎片内容

HD电力专用UPS电源1KVA-3KVA技术说明书

您可能关注的文档

文库当当响+ 关注
实名认证
内容提供者

该用户很懒,什么也没介绍

确认删除?
VIP
微信客服
  • 扫码咨询
会员Q群
  • 会员专属群点击这里加入QQ群
客服邮箱
回到顶部