电脑桌面
添加小米粒文库到电脑桌面
安装后可以在桌面快捷访问

避雷接地电阻测试记录

避雷接地电阻测试记录_第1页
1/11
避雷接地电阻测试记录_第2页
2/11
避雷接地电阻测试记录_第3页
3/11
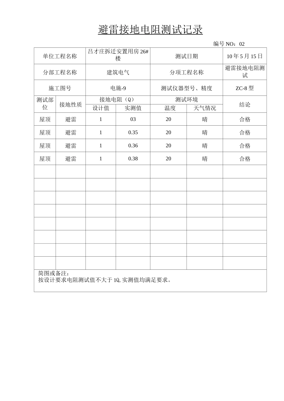
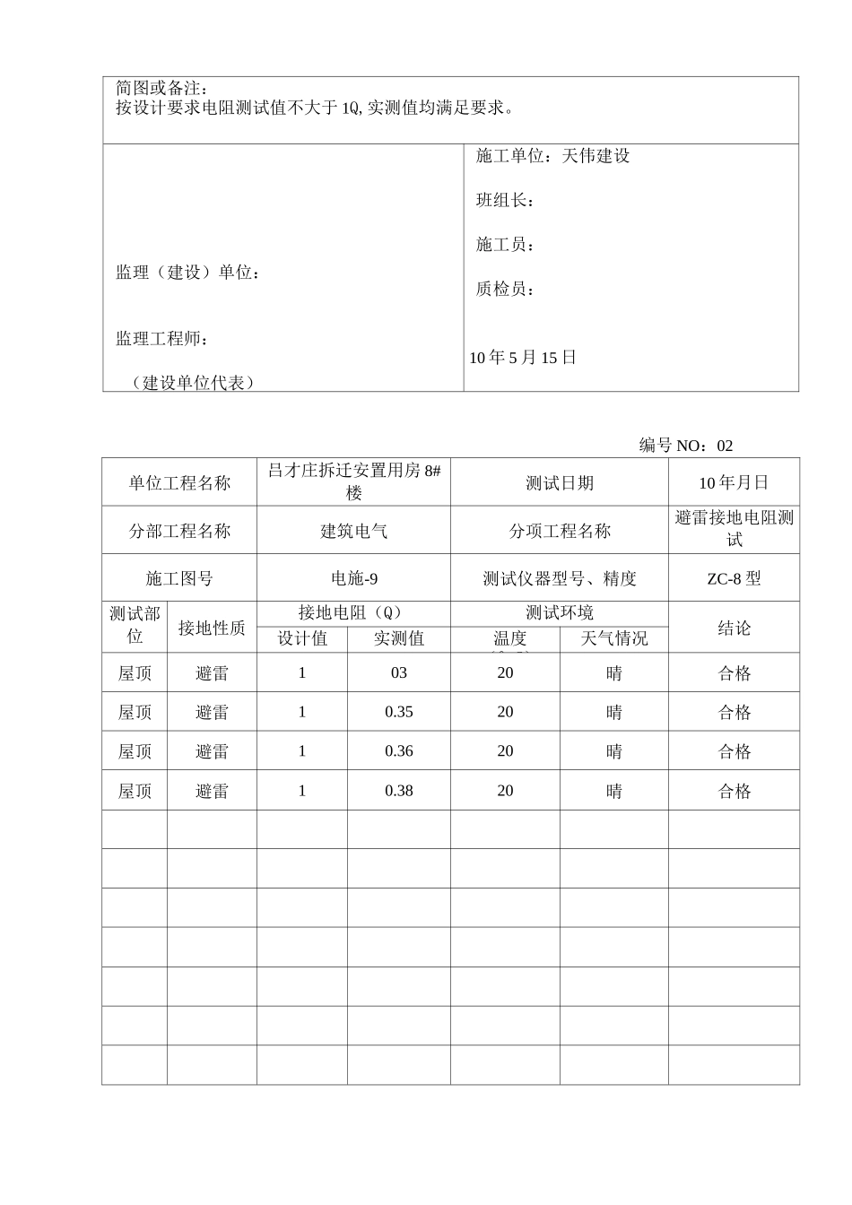
避雷接地电阻测试记录编号 NO:02单位工程名称吕才庄拆迁安置用房 26#楼测试日期10 年 5 月 15 日分部工程名称建筑电气分项工程名称避雷接地电阻测试施工图号电施-9测试仪器型号、精度ZC-8 型测试部位接地性质接地电阻(Q)测试环境结论设计值实测值温度(°C)天气情况屋顶避雷10320晴合格屋顶避雷10.3520晴合格屋顶避雷10.3620晴合格屋顶避雷10.3820晴合格简图或备注:按设计要求电阻测试值不大于 1Q,实测值均满足要求。监理(建设)单位:施工单位:天伟建设简图或备注:按设计要求电阻测试值不大于 1Q,实测值均满足要求。监理(建设)单位:监理工程师:(建设单位代表)施工单位:天伟建设班组长:施工员:质检员:10 年 5 月 15 日编号 NO:02单位工程名称吕才庄拆迁安置用房 8#楼测试日期10 年月日分部工程名称建筑电气分项工程名称避雷接地电阻测试施工图号电施-9测试仪器型号、精度ZC-8 型测试部位接地性质接地电阻(Q)测试环境结论设计值实测值温度(°C)天气情况屋顶避雷10320晴合格屋顶避雷10.3520晴合格屋顶避雷10.3620晴合格屋顶避雷10.3820晴合格简图或备注:按设计要求电阻测试值不大于 1Q,实测值均满足要求。监理(建设)单位:监理工程师:(建设单位代表)施工单位:天伟建设班组长:施工员:质检员:10 年月日编号 NO:02单位工程名称吕才庄拆迁安置用房 7#楼测试日期10 年月日分部工程名称建筑电气分项工程名称避雷接地电阻测试施工图号电施-9测试仪器型号、精度ZC-8 型测试部位接地性质接地电阻(Q)测试环境结论设计值实测值温度(°C)天气情况屋顶避雷10320晴合格屋顶避雷10.3520晴合格屋顶避雷10.3620晴合格屋顶避雷10.3820晴合格简图或备注:按设计要求电阻测试值不大于 1Q,实测值均满足要求。监理(建设)单位:监理工程师:(建设单位代表)、"丘、•鑫1日施工单位:天伟建设班组长:施工员:质检员:10 年月日避雷接地电 宜测试记录编号 NO:02单位工程名称吕才庄拆迁安置用房 25#楼测试日期10 年月日分部工程名称建筑电气分项工程名称避雷接地电阻测试施工图号电施-9测试仪器型号、精度ZC-8 型测试部位接地性质接地电阻(Q)测试环境结论设计值实测值温度(°C)天气情况屋顶避雷10320晴合格屋顶避雷10.3520晴合格屋顶避雷10.3620晴合格屋顶避雷10.3820晴合格简图或备注:按设计要求电阻测试值不大于 1Q,实测值均满足要求。监理(建设)单位:监理工程师:(建设单位代表)施工...

1、当您付费下载文档后,您只拥有了使用权限,并不意味着购买了版权,文档只能用于自身使用,不得用于其他商业用途(如 [转卖]进行直接盈利或[编辑后售卖]进行间接盈利)。
2、本站所有内容均由合作方或网友上传,本站不对文档的完整性、权威性及其观点立场正确性做任何保证或承诺!文档内容仅供研究参考,付费前请自行鉴别。
3、如文档内容存在违规,或者侵犯商业秘密、侵犯著作权等,请点击“违规举报”。

碎片内容

避雷接地电阻测试记录

wxg+ 关注
实名认证
内容提供者

该用户很懒,什么也没介绍

确认删除?
VIP
微信客服
  • 扫码咨询
会员Q群
  • 会员专属群点击这里加入QQ群
客服邮箱
回到顶部