电脑桌面
添加小米粒文库到电脑桌面
安装后可以在桌面快捷访问

乳化液泵的日常检修及大修标准

乳化液泵的日常检修及大修标准_第1页
1/25
乳化液泵的日常检修及大修标准_第2页
2/25
乳化液泵的日常检修及大修标准_第3页
3/25
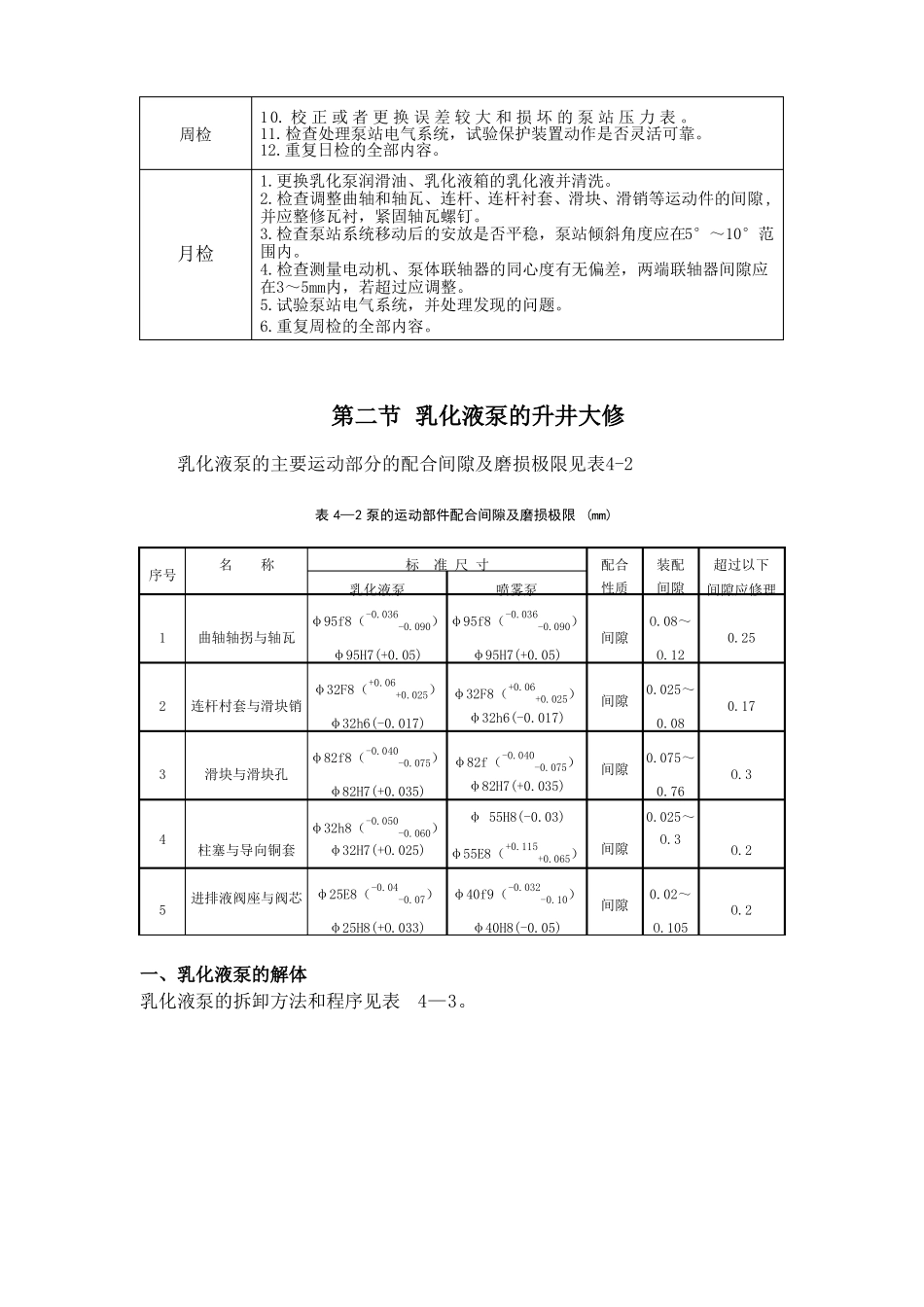
乳化泵的维护与检修目录第一章乳化泵日常检修 ................................................................... 2第二章乳化泵升井大修 ....................................................................4第一节乳化液泵解体.................................................................................................4第二节主要零部件的拆装、检查和调整.................................................................6第三节主要液压元件的拆装、检查和调.................................................................8第四节主要零部件修复............................................................................................10第五节主要元件的修复............................................................................................16第三章乳化泵检修后的实验.............................................................15第一节实验要求........................................................................................................22第二节实验系统........................................................................................................22第三节实验前的准备................................................................................................22第四节实验目的及实验方法....................................................................................23第五节实验后的防锈处理........................................................................................24第四章 乳化泵常见故障及其处理办法……........................................23乳化液泵的维护与检修第一节 乳化液泵的日常检修乳化液泵站日常检修主要在班检、日检、周检和月检中进行 ,其维护要点与要求见表 4-1.表 4-1 乳化液泵的维护要点与要求维护类别维护要点与要求1.开泵前,检查柱塞与滑块连接处的锁紧螺母是否松动, 如有松动及时拧紧。2.检查泵站的各部位螺栓及连接件 ,特别是泵头吸液侧和排液侧的螺堵不得松动。3.检查各部位管路及接头是否渗漏.发现渗漏及时处理。4.检查传动箱及润滑油池的油量,传动箱加N68机械油,油位在泵运行时不应低于油标玻璃的红线但应在绿线之下。润滑油池加N46机械油,油量及...

1、当您付费下载文档后,您只拥有了使用权限,并不意味着购买了版权,文档只能用于自身使用,不得用于其他商业用途(如 [转卖]进行直接盈利或[编辑后售卖]进行间接盈利)。
2、本站所有内容均由合作方或网友上传,本站不对文档的完整性、权威性及其观点立场正确性做任何保证或承诺!文档内容仅供研究参考,付费前请自行鉴别。
3、如文档内容存在违规,或者侵犯商业秘密、侵犯著作权等,请点击“违规举报”。

碎片内容

乳化液泵的日常检修及大修标准

确认删除?
VIP
微信客服
  • 扫码咨询
会员Q群
  • 会员专属群点击这里加入QQ群
客服邮箱
回到顶部