电脑桌面
添加小米粒文库到电脑桌面
安装后可以在桌面快捷访问

2024-2024届二级建造师《公路工程管理与实务》检测题B卷(附解析)

2024-2024届二级建造师《公路工程管理与实务》检测题B卷(附解析)_第1页
1/29
2024-2024届二级建造师《公路工程管理与实务》检测题B卷(附解析)_第2页
2/29
2024-2024届二级建造师《公路工程管理与实务》检测题B卷(附解析)_第3页
3/29
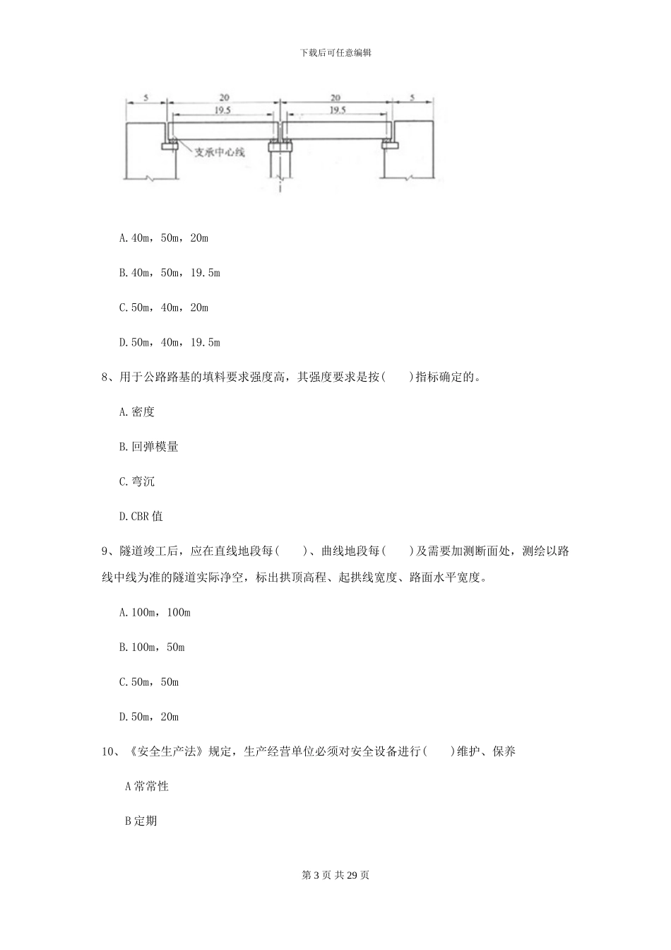
第 1 页 共 29 页下载后可任意编辑标题标题标题标题标题标题标题标题标题标题考试须知:1、考试时间:180 分钟,满分为 120 分。 2、请首先按要求在试卷的指定位置填写您的姓名、准考证号和所在单位的名称。 3、请认真阅读各种题目的回答要求,在规定的位置填写您的答案。 4、不要在试卷上乱写乱画,不要在标封区填写无关的内容。 姓名:_________ 考号:_________ 一、单选题(共 70 题,每题 1 分。选项中,只有 1 个符合题意)1、全断面开挖法一般适用于( )的石质隧道施工。A.Ⅲ、Ⅳ围岩B.Ⅳ、Ⅴ围岩C.Ⅴ、Ⅵ围岩D.Ⅶ、Ⅷ围岩2、某四级公路路面面层采纳水泥混凝土,路基填料为黏性土,路基压实度标准应采纳 ( )公路的规定值。A.一级B.二级C.三级D.四级第 2 页 共 29 页下载后可任意编辑3、无机结合料基层路拌法施工中关于缝的处理,下列叙述错误的是( )A.同日施工的两工作段衔接处应采纳搭接B.应该避开纵向接缝C.纵缝必须垂直相接D.纵缝可以垂直相接也可以斜接4、关于钢筋混凝土结构造裂缝防治的说法,错误的是( )A、增加混凝土搅拌时间B、选择安定性好的水泥C、大体积混凝土中采纳粉煤灰水泥D、混凝土中适当掺加缓凝剂5、在机械化土石方开挖时,需要的工种不包括( )A.挖沟机操作人员B.卡车司机C.爆破工和普工D.焊工6、国家财政拨款投资公路建设和灾区、贫田地区的赈灾工作结合起来的投资方式是( )A.救济B.国家投资C.国家担保出资D.以工代赈7、某预应力混凝土简支梁桥,总体立面布置如下图所示(尺寸单位:m),则该桥的全长、多跨径总长和计算跨径分别是( )第 3 页 共 29 页下载后可任意编辑A.40m,50m,20mB.40m,50m,19.5mC.50m,40m,20mD.50m,40m,19.5m8、用于公路路基的填料要求强度高,其强度要求是按( )指标确定的。A.密度B.回弹模量C.弯沉D.CBR 值9、隧道竣工后,应在直线地段每( )、曲线地段每( )及需要加测断面处,测绘以路线中线为准的隧道实际净空,标出拱顶高程、起拱线宽度、路面水平宽度。A.100m,100mB.100m,50mC.50m,50mD.50m,20m10、《安全生产法》规定,生产经营单位必须对安全设备进行( )维护、保养A 常常性B 定期第 4 页 共 29 页下载后可任意编辑C 阶段性D 年度11、针对危险性较大的工程编制的专项施工方案必须由( )进行现场监督实施。A.技术负责人B.班组负责人C.监理工程师D.专职安全生产管理人员12、配电箱、开关箱的导线进口和出口应设在箱体的( )A.下底面B...

1、当您付费下载文档后,您只拥有了使用权限,并不意味着购买了版权,文档只能用于自身使用,不得用于其他商业用途(如 [转卖]进行直接盈利或[编辑后售卖]进行间接盈利)。
2、本站所有内容均由合作方或网友上传,本站不对文档的完整性、权威性及其观点立场正确性做任何保证或承诺!文档内容仅供研究参考,付费前请自行鉴别。
3、如文档内容存在违规,或者侵犯商业秘密、侵犯著作权等,请点击“违规举报”。

碎片内容

2024-2024届二级建造师《公路工程管理与实务》检测题B卷(附解析)

元素商铺+ 关注
实名认证
内容提供者

欢迎挑选合适的文档

相关文档

确认删除?
VIP
微信客服
  • 扫码咨询
会员Q群
  • 会员专属群点击这里加入QQ群
客服邮箱
回到顶部