电脑桌面
添加小米粒文库到电脑桌面
安装后可以在桌面快捷访问

焊条的保管及使用VIP专享

焊条的保管及使用_第1页
1/6
焊条的保管及使用_第2页
2/6
焊条的保管及使用_第3页
3/6
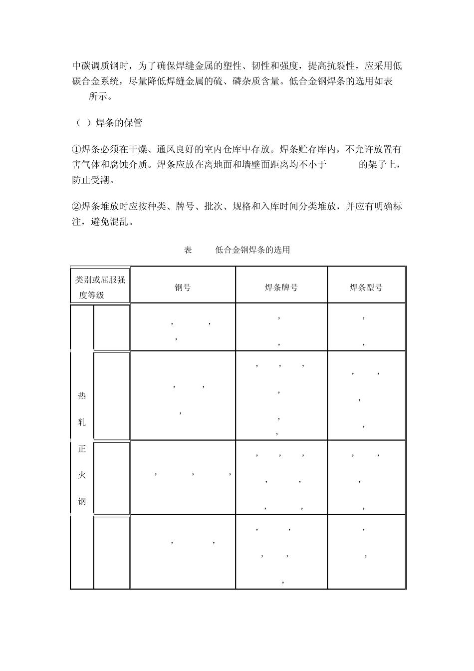
焊条的保管及使用 (1)焊条的选用 ①焊条选用基本原则 焊条的种类繁多,每种焊条都有一定的特性和用途。为了保证产品质量、提高生产效率和降低生产成本,必须正确选用焊条。在实际选择焊条时,除了要考虑经济性、施工条件、焊接效率和劳动条件之外,还应考虑以下原则: a.等强度原则 对于承受静载荷或一般载荷的工件或结构,通常按焊缝与母材等强的原则选用焊条,即要求焊缝与母材抗拉强度相等或相近。 b.等条件原则 根据工件或焊接结构的工作条件和特点来选用焊条。如在焊接承受动载荷或冲击载荷的工件时,应选用熔敷金属冲击韧性较高的碱性焊条;而在焊接一般结构时,则可选用酸性焊条。 c.等同性原则 在特殊环境下工作的焊接结构,如耐腐蚀、高温或低温等,为了保证使用性能,应根据熔敷金属与母材性能相同或相近原则选用焊条。 ②碳钢焊条的选用 根据我国碳钢焊条标准,目前主要使用的碳钢焊条主是有 E43系列及E50系列两种型号。低碳钢焊接时,一般结构可选用酸性焊条,承受动载荷或复杂的厚壁结构及低温使用时选用碱性焊条,如表 2-2所示;中碳钢焊接时,由于含碳量较高,易发生焊接裂纹,因而应选用碱性焊条或使焊缝金属具有良好塑性及韧性的焊条,并应进行预热和缓冷处理,如表 2-3所示;高碳钢焊接时,焊材的选用应视产品的设计要求而定,当强度要求高时,可用J707(E7015-G)或 J607(E6015-G)焊条,而强度要求不高时,可选用J506(E5016)或 J507(E5015)焊条。 表2-2 低碳钢焊条的选用 钢号 焊条牌号 焊条型号 钢号 焊条牌号 焊条型号 Q235 J421,J422,J423 E4313,E4303,E4301 20g J422,J426,J427 E4303,E4316, 4315 Q255 J424,J426,J427 E4320,E4316, E4315 22g J506,J507 E5016,E5015 Q275 J426,427, J506,J507 E4316,E4315,E5016, E5015 ZG230 ~450 J506,J507 E5016,E5015 08,10 J422,J423,J424 E4303, E4301,E4320 25 J426,J427 E4316,E 4315 15,20 J426,J427, J507 E4316, E4315,E5015 表2-3 中碳钢焊条的选用 钢号 不要求等强度 要求等强度 焊条牌号 焊条型号 焊条牌号 焊条型号 35 J422,J423 E4303,E4301 J506,J507 E5016,E5015 ZG270~500 J426,J427 E4316,E4315 45 J422,J423,J426 E4303,E4301,E4316 J556,J557 E5516-G,E5515-G ZG310~570 J427,J506,J507 E4315,,E5016, E5015 ...

1、当您付费下载文档后,您只拥有了使用权限,并不意味着购买了版权,文档只能用于自身使用,不得用于其他商业用途(如 [转卖]进行直接盈利或[编辑后售卖]进行间接盈利)。
2、本站所有内容均由合作方或网友上传,本站不对文档的完整性、权威性及其观点立场正确性做任何保证或承诺!文档内容仅供研究参考,付费前请自行鉴别。
3、如文档内容存在违规,或者侵犯商业秘密、侵犯著作权等,请点击“违规举报”。

碎片内容

焊条的保管及使用

确认删除?
VIP
微信客服
  • 扫码咨询
会员Q群
  • 会员专属群点击这里加入QQ群
客服邮箱
回到顶部