电脑桌面
添加小米粒文库到电脑桌面
安装后可以在桌面快捷访问

煤矿设计图纸的分类

煤矿设计图纸的分类_第1页
1/26
煤矿设计图纸的分类_第2页
2/26
煤矿设计图纸的分类_第3页
3/26
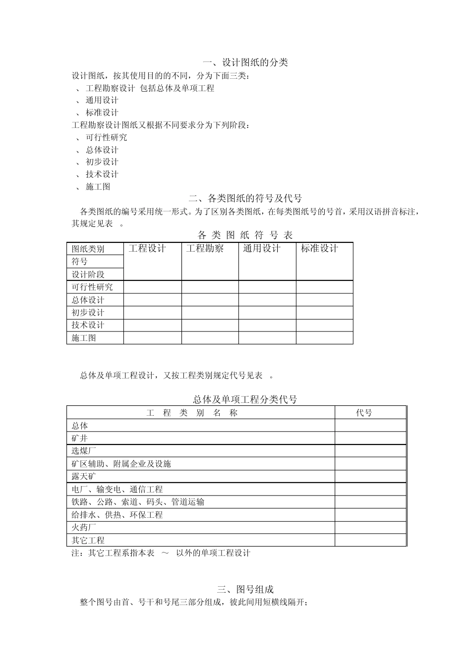
一、设计图纸的分类 设计图纸,按其使用目的的不同,分为下面三类: 1、 工程勘察设计(包括总体及单项工程) 2、 通用设计 3、 标准设计 工程勘察设计图纸又根据不同要求分为下列阶段: 1、 可行性研究 2、 总体设计 3、 初步设计 4、 技术设计 5、 施工图 二、各类图纸的符号及代号 各类图纸的编号采用统一形式。为了区别各类图纸,在每类图纸号的号首,采用汉语拼音标注,其规定见表 1。 各 类 图 纸 符 号 表 图纸类别 工程设计 工程勘察 通用设计 标准设计 符号 设计阶段 可行性研究 K KK 总体设计 Z ZK 初步设计 C CK TC BC 技术设计 J TJ BJ 施工图 S SK TS BS 总体及单项工程设计,又按工程类别规定代号见表 2。 总体及单项工程分类代号 工 程 类 别 名 称 代号 总体 0 矿井 1 选煤厂 2 矿区辅助、附属企业及设施 3 露天矿 4 电厂、输变电、通信工程 5 铁路、公路、索道、码头、管道运输 6 给排水、供热、环保工程 7 火药厂 8 其它工程 9 注:其它工程系指本表 0~8以外的单项工程设计 三、图号组成 整个图号由首、号干和号尾三部分组成,彼此间用短横线隔开; 例如:S1003—105.1—1 号首 号干 号尾 按其相应位置分成六段加以说明: 1、 号首:由三段组成 ①——号首的第一段为图纸类别和设计阶段的符号,按表 1选用。 ②——号首的第二段为总体或单项工程分类代号,用一位数字 0~9表示,按表 2选用。 ③——号首的第三段为工程设计任务的序号,用三位数字组成,由各设计单位计划部门按工程类别自行排定,从 001起,按每一个任务号顺序排列。 部标准、通用设计的②、③段用设计开始编制年份的后两位数字组成。 2、 号干:由两段组成 ④——号干的第一段单位工程固定图号,按工程类别及各专业的单位工程或设备统一划分和排定,见各分类固定图号表。矿井设计固定图号由三位数字组成。其它单项设计固定图号由四位数字组成,其第一位数字除露天矿按历史习惯仍为 1外,其他与单项工程 分类代号取得一致。 各单位工程设计中,同类不同型的各种单位工程或设备,均采用同一的固定图号,如矿井设计中各种形式的筛分机固定图号为 350。各专业单位工程图纸,如果在固定图号表中没有相同名称的固定号时,允许采用内容相近的固定图号,尽量避免补充新号。 专业之间配套的图纸,如矿井井下硐室、地面各种建筑物和构筑物的动力配电、照...

1、当您付费下载文档后,您只拥有了使用权限,并不意味着购买了版权,文档只能用于自身使用,不得用于其他商业用途(如 [转卖]进行直接盈利或[编辑后售卖]进行间接盈利)。
2、本站所有内容均由合作方或网友上传,本站不对文档的完整性、权威性及其观点立场正确性做任何保证或承诺!文档内容仅供研究参考,付费前请自行鉴别。
3、如文档内容存在违规,或者侵犯商业秘密、侵犯著作权等,请点击“违规举报”。

碎片内容

煤矿设计图纸的分类

确认删除?
VIP
微信客服
  • 扫码咨询
会员Q群
  • 会员专属群点击这里加入QQ群
客服邮箱
回到顶部