电脑桌面
添加小米粒文库到电脑桌面
安装后可以在桌面快捷访问

爆破QC技术成果

爆破QC技术成果_第1页
1/9
爆破QC技术成果_第2页
2/9
爆破QC技术成果_第3页
3/9
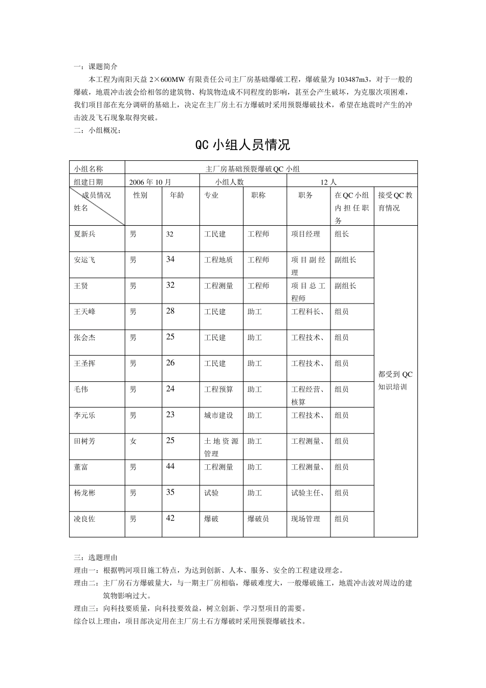
南阳天益2×600MW 发电工程“主厂房”基础工程 预裂爆破技术 QC 小组 中建二局鸭河口电厂二期项目经理部 2006 年 10 月 15 日 编 制:张会杰 2006 年 10 月 15 日 审 核:王天峰 2006 年 10 月 15 日 批 准:王贤 2006 年 10 月 15 日 一:课题简介 本工程为南阳天益2×600MW 有限责任公司主厂房基础爆破工程,爆破量为103487m3,对于一般的爆破,地震冲击波会给相邻的建筑物、构筑物造成不同程度的影响,甚至会产生破坏,为克服次项困难,我们项目部在充分调研的基础上,决定在主厂房土石方爆破时采用预裂爆破技术,希望在地震时产生的冲击波及飞石现象取得突破。 二:小组概况: QC 小组人员情况 小组名称 主厂房基础预裂爆破QC 小组 组建日期 2006 年 10 月 小组人数 12 人 成员情况 姓名 性别 年龄 专业 职称 职务 在 QC 小组内 担 任 职务 接受 QC 教育情况 夏新兵 男 32 工民建 工程师 项目经理 组长 都受到 QC知识培训 安运飞 男 34 工程地质 工程师 项 目 副 经理 副组长 王贤 男 32 工程测量 工程师 项 目 总 工程师 副组长 王天峰 男 28 工民建 助工 工程科长、 组员 张会杰 男 25 工民建 助工 工程技术、 组员 王圣挥 男 26 工民建 助工 工程技术、 组员 毛伟 男 24 工程预算 助工 工程经营、核算 组员 李元乐 男 23 城市建设 助工 工程技术、 组员 田树芳 女 25 土 地 资 源管理 助工 工程测量、 组员 董富 男 44 工程测量 助工 工程测量、 组员 杨龙彬 男 35 试验 助工 试验主任、 组员 凌良佐 男 42 爆破 爆破员 现场管理 组员 三:选题理由 理由一:根据鸭河项目施工特点,为达到创新、人本、服务、安全的工程建设理念。 理由二:主厂房石方爆破量大,与一期主厂房相临,爆破难度大,一般爆破施工,地震冲击波对周边的建筑物影响过大。 理由三:向科技要质量,向科技要效益,树立创新、学习型项目的需要。 综合以上理由,项目部决定用在主厂房土石方爆破时采用预裂爆破技术。 四:现状调查: 本QC 小组对爆破时产生的影响进行了调查,邀请了具备实际经验的专家到现场指导,并召集业主、设计、监理等爆破方面的专家召开研讨会,共参加 32 人,较为全面的分析了爆破时产生的冲击波、飞石等一些主要问题,共收回信息 80 条,我们对这些信息进行了...

1、当您付费下载文档后,您只拥有了使用权限,并不意味着购买了版权,文档只能用于自身使用,不得用于其他商业用途(如 [转卖]进行直接盈利或[编辑后售卖]进行间接盈利)。
2、本站所有内容均由合作方或网友上传,本站不对文档的完整性、权威性及其观点立场正确性做任何保证或承诺!文档内容仅供研究参考,付费前请自行鉴别。
3、如文档内容存在违规,或者侵犯商业秘密、侵犯著作权等,请点击“违规举报”。

碎片内容

爆破QC技术成果

确认删除?
VIP
微信客服
  • 扫码咨询
会员Q群
  • 会员专属群点击这里加入QQ群
客服邮箱
回到顶部