电脑桌面
添加小米粒文库到电脑桌面
安装后可以在桌面快捷访问

牛头刨床课程设计

牛头刨床课程设计_第1页
1/16
牛头刨床课程设计_第2页
2/16
牛头刨床课程设计_第3页
3/16
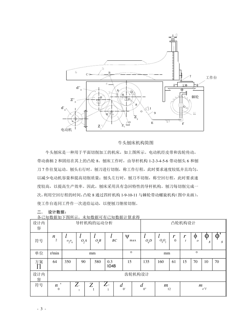
机 械 原 理 课 程 设 计 说 明 书 系 部 名 称 : 机 电 系 专业班级: 07机 制专升本1班 姓 名 : 马立洋 学 号: 11 目 录 概 述·······························3 设计项目······························· 1.设计题目························4 2.机构简介························4 3.设计数据························4 设计内容······························· 1.导杆机构的设计··················5 2.凸轮机构的设计···················12 3.齿轮机构的设计···················17 设计体会 ·····························20 参考文献 ······························21 附 图 ····························· 批 阅 教 师 签 字 批阅日期 - 2 - 概 述 一、机构机械原理课程设计的目的: 机械原理课程设计是高等工业学校机械类专业学生第一次较全面的机械运动学和动力学分析与设计的训练,是本课程的一个重要实践环节。其基本目的在于: (1)进一步加深学生所学的理论知识,培养学生独立解决有关本课程实际问题的能力。 (2)使学生对于机械运动学和动力学的分析设计有一较完整的概念。 (3)使学生得到拟定运动方案的训练,并具有初步设计选型与组合以及确定传动方案的能力。 (4)通过课程设计,进一步提高学生运算、绘图、表达、运用计算机和查阅技术资料的能力。 二、机械原理课程设计的任务: 机械原理课程设计的任务是对机械的主体机构(连杆机构、凸轮机构、齿轮机构以及其他机构)进行设计和运动分析、动态静力分析,并根据给定机器的工作要求,在此基础上设计凸轮、齿轮;或对各机构进行运动分析。要求学生根据设计任务,绘制必要的图纸,编写说明书。 三、械原理课程设计的方法: 机械原理课程设计的方法大致可分为图解法和解析法两种。图解法几何 概念较清 晰 、直 观 ;解析法精 度 较高。根据教 学大纲 的要求,本设计主要应 用图解法进行设计。 [设计名称]压床机构 一.机构简介: 机构简 图如 ...

1、当您付费下载文档后,您只拥有了使用权限,并不意味着购买了版权,文档只能用于自身使用,不得用于其他商业用途(如 [转卖]进行直接盈利或[编辑后售卖]进行间接盈利)。
2、本站所有内容均由合作方或网友上传,本站不对文档的完整性、权威性及其观点立场正确性做任何保证或承诺!文档内容仅供研究参考,付费前请自行鉴别。
3、如文档内容存在违规,或者侵犯商业秘密、侵犯著作权等,请点击“违规举报”。

碎片内容

牛头刨床课程设计

确认删除?
VIP
微信客服
  • 扫码咨询
会员Q群
  • 会员专属群点击这里加入QQ群
客服邮箱
回到顶部