电脑桌面
添加小米粒文库到电脑桌面
安装后可以在桌面快捷访问

物料PCN协议中文

物料PCN协议中文_第1页
1/7
物料PCN协议中文_第2页
2/7
物料PCN协议中文_第3页
3/7
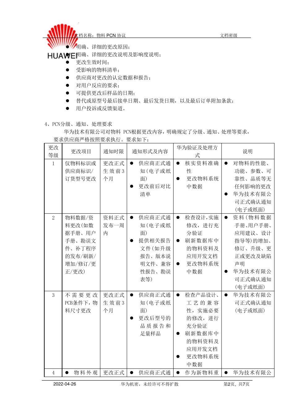
文档名称:物料PCN 协议 文档密级 2022-04-26 华为机密,未经许可不得扩散 第1页, 共7页 物料PCN协议 甲方(“华为”) 乙方(“供应商”): 1、说明 鉴于物料技术更改对华为技术有限公司和供应商双方的重要影响,为规范双方的操作,甲乙双方经友好协商,一致同意签订本协议。 不同类别物料对PCN操作要求的具体条款参照此文件制订 本协议及其附录解释权归华为公司采购策略中心。 2、定义 PCN:Product change notification(包含产品包的所有更改) 该规范所定义的物料PCN,包含物料及其相应数据、资料的更改;包含但不只限于以下涉及以下内容: 器件停产 ·物料停产 ·原型号停产的物料升级 功能更改 ·物料功能升级 ·物料更正缺陷 性能更改 ·物料电性能、机械性能、热性能更改 ·物料的电装工艺要求更改 · 物料品质或可靠性变化或更改 外观更改 ·物料外观(包含外形、尺寸及公差、颜色、标识、表面材料等项目)更改 ·物料标识更改 工艺更改 ·物料主要原材料供应商更改 ·物料主要原材料、生产设备 、生产工艺更改 ·物料 生产线 转 移 或更改 其它 更改 ·物料订货 型号更改 ·物料数据手 册 、用 户 手 册 、应用 建 议、设计 指 导 等资料的增 加 、修 订、升级、更正或更改、缺陷声 明 ·物料补 丁 程 序 的发 布 或刷 新 ·以及可能影响物料商务 、功能、性能及应用 的其它 变化 3、PCN完 整 性要求 华为技术有限公司对物料PCN的完 整 性要求如 下:  PCN文档编 号,发 布 日 期 ; 文档名称:物料PCN 协议 文档密级 2022-04-26 华为机密,未经许可不得扩散 第2页, 共7页  明确、详细的更改原因;  明确、详细的更改说明及影响度说明;  更改生效时间;  受影响的物料清单;  供应商对更改的认定数据和报告;  对用户反应的要求;  可提供更改后样品的日期;  替代或原型号最后接单日期、最后发货日期,以及最后订单附加条款;  用户投诉或反馈渠道。 4、PCN分级、通知、处理要求 华为技术有限公司对物料 PCN根据更改内容,明确规定了分级、通知、处理等要求,要求供应商严格按照要求执行。要求如下: 更改等级 更改项目 通知时限 通知形式及内容 华为验证及处理方式 说明 1 仅物料标识或供应商标识/订货型号更改 更改正式生 效 前3个月  供应商正式通知(电子或纸面)  更改前...

1、当您付费下载文档后,您只拥有了使用权限,并不意味着购买了版权,文档只能用于自身使用,不得用于其他商业用途(如 [转卖]进行直接盈利或[编辑后售卖]进行间接盈利)。
2、本站所有内容均由合作方或网友上传,本站不对文档的完整性、权威性及其观点立场正确性做任何保证或承诺!文档内容仅供研究参考,付费前请自行鉴别。
3、如文档内容存在违规,或者侵犯商业秘密、侵犯著作权等,请点击“违规举报”。

碎片内容

物料PCN协议中文

您可能关注的文档

确认删除?
VIP
微信客服
  • 扫码咨询
会员Q群
  • 会员专属群点击这里加入QQ群
客服邮箱
回到顶部