电脑桌面
添加小米粒文库到电脑桌面
安装后可以在桌面快捷访问

分包单位应提供给总包资料

分包单位应提供给总包资料_第1页
1/23
分包单位应提供给总包资料_第2页
2/23
分包单位应提供给总包资料_第3页
3/23
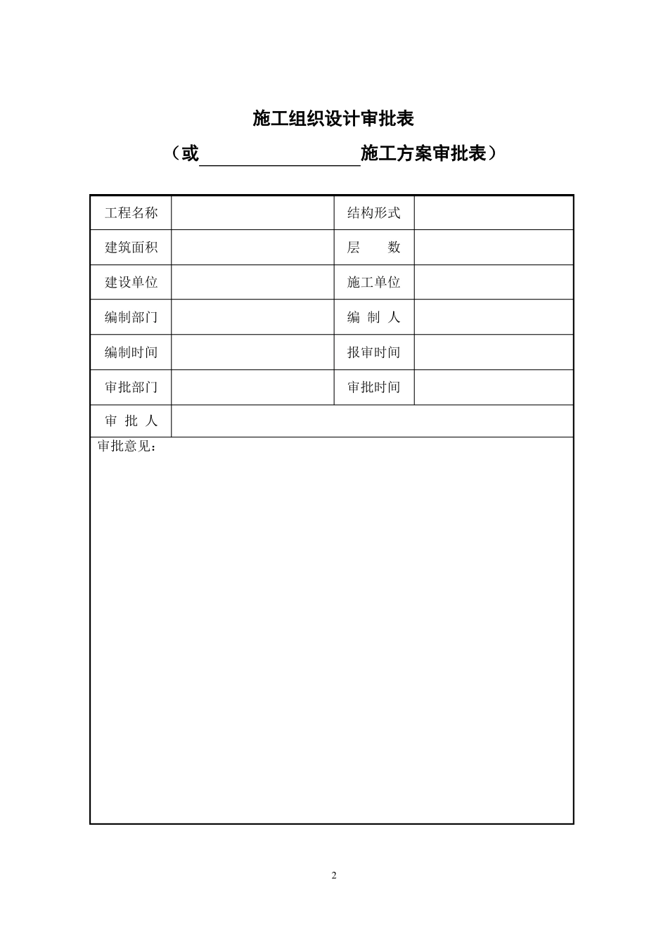
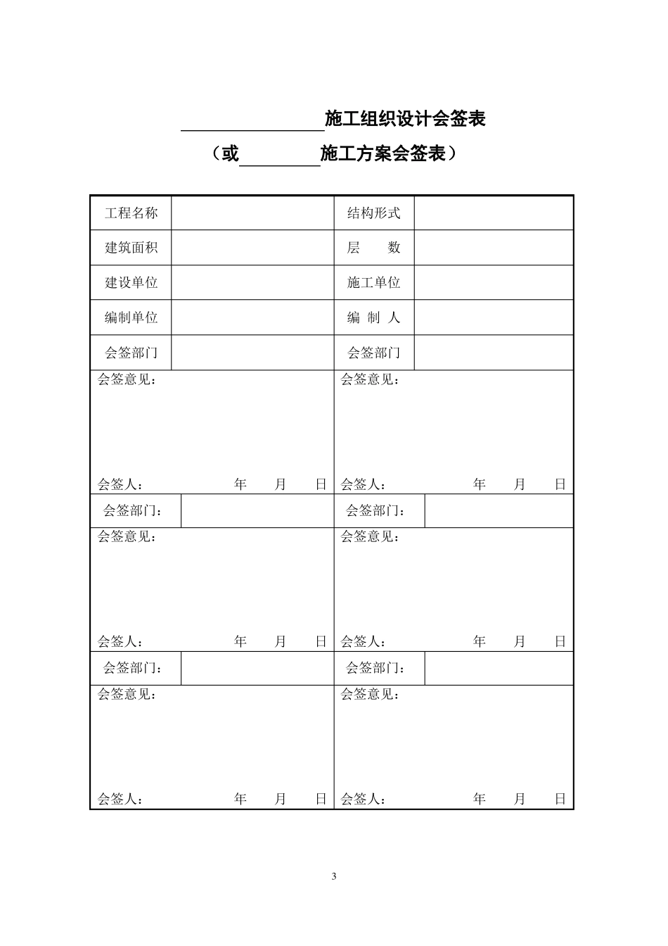
分包单位应给总承包单位提供以下资料1、厂家单位营业执照;2、企业资质(设计资质、施工资质);3、施工许可证(如是外省市的应有进京施工许可证);4、安全生产许可证;5、产品质量认可证书;6、所用材料产品应有厂家当年的试验报告及质量监督站当年的检测报告(物理性能及环境报告)及全国企业生产许可证;7、工程中所用材料必须有环境检测报告的有:如:⑴、砂⑵、石⑶、砖⑷、水泥⑸、新型墙体材料⑹、石材⑺、石膏板⑻、吊顶材料⑼、涂料⑽、人造木板⑾、木门窗⑿、建筑卫生陶瓷8、材料产品合格证或成品合格证;9、建委备案的材料应有材料备案手册;如:⑴、水泥⑵、建筑钢材⑶、墙体材料(建筑砌块、空心砖、各类保温墙板)⑷、建筑门窗(含门窗用型材及配件)⑸、防水材料(卷材、涂料、堵漏材料)⑹、用水器具及塑料管材、管件⑺、建筑涂料、建筑胶粘剂、砼外加剂⑻、散热器⑼、建筑装饰材料(石材、瓷砖)⑽、建筑扣件10、管理人员岗位证书、特殊工种施工人员上岗证等资料。11、施工方案(包括:施工方案审批表、会审表、工程技术文件报审表并加盖单位红章、施工方案封面盖红章)见下页表格资料如是复印件(不管是一张还是多张)每张都要加盖单位红章,抄件人签字,注明原件存放何处。以上资料一式两份,由我方(总包方)审验合格后,报监理审批。1施工组织设计审批表(或施工方案审批表)工程名称建筑面积建设单位编制部门编制时间审批部门审 批 人审批意见:结构形式层数施工单位编 制 人报审时间审批时间2施工组织设计会签表(或施工方案会签表)工程名称建筑面积建设单位编制单位会签部门结构形式层数施工单位编 制 人会签部门会签意见:会签人:年月日会签部门:会签意见:会签人:年月日会签部门:会签意见:会签人:年月日会签部门:会签意见:会签人:年月日会签部门:会签意见:会签人:年月日会签意见:会签人:年月日3工程技术文件报审表表 B2-1(A1 监)工程名称编号日期现报上关于工程技术文件,请予以审定。序 号编制单位名称:分包单位技术负责人(签字):分包单位申报人(签字):分包单位施工单位审核意见:总包单位□有/□无附页施工单位名称:总包单位审核人(签字):总包单位审核日期:总包单位监理单位审核意见:审定结论:□同意□修改后再报□重新报验监理单位名称:总监理工程师(签字):日期:注:本表由施工单位填报,建设单位、监理单位、施工单位各保存一份。类别编制人册数页数4工程物资进场报...

1、当您付费下载文档后,您只拥有了使用权限,并不意味着购买了版权,文档只能用于自身使用,不得用于其他商业用途(如 [转卖]进行直接盈利或[编辑后售卖]进行间接盈利)。
2、本站所有内容均由合作方或网友上传,本站不对文档的完整性、权威性及其观点立场正确性做任何保证或承诺!文档内容仅供研究参考,付费前请自行鉴别。
3、如文档内容存在违规,或者侵犯商业秘密、侵犯著作权等,请点击“违规举报”。

碎片内容

分包单位应提供给总包资料

您可能关注的文档

确认删除?
VIP
微信客服
  • 扫码咨询
会员Q群
  • 会员专属群点击这里加入QQ群
客服邮箱
回到顶部