电脑桌面
添加小米粒文库到电脑桌面
安装后可以在桌面快捷访问

现场管理中5S实用表格

现场管理中5S实用表格_第1页
1/15
现场管理中5S实用表格_第2页
2/15
现场管理中5S实用表格_第3页
3/15
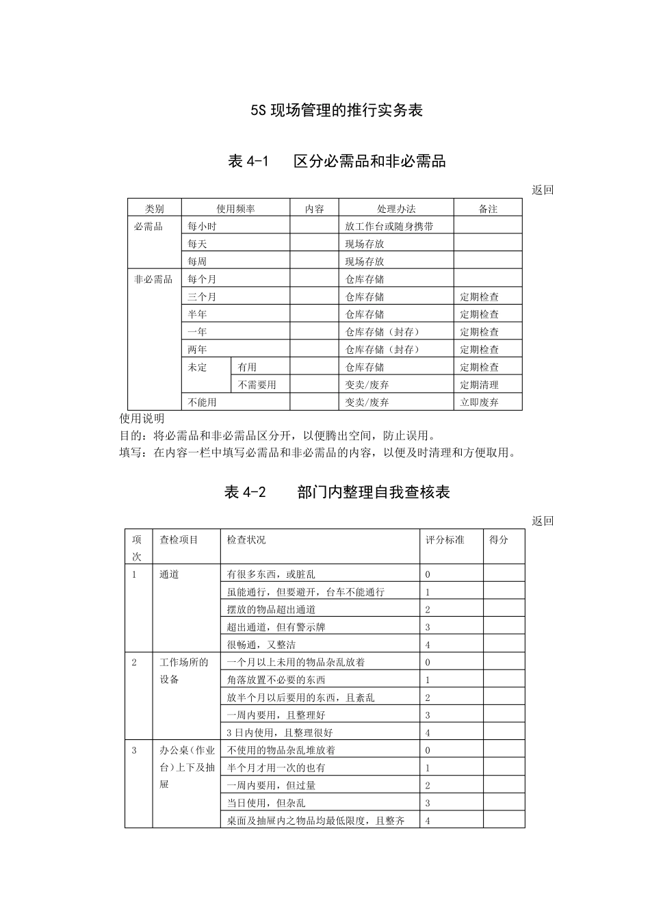
5S 现场管理的推行实务表 表4-1 区分必需品和非必需品 返回 类别 使用频率 内容 处理办法 备注 必需品 每小时 放工作台或随身携带 每天 现场存放 每周 现场存放 非必需品 每个月 仓库存储 三个月 仓库存储 定期检查 半年 仓库存储 定期检查 一年 仓库存储(封存) 定期检查 两年 仓库存储(封存) 定期检查 未定 有用 仓库存储 定期检查 不需要用 变卖/废弃 定期清理 不能用 变卖/废弃 立即废弃 使用说明 目的:将必需品和非必需品区分开,以便腾出空间,防止误用。 填写:在内容一栏中填写必需品和非必需品的内容,以便及时清理和方便取用。 表4-2 部门内整理自我查核表 返回 项次 查检项目 检查状况 评分标准 得分 1 通道 有很多东西,或脏乱 0 虽能通行,但要避开,台车不能通行 1 摆放的物品超出通道 2 超出通道,但有警示牌 3 很畅通,又整洁 4 2 工作场所的设备 一个月以上未用的物品杂乱放着 0 角落放置不必要的东西 1 放半个月以后要用的东西,且紊乱 2 一周内要用,且整理好 3 3 日内使用,且整理很好 4 3 办公桌(作业台)上下及抽屉 不使用的物品杂乱堆放着 0 半个月才用一次的也有 1 一周内要用,但过量 2 当日使用,但杂乱 3 桌面及抽屉内之物品均最低限度,且整齐 4 4 料 架 杂 乱 存 放 不 使 用 的 物 品 0 料 架 破 旧 , 缺 乏 整 理 1 摆 放 不 使 用 的 物 品 , 但 较 整 齐 2 料 架 上 的 物 品 整 齐 摆 放 3 摆 放 物 为 近 日 用 , 很 整 齐 4 5 仓 库 塞 满 东 西 , 人 不 易 行 走 0 东 西 杂 乱 摆 放 1 有 定 位 规 定 , 但 没 被 严 格 遵 守 2 有 定 位 , 有 管 理 , 但 进 出 不 方 便 3 合 计 使 用 说 明 目 的 : 在 推 动 整 理 的 过 程 中 , 除 了 拟 定 详 尽 的 计 划 和 活 动 办 法 外 , 每 一 项 均 要 定 期 检 查 ,加 以 控 制 , 确 保 整 理 活 动 持 续 进 行 。 说 明 : 查 检 的 项 目 共 有 5 项 , 每 一 项 里 边 又 分 若 干 项 , 并 配 以 不 同 的 分 值 , 请 检 查 部 门根 据 内 部 的 具 体 情 况 , 在 得 分 一 栏 里 打 勾 , 最...

1、当您付费下载文档后,您只拥有了使用权限,并不意味着购买了版权,文档只能用于自身使用,不得用于其他商业用途(如 [转卖]进行直接盈利或[编辑后售卖]进行间接盈利)。
2、本站所有内容均由合作方或网友上传,本站不对文档的完整性、权威性及其观点立场正确性做任何保证或承诺!文档内容仅供研究参考,付费前请自行鉴别。
3、如文档内容存在违规,或者侵犯商业秘密、侵犯著作权等,请点击“违规举报”。

碎片内容

现场管理中5S实用表格

确认删除?
VIP
微信客服
  • 扫码咨询
会员Q群
  • 会员专属群点击这里加入QQ群
客服邮箱
回到顶部