电脑桌面
添加小米粒文库到电脑桌面
安装后可以在桌面快捷访问

生产一线员工技术等级评定办法VIP专享

生产一线员工技术等级评定办法_第1页
1/9
生产一线员工技术等级评定办法_第2页
2/9
生产一线员工技术等级评定办法_第3页
3/9
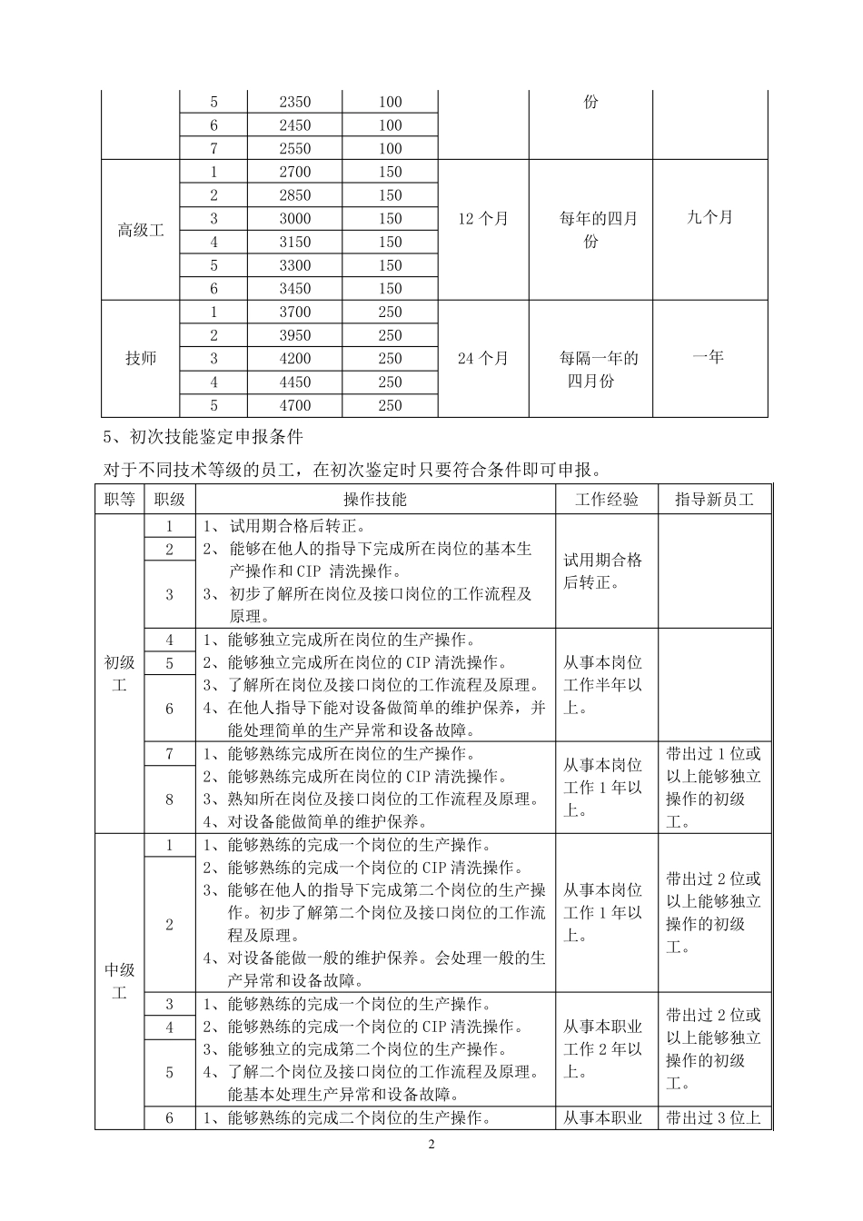
1 上海金啤生物科技有限公司 生产一线员工技能鉴定管理办法 1、目的 为规范生产一线技术工人技能等级考核评定工作,促进技术工人不断学习业务知识、努力提高技术水平,更好的完成生产任务和实现自身价值,依据国家<<职业技能鉴定标准>>并结合企业实际,特制定本管理办法。 2、适用范围 本制度适用于生产一线员工的技能等级鉴定,文职、管理类岗位不在此列。 3、组织设置 3.1 技能鉴定委员会 组 长:总经理 副组长:生产副总经理 成 员:人力资源部、生产部、品控部、采购部、设备部负责人。 3.2 人力资源部从技能鉴定委员会内召集相关评委组成评定小组,负责岗位技能、工作态度、综合评分等的评定工作。 4、技术等级设定 4.1 技术等级从低到高依次设定为初级工、中级工、高级工、技师等四个职等,每个职等分为不同职级(详见下表)。 4.2 技术等级是员工技能水平的体现,是员工工资收入中的重要组成部分。技术等级、对应薪资标准、定(晋)级时间间隔标准如下: 职等 职级 工资标准 级差 每次晋升 时间间隔 评定时间 公司工龄 初级工 1 1500 6 个月 每年 的四月份和十 月份 一个月 2 1550 50 三 个月 3 1600 50 4 1650 50 5 1700 50 6 1750 50 7 1800 50 8 1850 50 中级工 1 1950 100 12 个月 每年 的四月 六 个月 2 2050 100 3 2150 100 4 2250 100 2 5 2350 100 份 6 2450 100 7 2550 100 高级工 1 2700 150 12 个月 每年的四月份 九个月 2 2850 150 3 3000 150 4 3150 150 5 3300 150 6 3450 150 技师 1 3700 250 24 个月 每隔一年的四月份 一年 2 3950 250 3 4200 250 4 4450 250 5 4700 250 5、初次技能鉴定申报条件 对于不同技术等级的员工,在初次鉴定时只要符合条件即可申报。 职等 职级 操作技能 工作经验 指导新员工 初级工 1 1、 试用期合格后转正。 2、 能够在他人的指导下完成所在岗位的基本生产操作和 CIP 清洗操作。 3、 初步了解所在岗位及接口岗位的工作流程及原理。 试用期合格后转正。 2 3 4 1、能够独立完成所在岗位的生产操作。 2、能够独立完成所在岗位的CIP 清洗操作。 3、了解所在岗位及接口岗位的工作流程及原理。 4、在他人指导下能对设备做简单的维护保养,并能处理简单的生产异常和设备故障。 从事本岗位工作半年以上。 5 6 7 1、能够熟练完...

1、当您付费下载文档后,您只拥有了使用权限,并不意味着购买了版权,文档只能用于自身使用,不得用于其他商业用途(如 [转卖]进行直接盈利或[编辑后售卖]进行间接盈利)。
2、本站所有内容均由合作方或网友上传,本站不对文档的完整性、权威性及其观点立场正确性做任何保证或承诺!文档内容仅供研究参考,付费前请自行鉴别。
3、如文档内容存在违规,或者侵犯商业秘密、侵犯著作权等,请点击“违规举报”。

碎片内容

生产一线员工技术等级评定办法

确认删除?
VIP
微信客服
  • 扫码咨询
会员Q群
  • 会员专属群点击这里加入QQ群
客服邮箱
回到顶部