电脑桌面
添加小米粒文库到电脑桌面
安装后可以在桌面快捷访问

生产计划与控制课程设计螺杆泵产品生产组织与计划管理设计

生产计划与控制课程设计螺杆泵产品生产组织与计划管理设计_第1页
1/17
生产计划与控制课程设计螺杆泵产品生产组织与计划管理设计_第2页
2/17
生产计划与控制课程设计螺杆泵产品生产组织与计划管理设计_第3页
3/17
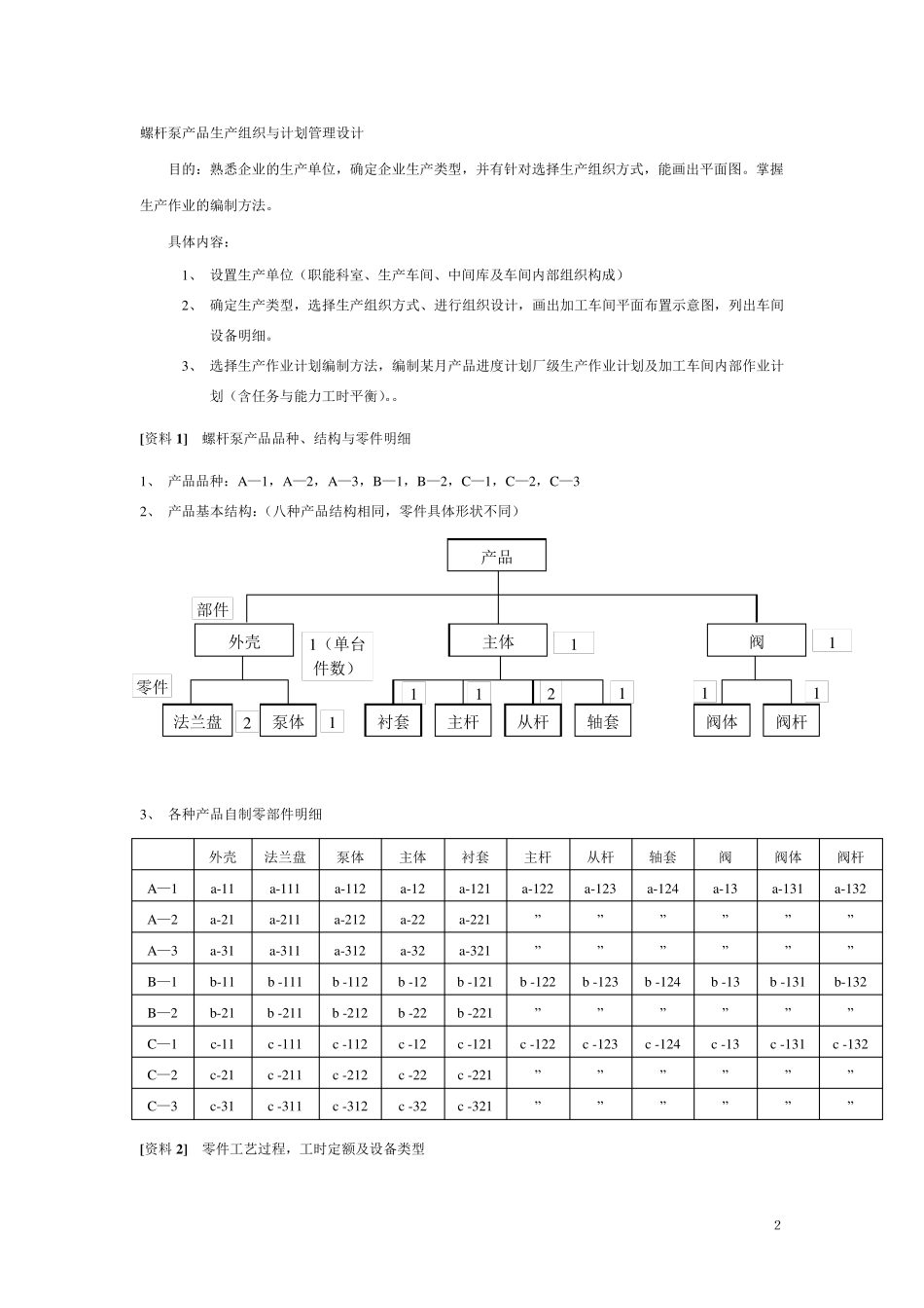
0 螺杆泵产品生产组织与计划管理设计 工业工程 1 目录  设计任务书 2 一、资料分析及设备数目初步计算 5 二、生产车间的生产类型以及生产组织方式 7 三、生产设备数目确定以及车间示意图 8 四、生产单位设置 1 1 五、编制某月的生产计划 1 2 六、参考文献 1 6 2 螺杆泵产品生产组织与计划管理设计 目的:熟悉企业的生产单位,确定企业生产类型,并有针对选择生产组织方式,能画出平面图。掌握生产作业的编制方法。 具体内容: 1、 设置生产单位(职能科室、生产车间、中间库及车间内部组织构成) 2、 确定生产类型,选择生产组织方式、进行组织设计,画出加工车间平面布置示意图,列出车间设备明细。 3、 选择生产作业计划编制方法,编制某月产品进度计划厂级生产作业计划及加工车间内部作业计划(含任务与能力工时平衡)。。 [资料1] 螺杆泵产品品种、结构与零件明细 1、 产品品种:A—1,A—2,A—3,B—1,B—2,C—1,C—2,C—3 2、 产品基本结构:(八种产品结构相同,零件具体形状不同) 3、 各种产品自制零部件明细 外壳 法兰盘 泵体 主体 衬套 主杆 从杆 轴套 阀 阀体 阀杆 A—1 a-11 a-111 a-112 a-12 a-121 a-122 a-123 a-124 a-13 a-131 a-132 A—2 a-21 a-211 a-212 a-22 a-221 ” ” ” ” ” ” A—3 a-31 a-311 a-312 a-32 a-321 ” ” ” ” ” ” B—1 b-11 b -111 b -112 b -12 b -121 b -122 b -123 b -124 b -13 b -131 b-132 B—2 b-21 b -211 b -212 b -22 b -221 ” ” ” ” ” ” C—1 c-11 c -111 c -112 c -12 c -121 c -122 c -123 c -124 c -13 c -131 c -132 C—2 c-21 c -211 c -212 c -22 c -221 ” ” ” ” ” ” C—3 c-31 c -311 c -312 c -32 c -321 ” ” ” ” ” ” [资料2] 零件工艺过程,工时定额及设备类型 1(单台 件数) 1 1 2 1 1 1 2 1 1 1 产品 外壳 主体 阀 法兰盘 泵体 衬套 主杆 从杆 轴套 阀体 阀杆 部件 零件 3 1 、 泵体工艺 工序号 1 2 3 4 5 6 工序名 粗车 精车 钻孔 粗铣 精铣 检验 设备 立车 立车-1 摇臂孔 立铣 立铣-1 检验台-1 工时(分) 4 9 2 4 5 3 2 、 衬套工艺 工序号 1 2 3 4 5 6 7 8 工序名 热处...

1、当您付费下载文档后,您只拥有了使用权限,并不意味着购买了版权,文档只能用于自身使用,不得用于其他商业用途(如 [转卖]进行直接盈利或[编辑后售卖]进行间接盈利)。
2、本站所有内容均由合作方或网友上传,本站不对文档的完整性、权威性及其观点立场正确性做任何保证或承诺!文档内容仅供研究参考,付费前请自行鉴别。
3、如文档内容存在违规,或者侵犯商业秘密、侵犯著作权等,请点击“违规举报”。

碎片内容

生产计划与控制课程设计螺杆泵产品生产组织与计划管理设计

确认删除?
VIP
微信客服
  • 扫码咨询
会员Q群
  • 会员专属群点击这里加入QQ群
客服邮箱
回到顶部