电脑桌面
添加小米粒文库到电脑桌面
安装后可以在桌面快捷访问

生产订单管理系统流程

生产订单管理系统流程_第1页
1/10
生产订单管理系统流程_第2页
2/10
生产订单管理系统流程_第3页
3/10
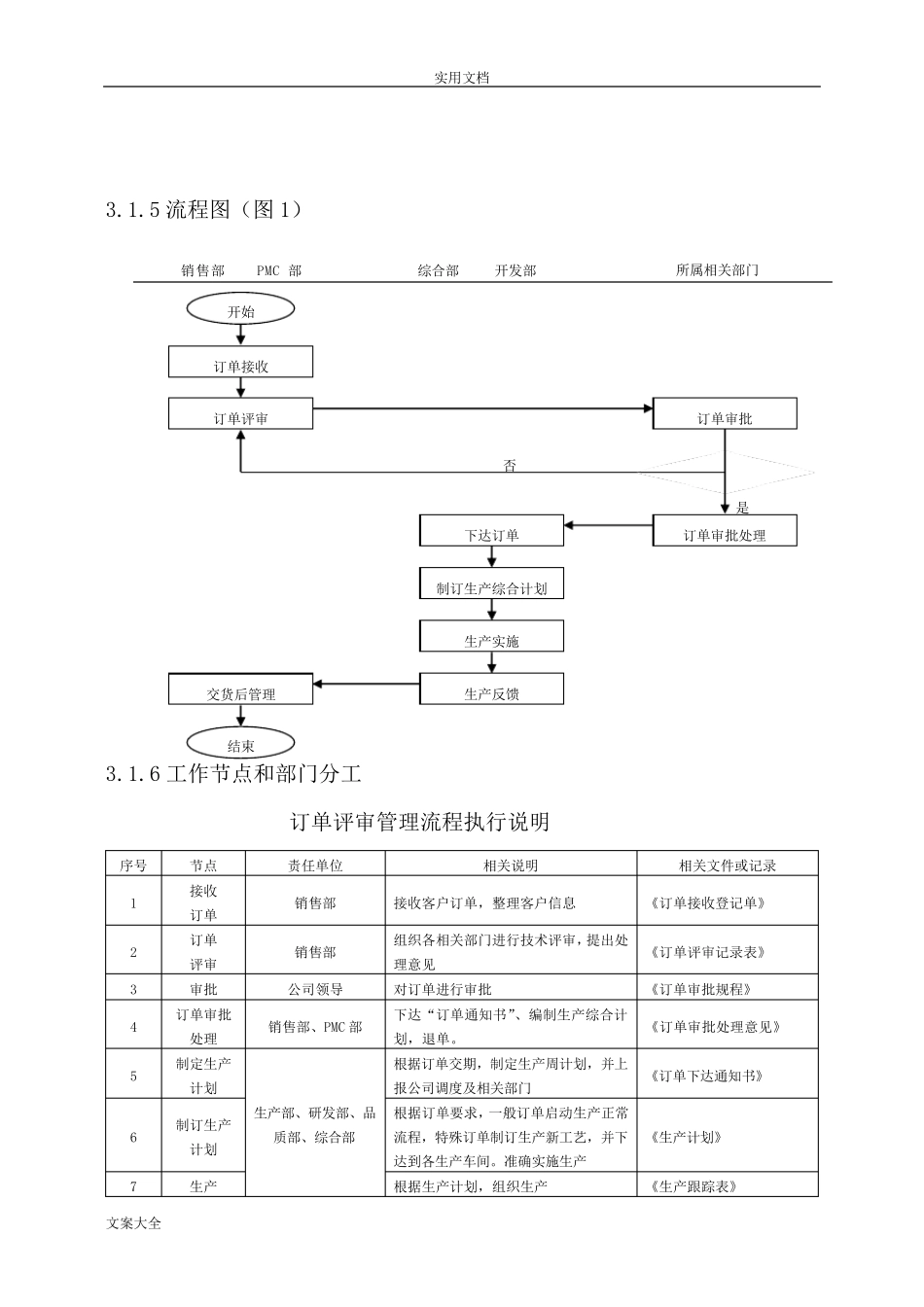
实用文档 文案大全 订 单 管 理 流 程 1.目的 加强公司生产订单流程管理,体现从销售到生产环节的更好衔接,实现产品生产过程顺利、高效、低耗、按期交货。 2、适应范围:南城内衣有限公司 3、流程管理层 3.1 订单评审管理流程 3.1.1 该流程由销售部(内、外销),设计部、生产部、材料部,品质部、跟单员等对订单进行用料及技术评审,提出处理意见。(优先考虑库存现料) 3.1.2 对能满足客户(合同)要求的订单准备原材料预案,对生产难度较大的产品订单由销售部和客户进行沟通,达成处理意见,由销售部报请总经理签批。 3.1.3 根据总经理签批。 3.1.3.1 由销售部制定《生产通知单》,设计部制定《工艺要求表》《单件用料用量表》。 3.1.3.2 设计部完成产品标准版及纸样,并按《工艺要求表》制作齐码产前样交销售部与客户确认订单产品具体细节及要求. 3.1.3.3 跟单员根据与客户达成的产品具体细节及要求,确认《生产通知单》细节要求是否准确,同标准版一同交生产部. 3.1.3.4 对需提前备料的,跟单员可根据与客户达成的产品要求,及设计部制作的初样和《单件用料用量表》交材料仓清料备料。(优先考虑库存现料,确保所备材料准确) 3.1.3.4 对返单产品订单只报总经理签批,不再进行评审。 实用文档 文案大全 3.1.5 流程图(图1) 3.1.6 工作节点和部门分工 订单评审管理流程执行说明 序号 节点 责任单位 相关说明 相关文件或记录 1 接收 订单 销售部 接收客户订单,整理客户信息 《订单接收登记单》 2 订单 评审 销售部 组织各相关部门进行技术评审,提出处理意见 《订单评审记录表》 3 审批 公司领导 对订单进行审批 《订单审批规程》 4 订单审批处理 销售部、PMC 部 下达“订单通知书”、编制生产综合计划,退单。 《订单审批处理意见》 5 制定生产计划 生产部、研发部、品质部、综合部 根据订单交期,制定生产周计划,并上报公司调度及相关部门 《订单下达通知书》 6 制订生产计划 根据订单要求,一般订单启动生产正常流程,特殊订单制订生产新工艺,并下达到各生产车间。准确实施生产 《生产计划》 7 生产 根据生产计划,组织生产 《生产跟踪表》 销售部 PMC 部 综合部 开发部 所属相关部门 订单审批处理 结束 下达订单 制订生产综合计划 生产实施 生产反馈 交货后管理 订单接收 开始 订单评审 订单审批 是 否 实用文档 文案大全 实施 8 生产 反...

1、当您付费下载文档后,您只拥有了使用权限,并不意味着购买了版权,文档只能用于自身使用,不得用于其他商业用途(如 [转卖]进行直接盈利或[编辑后售卖]进行间接盈利)。
2、本站所有内容均由合作方或网友上传,本站不对文档的完整性、权威性及其观点立场正确性做任何保证或承诺!文档内容仅供研究参考,付费前请自行鉴别。
3、如文档内容存在违规,或者侵犯商业秘密、侵犯著作权等,请点击“违规举报”。

碎片内容

生产订单管理系统流程

确认删除?
VIP
微信客服
  • 扫码咨询
会员Q群
  • 会员专属群点击这里加入QQ群
客服邮箱
回到顶部