电脑桌面
添加小米粒文库到电脑桌面
安装后可以在桌面快捷访问

生活垃圾焚烧发电厂燃烧和汽水系统平衡计算与工程计算表

生活垃圾焚烧发电厂燃烧和汽水系统平衡计算与工程计算表_第1页
1/9
生活垃圾焚烧发电厂燃烧和汽水系统平衡计算与工程计算表_第2页
2/9
生活垃圾焚烧发电厂燃烧和汽水系统平衡计算与工程计算表_第3页
3/9
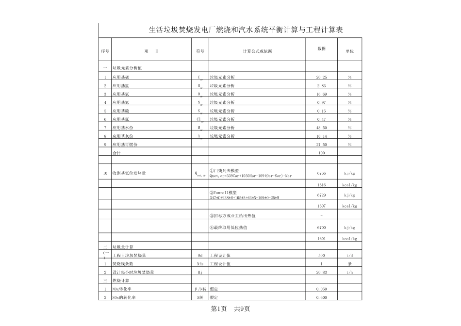
序号项 目符号计算公式或依据数据单位一垃圾元素分析值1应用基碳Car垃圾元素分析20.25%2应用基氢Har垃圾元素分析2.83%3应用基氧Oar垃圾元素分析16.69%4应用基氮Nar垃圾元素分析0.97%5应用基硫Sar垃圾元素分析0.15%6应用基氯Clar垃圾元素分析0.47%7应用基水份Mar垃圾元素分析48.50%8应用基灰份Aar垃圾元素分析10.14%9应用基可燃份27.50%合计10010收到基低位发热量Qnet,ar①门捷列夫模型:Qnet,ar=339Car+1030Har-109(Oar-Sar)-Mar6766kj/kg1616kcal/kg②Vonroll模型347*C+938*H+105*S+63*N-109*O-25*W6729kj/kg1607kcal/kg③招标方或业主给出热值-④最终取用低位热值6700kj/kg1601kcal/kg二垃圾量计算(一)工程日垃圾焚烧量Wd工程设计值500t/d1焚烧线条数Nfs工程设计值1条2设计每小时垃圾焚烧量Bj20.83t/h三燃烧计算1NOx转化率β/N转假定0.0502SOx的转化率S转假定0.600生活垃圾焚烧发电厂燃烧和汽水系统平衡计算与工程计算表第1页 共9页3理论干空气量V00.0889(Car+0.375Sar)+0.265Har+0.008*N转化率Nar-0.0333Oar2.000Nm3/kg4理论湿空气量Vw01.016V02.032Nm3/kg5炉膛出口过量空气系数α传统焚烧炉排取值范围1.6~1.8(新型燃烧技术为1.3~1.4)氧含量7-9%1.67含氧量8.425%6实际干空气量V0aα*V03.340Nm3/kg7实际湿空气量Va.w01.016*α*V03.394Nm3/kg(二)燃烧产物理论体积1氮容积V0N20.79*V0+0.008*(1-N转化率)*Nar1.5876Nm3/kg2三原子气体容积V0RO21.866(Car+0.375*S转*Sar)/1000.3786Nm3/kg其中SO2V0SO21.866*0.375*S转*Sar/1000.0006Nm3/kg其中CO2V0CO21.866*Car/1000.3779Nm3/kg3NOV0NO0.016*β*Nar0.0008Nm3/kg4水蒸气V0H2O0.111Har-0.00315Clar+0.0124Mar+0.0161*V00.9491Nm3/kg5燃烧产物理论干烟气体积(干烟气)V0dgV0N2+V0RO2+V0NO+V0HCL1.9699Nm3/kg6燃烧产物理论湿烟气体积(湿烟气)V0wyV0N2+V0RO2+V0H2O+V0NO+V0HCL2.9190Nm3/kg7实际燃烧产体积(干烟气)VdgV0dg+(α-1)*V03.3100Nm3/kg8实际水蒸汽容积VH2OV0H2O+0.016*(α-1)*V00.9705Nm3/kg9实际燃烧产体积(湿烟气)Va.wgVdg+VH2O4.2806Nm3/kg10HCL含量估算V0HCL0.631*Clar/1000.0029Nm3/kg(三)燃烧产物实际体积1当地大气压Pd0.1MPa2气压修正系数Mp0.101325/Pd1.01MPa一焚烧炉出口烟气量1炉排漏风系数αpy1不计入炉膛出口过剩空气计算0.022炉膛漏风系数αpy2不计入炉膛出口过剩空气计算0.023炉膛出口烟气温度TGT950℃4炉膛出口燃烧产物的体积(标态、湿烟气)VpydwVa.wg4.28Nm...

1、当您付费下载文档后,您只拥有了使用权限,并不意味着购买了版权,文档只能用于自身使用,不得用于其他商业用途(如 [转卖]进行直接盈利或[编辑后售卖]进行间接盈利)。
2、本站所有内容均由合作方或网友上传,本站不对文档的完整性、权威性及其观点立场正确性做任何保证或承诺!文档内容仅供研究参考,付费前请自行鉴别。
3、如文档内容存在违规,或者侵犯商业秘密、侵犯著作权等,请点击“违规举报”。

碎片内容

生活垃圾焚烧发电厂燃烧和汽水系统平衡计算与工程计算表

您可能关注的文档

小辰4+ 关注
实名认证
内容提供者

出售各种资料和文档

确认删除?
VIP
微信客服
  • 扫码咨询
会员Q群
  • 会员专属群点击这里加入QQ群
客服邮箱
回到顶部