电脑桌面
添加小米粒文库到电脑桌面
安装后可以在桌面快捷访问

危险废物年管理计划

危险废物年管理计划_第1页
1/15
危险废物年管理计划_第2页
2/15
危险废物年管理计划_第3页
3/15
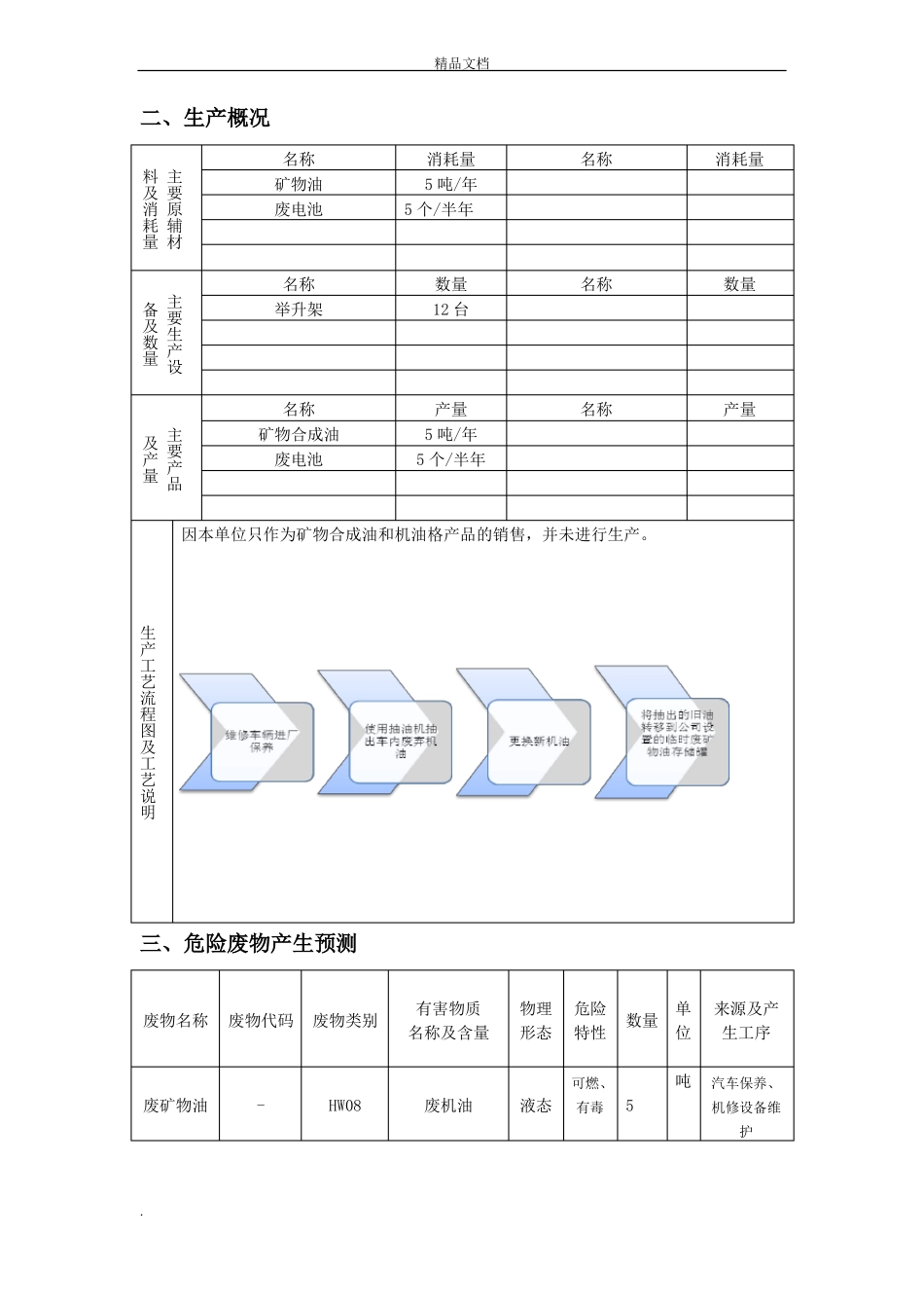
精品文档危险废物管理计划表制定单位(盖章):海南丰众华长安汽车销售有限公司制定日期: 2017 年 1 月 1 日计划期限: 2017年 1 月 1 日至 2017年 12 月 31 日.精品文档一、单位概况单位名称海南丰众华长安汽车销售有限公司单位注册地址海口市南海大道 113 号生产设施地址海口市南海大道 113 号法定代表人或负责人总投资占地面积环保部门负责人联系电话电子信箱单位网址无潘关银2000 万2160 ㎡布仁特古斯66816696注册资金产品销售额职工人数联系人传真电话邮政编码1300 万7007.29 万43车菲菲570000单位业绩本公司主要经营汽车销售、汽车维修、汽车服务,目前处于刚起步阶段。发展规划上年度管理计划执行情况总结.1.进一步提高售前与售后的服务水平。2.在汽车维修方面,提高危险废物的管理和转移,确保危险废物妥善的处置。3.提高汽车维修所产生的污染减少。上年度危险管理依照相关规定执行,并积极配合相关部门和企业进行危险废物的转移和处置,更大的保障了危险废物的对外流失。现阶段逐步完善危险废物的管理,达到国家要求规定。精品文档二、生产概况名称消耗量5 吨/年5 个/半年数量12 台产量5 吨/年5 个/半年名称名称名称消耗量数量产量料及消耗量主要原辅材矿物油废电池名称举升架名称矿物合成油废电池备及数量主及 要产 产量 品生产工艺流程图及工艺说明三、危险废物产生预测废物名称废物代码废物类别有害物质名称及含量物理危险单来源及产数量形态特性位生工序液态有毒5可燃、.主要生产设因本单位只作为矿物合成油和机油格产品的销售,并未进行生产。吨汽车保养、机修设备维护废矿物油-HW08废机油精品文档可燃、50个汽车保养、机修设备维护废电池-HW49废电池固态有毒车辆行驶至公里产生工序主要生产工艺流程图及工艺说明车辆回厂保养更换新机油、机油格废机油保养排放四、企业自建危险废物污染治理设施概况危险废物贮存设施贮存设施名称最大贮存能力贮存计划贮存设施位置图及现状照片危险废物标识设置情况贮存设施存在问题及整改计划废油收集桶 550 升(面积或容积)贮存设施位置贮存容器数量及规格废油回收处1 个 183 升注:以上表格可复制,有多个贮存设施应分别填写。.产生废机油、机油每月 1 次,时间为每月的 1 日至 31 日。在废机油回收处墙上张贴危险废物标识无精品文档危险废物利用处置设施利用处置设施名称总投资设计使用年限上年度处置(利用)量处置(利用)危险废物的名称污染...

1、当您付费下载文档后,您只拥有了使用权限,并不意味着购买了版权,文档只能用于自身使用,不得用于其他商业用途(如 [转卖]进行直接盈利或[编辑后售卖]进行间接盈利)。
2、本站所有内容均由合作方或网友上传,本站不对文档的完整性、权威性及其观点立场正确性做任何保证或承诺!文档内容仅供研究参考,付费前请自行鉴别。
3、如文档内容存在违规,或者侵犯商业秘密、侵犯著作权等,请点击“违规举报”。

碎片内容

危险废物年管理计划

文库当当响+ 关注
实名认证
内容提供者

该用户很懒,什么也没介绍

确认删除?
VIP
微信客服
  • 扫码咨询
会员Q群
  • 会员专属群点击这里加入QQ群
客服邮箱
回到顶部