电脑桌面
添加小米粒文库到电脑桌面
安装后可以在桌面快捷访问

网络综合布线培训教程

网络综合布线培训教程_第1页
1/35
网络综合布线培训教程_第2页
2/35
网络综合布线培训教程_第3页
3/35
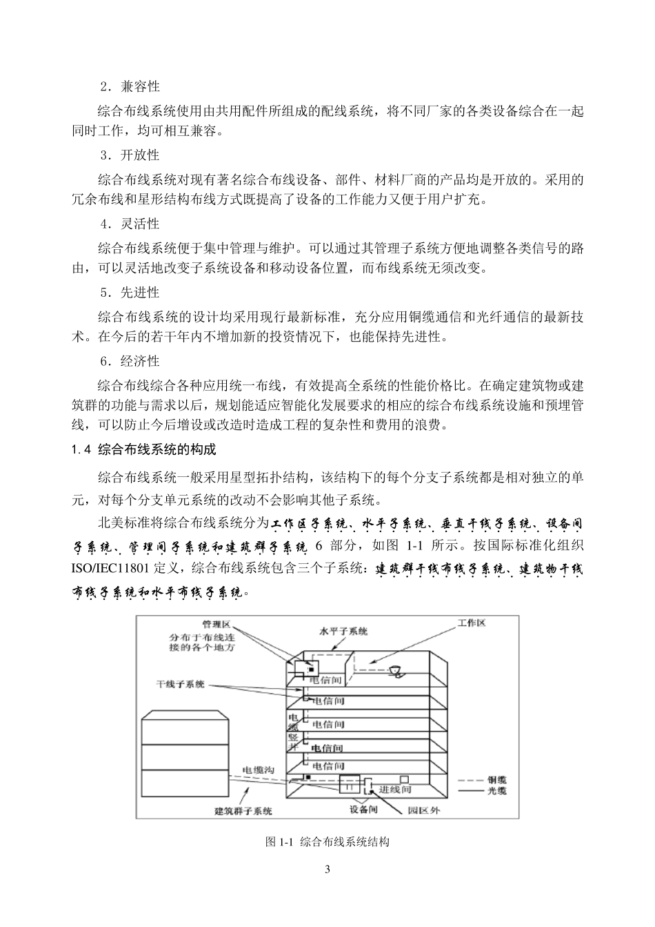
1 网 络 综 合 布 线 技 术 培 训 讲 义 主 编 胡 云 重 庆 电 子 工 程 职 业学院 2015 年 9 月 2 第1 章 网络综合布线概述 1.1 网络综合布线概念 随着城市建设及信息通信事业的发展,各机关、企业、校园、住宅区的建筑或建筑群(商住楼、办公楼、综合楼及各类园区等)的语音、数据、图像及多媒体业务综合网络的建设都要求按照国家标准进行综合布线。现代智能建筑的各种智能化建设,需要综合布线系统作为基础,综合布线系统有着广阔的使用前景。 综合布线系统的定义是:“用 通 信 电 缆 、 光 缆 及 有 关 连 接 硬 件 构 成 的 通 用 布 线 系.......................统 ,..它 能 支 持 多 种 应 用 系 统..........”。 综合布线系统综合了通信网络、信息网络及控制网络,为建筑或建筑群内部语音信号、数据信号、图像信号与监控信号提供传输通道,支持多种应用系统的使用,并能实现与外部信号传输通道的连接。 网 络 综 合 布 线 是 指 按 综 合 布 线 的 规 范 进 行 的 计 算 机 网 络 布 线 规 范............................。 综合布线系统由不同系列和规格的部件组成,包括:线缆传输介质、相关连接硬件(如配线架、连接器、插座、插头、适配器)、线缆保护管槽以及电气保护设备等。 1.2 现行综合布线的国家标准 综合布线技术在国外率先形成与发展,其规范也逐渐修改完善 ,形成综合布线的国际标准。一 般 来 讲 ,经 过 几 年 的积 累 ,通信应用领 域 的技术进步 使得 原 先的布线标准将 出 现大 量 的增 补 内容 (附 录 )。通过 重 新 修订 ,可 以将 增 补 内容 融 入 到 一 个 新 的标准文 件中 去 ,同时 在新 的标准中 也可 提出 其他 值 得 考 虑 的先进技术。 目 前,用于 综合布线的国外标准是: (1)ISO/IEC 11801-2002 系列标准; (2)北 美 布线系列标准TIA-568-C。 我 国对 建筑物 综合布线系统工 程 参 考 国外的标准,也制定了相应的国家标准。现行国家标准是: (1)《 综合布线系统工 程 设计 规范》..............(GB50311........-.2007)..... (2)《 综..合布线系统工 程 验 收 规范》............(GB...

1、当您付费下载文档后,您只拥有了使用权限,并不意味着购买了版权,文档只能用于自身使用,不得用于其他商业用途(如 [转卖]进行直接盈利或[编辑后售卖]进行间接盈利)。
2、本站所有内容均由合作方或网友上传,本站不对文档的完整性、权威性及其观点立场正确性做任何保证或承诺!文档内容仅供研究参考,付费前请自行鉴别。
3、如文档内容存在违规,或者侵犯商业秘密、侵犯著作权等,请点击“违规举报”。

碎片内容

网络综合布线培训教程

您可能关注的文档

确认删除?
VIP
微信客服
  • 扫码咨询
会员Q群
  • 会员专属群点击这里加入QQ群
客服邮箱
回到顶部