电脑桌面
添加小米粒文库到电脑桌面
安装后可以在桌面快捷访问

均压环安装技术交底

均压环安装技术交底_第1页
1/7
均压环安装技术交底_第2页
2/7
均压环安装技术交底_第3页
3/7
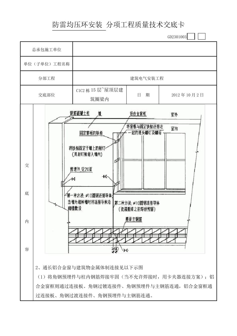
防雷均压环安装 分项工程质量技术交底卡 GD2301003总承包施工单位单位(子单位)工程名称分部工程C1C2 栋 15 层~屋顶层建交底部位日期2012 年 10 月 2 日建筑电气安装工程筑圈梁内交底内容交底内容:(一)图纸设计按本工程设计说明别墅、高层住宅楼防雷等级分别为三类和二类保护,高层住宅楼在 45 米以上每层设置均压环,即 15~25 层、屋顶层将建筑物外侧圈梁上部两条主筋通长焊接,并与所经的引下线连通形成闭合通路 (即均压环)。每层外墙上的栏杆、金属门窗、幕墙支架等较大的金属物与均压环连接(第一构件不少于两处)。(二)规范要求建筑电气工程施工质量验收规范 GB50303-2002需等电位联接的可接近裸露导体或其他金属部件、构件与支线连接应可靠,熔焊、钎焊或机械坚固应导通正常。(三)施工方法1、铝合金门窗与建筑物金属体连接见下图(1)端子板预埋及连接导体在窗框定位后,墙面装饰层或抹灰层施工之前暗敷。(2)连接导体应紧贴墙面敷设;需要时,采用粘贴剂粘贴于墙上。(3)在进行将连接导体焊接到固定铁板上时,应用耐火材料局部盖住铝合金窗框,以免焊弧损伤窗框。(4)当柱体采用钢柱时,将连接导体的一端直接焊于钢柱上。防雷均压环安装 分项工程质量技术交底卡 GD2301003总承包施工单位单位(子单位)工程名称分部工程C1C2 栋 15 层~屋顶层建交底部位日期2012 年 10 月 2 日建筑电气安装工程筑圈梁内交底内容2、通长铝合金窗与建筑物金属体制连接见以下示图(1)将角钢预埋件与柱内钢筋焊接牢固(当不允许焊接时,用卡夹器连接方案);铝合金窗框则通过连接板、角钢过镀连接件、角钢预埋件与主钢筋连通,铝合金窗框通过连接板、角钢过渡连接件、角钢预埋件与主钢筋连通。防雷均压环安装 分项工程质量技术交底卡 GD2301003总承包施工单位单位(子单位)工程名称分部工程C1C2 栋 15 层~屋顶层建交底部位日期2012 年 10 月 2 日建筑电气安装工程筑圈梁内交底内容(2)本图角钢预埋件为安装铝合金窗所需,其尺寸、位置和件数由土建设计制造厂决定,角钢过渡连接件和连接板由厂方供给。(3)当柱体采用钢柱时,奖角钢过渡连接件直接焊于钢柱上。防雷均压环安装 分项工程质量技术交底卡 GD2301003总承包施工单位单位(子单位)工程名称分部工程C1C2 栋 15 层~屋顶层建交底部位日期2012 年 10 月 2 日建筑电气安装工程筑圈梁内3、金属栏杆与建筑物金属体制连接见以下示图防雷均压环安装...

1、当您付费下载文档后,您只拥有了使用权限,并不意味着购买了版权,文档只能用于自身使用,不得用于其他商业用途(如 [转卖]进行直接盈利或[编辑后售卖]进行间接盈利)。
2、本站所有内容均由合作方或网友上传,本站不对文档的完整性、权威性及其观点立场正确性做任何保证或承诺!文档内容仅供研究参考,付费前请自行鉴别。
3、如文档内容存在违规,或者侵犯商业秘密、侵犯著作权等,请点击“违规举报”。

碎片内容

均压环安装技术交底

您可能关注的文档

确认删除?
VIP
微信客服
  • 扫码咨询
会员Q群
  • 会员专属群点击这里加入QQ群
客服邮箱
回到顶部