电脑桌面
添加小米粒文库到电脑桌面
安装后可以在桌面快捷访问

塔吊基础施工方案打桩-副本

塔吊基础施工方案打桩-副本_第1页
1/12
塔吊基础施工方案打桩-副本_第2页
2/12
塔吊基础施工方案打桩-副本_第3页
3/12
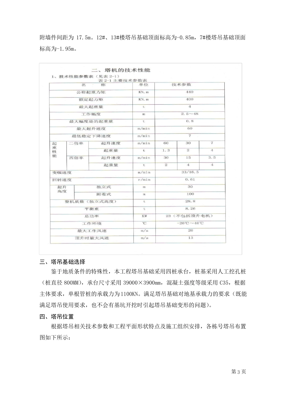
目录一、工程概况 ................................................................................................................................................ 2二、塔吊参数 ................................................................................................................................................ 2三、塔吊基础选择 ........................................................................................................................................ 3四、塔吊位置 ................................................................................................................................................ 3五、塔基施工 ................................................................................................................................................ 6六、塔吊基础设计计算 ................................................................................................................................ 67. 安全措施................................................................................................................................................. 11第页1一、工程概况1.1 工程概况序号123456788项目工程名称建设单位设计单位监理单位勘察单位施工单位工程地点建设规模结构型式内容红星滨海社区项目 25#地块大连明远置业有限公司大连建筑设计研究所有限公司大连金建建设监理有限公司大连金州辽南地矿工程勘测院远洋国际建设有限公司大连金州新区红星渔村69495 ㎡框架剪力墙结构1.2 工程总体简介25#地工程规模 :总建筑面积约 69495 平米;具体情况如下:序号1234物业类型双拼叠拼洋房商墅合计建筑面积(平米)3353430597476859669495层数备注其中地下室(半地下)部分3 层/-1 层 约 10503m2其中地下室(半地下)部分6 层/-1 层 约 3720m2其中一层为商业(底商),10 层/-1 层半地下为物业及设备用房,2-10 层为住宅即双拼别墅,其中地下室3 层/-1 层 (半地下)部分约 183m2二、塔吊参数工作幅度 40m,塔身标准节尺寸为 1.42m×1.42m×2.5m,平衡臂长为 10.5m,第页2附墙件间距为 17.5m。12#、13#楼塔吊基础顶面标高为-0.85m,7#楼塔吊基础顶面标高为-1.95m。三、塔吊...

1、当您付费下载文档后,您只拥有了使用权限,并不意味着购买了版权,文档只能用于自身使用,不得用于其他商业用途(如 [转卖]进行直接盈利或[编辑后售卖]进行间接盈利)。
2、本站所有内容均由合作方或网友上传,本站不对文档的完整性、权威性及其观点立场正确性做任何保证或承诺!文档内容仅供研究参考,付费前请自行鉴别。
3、如文档内容存在违规,或者侵犯商业秘密、侵犯著作权等,请点击“违规举报”。

碎片内容

塔吊基础施工方案打桩-副本

爱的疯狂+ 关注
实名认证
内容提供者

该用户很懒,什么也没介绍

确认删除?
VIP
微信客服
  • 扫码咨询
会员Q群
  • 会员专属群点击这里加入QQ群
客服邮箱
回到顶部