电脑桌面
添加小米粒文库到电脑桌面
安装后可以在桌面快捷访问

墙地砖铺贴施工方案

墙地砖铺贴施工方案_第1页
1/11
墙地砖铺贴施工方案_第2页
2/11
墙地砖铺贴施工方案_第3页
3/11
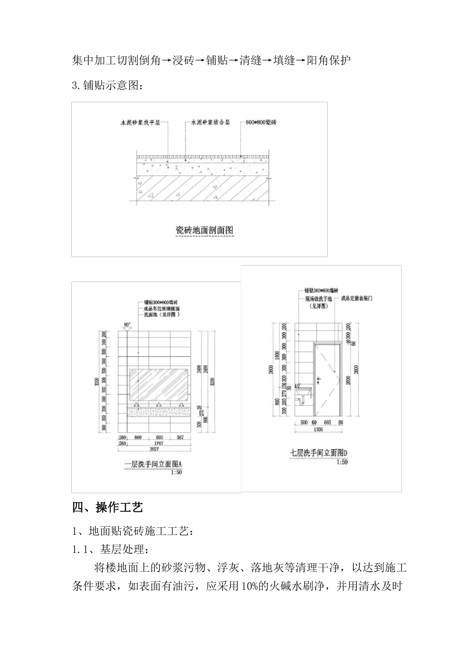
墙地砖铺贴施工方案一、 本工程施工内容简介:本工程室内地面采用800*800 的地砖,卫生间墙砖采用300*600,卫生间地砖采用 300*300,其中还有零星的过门石、波打线以及石材地面、台阶面二、材料准备1、 材料进场报验要严格把关:其品种、规格、外观、尺寸必须符合设计要求;必须包装完好;材料进场合格证、材料检测报告、材料质量保证书、使用说明书齐全;2、材料进场要严格按材料样板和封样核对验收。3、进场材料未经检验合格并签认,不能在工程上使用,且必须立即清除出施工现场,另行存放。二、施工机具准备中型石材切割机、砂灰拌制盘、瓷砖运输专用车、泥桶、砂灰搅拌器、手推车、铁锹、靠尺、浆壶、水桶、喷壶、铁抹子、木抹子、墨斗、钢卷尺、尼龙线、橡皮锤(或木锤)、铁水平尺、弯角方尺、钢錾子、合金钢扁錾子、台钻、合金钢钻头、笤帚、砂轮锯、钢丝刷。三、工艺流程1、 地砖:清扫整理基层地面→水泥砂浆找平→定标高、弹线→安装标准块→选料→浸润→铺贴→灌鏠→清洁→养护→成品保护2、墙砖:贴砖前检查原墙面空鼓→修补空鼓→砖排版→弹线放样→集中加工切割倒角→浸砖→铺贴→清缝→填缝→阳角保护3.铺贴示意图:四、操作工艺1、地面贴瓷砖施工工艺:1.1、基层处理:将楼地面上的砂浆污物、浮灰、落地灰等清理干净,以达到施工条件要求,如表面有油污,应采用 10%的火碱水刷净,并用清水及时将碱液冲去。考虑到装饰层与基层结合力,在正式施工前用少许清水湿润地面,用素水泥浆做结合层一道。1.2、弹线:施工前在墙体四周弹出标高控制线(依据墙上 50 线),在地面弹出十字线,以控制地砖分隔尺寸。找出面层的标高控制点,注意与各相关部位标高控制一致。1.3、预铺:首先应在图纸设计要求的基础上,对地砖的色彩、纹理、表面平整等进行严格的挑选,依据现场弹出的控制线和图纸要求进行预铺。对于预铺中可能出现的尺寸、色彩、纹理误差等进行调整交换,直至达到最佳效果,按铺贴顺序堆放整齐备用,一般要求不能出现破损或者小于半块砖,昼将把半砖排到非正视面。1.4、铺贴:地砖铺设采用 1:4 或 1:3 干硬性水泥砂浆粘贴(砂浆干硬程度以手捏成团不松散为宜),砂浆厚度控制在 20-30mm 左右。在干硬性水泥砂浆上撒素水泥,并洒适量清水。将地砖按照要求放在水泥砂浆上,用橡皮锤轻轻敲击地砖饰面直至密实平整达到要求;根据水平线用铝合金水平尺找平,铺完第一块后向两侧或后退方向;顺序镶铺。砖缝无设计要求时一...

1、当您付费下载文档后,您只拥有了使用权限,并不意味着购买了版权,文档只能用于自身使用,不得用于其他商业用途(如 [转卖]进行直接盈利或[编辑后售卖]进行间接盈利)。
2、本站所有内容均由合作方或网友上传,本站不对文档的完整性、权威性及其观点立场正确性做任何保证或承诺!文档内容仅供研究参考,付费前请自行鉴别。
3、如文档内容存在违规,或者侵犯商业秘密、侵犯著作权等,请点击“违规举报”。

碎片内容

墙地砖铺贴施工方案

确认删除?
VIP
微信客服
  • 扫码咨询
会员Q群
  • 会员专属群点击这里加入QQ群
客服邮箱
回到顶部