电脑桌面
添加小米粒文库到电脑桌面
安装后可以在桌面快捷访问

外墙保温技术交底46668

外墙保温技术交底46668_第1页
1/10
外墙保温技术交底46668_第2页
2/10
外墙保温技术交底46668_第3页
3/10
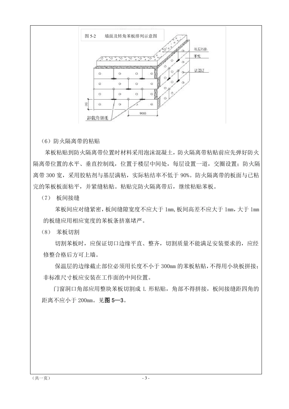
技 术 交 底 记 录工程名称工程编号1、材料准备根据图纸设计要求,本项目选用 200 厚、100 厚、70 厚、50 厚和 30 厚等规格的阻燃性苯板,燃烧性能为B1 级,密度不小于22kg/m3,其余各项指标均需满足设计要求。防火隔离带采用 100 厚、300mm 高泡沫混凝土,燃烧性能为 A 级,密度不小于 120kg/m3。保温面层加强网,边角部位、面层部位的外墙均采用耐碱玻纤网。苯板钉栓直径不小于 8mm,长度不小于板厚加 40mm。2、施工条件1)施工操作的工作环境及完工后 24h 内的环境温度应高于 5℃,大风及雨天严禁施工。2)施工面应避免阳光直射,必要时在脚手架上搭设防晒布,遮挡施工墙面。3)保温层施工时,如墙体干燥,应在施工前 1—2 小时洒水或现场掸水、滚刷润湿墙体表面后方可施工。3、苯板抹面外保温工程施工顺序(1) 保温层施工顺序第一步:施工准备外挂吊篮组装→外挂吊篮安装→基层墙面深化处理→墙面吊、弹窗洞口、外墙面出线、防火隔离带位置的水平、垂直控制线。第二步:进行墙面整体 EPS 保温板粘贴施工配置粘板胶浆→保温板粘贴、防火隔离带→洞口四角等特殊部位加强玻纤翻包网粘贴→粘贴聚苯板及造型→打磨、修理、隐检→钻孔安装膨胀锚栓→铺设网格布→抹平防护层→细部处理→清理验收4、保温层工程施工控制要点:(1) 弹、挂控制线根据设计要求确定保温层的底标高截止位置,沿建筑物的周边弹好底标高水平基准(共一页)- 1 -道外区团结镇勤劳安置区项目(一期)交底项目交底日期外墙保温2017 年 8 月 27 日线,沿水平基准线安装。在外墙转角(阴、阳角)、窗口、阳台栏板根等部位按全高挂好垂直控制线。(2)配制粘结胶浆(抹面胶浆同)粘结剂与水泥按重量比 1:1 的比例配制,配制时由专人负责,严格计量。采用机械搅拌的方式,搅拌时水泥应一小部分一小部分的加入,确保每一批次加入的水泥搅拌均匀。配制好的粘结胶浆(抹面胶浆)应在阴凉、避风处存放。配制时应随用随配制,用多少配多少,保证一次配制量在初凝前用完,初凝后的胶浆严禁使用。(3)粘贴翻包网格布粘贴苯板前应对保温层的截止部位(如门、窗洞口、管道根或其它设备须穿墙的洞口处、门窗洞口、阳台栏板、雨棚板根部、变形逢、女儿墙等部位)做翻包网格布(采用标准网)处理。粘贴翻包网格布时,在需翻包部位涂抹70mm 宽、2mm 厚的粘结胶浆,迅速将网格布的一端 70 mm 用钢抹压入粘结胶浆内,压至泛出的胶浆盖住网格布无外漏为...

1、当您付费下载文档后,您只拥有了使用权限,并不意味着购买了版权,文档只能用于自身使用,不得用于其他商业用途(如 [转卖]进行直接盈利或[编辑后售卖]进行间接盈利)。
2、本站所有内容均由合作方或网友上传,本站不对文档的完整性、权威性及其观点立场正确性做任何保证或承诺!文档内容仅供研究参考,付费前请自行鉴别。
3、如文档内容存在违规,或者侵犯商业秘密、侵犯著作权等,请点击“违规举报”。

碎片内容

外墙保温技术交底46668

爱的疯狂+ 关注
实名认证
内容提供者

该用户很懒,什么也没介绍

确认删除?
VIP
微信客服
  • 扫码咨询
会员Q群
  • 会员专属群点击这里加入QQ群
客服邮箱
回到顶部