电脑桌面
添加小米粒文库到电脑桌面
安装后可以在桌面快捷访问

500Th软化水处理系统设计方案

500Th软化水处理系统设计方案_第1页
1/10
500Th软化水处理系统设计方案_第2页
2/10
500Th软化水处理系统设计方案_第3页
3/10
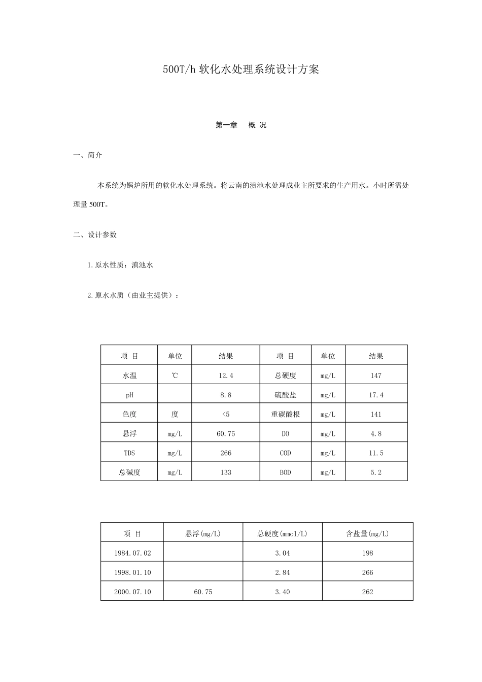
500T/h 软化水处理系统设计方案 第一章 概 况 一、简介 本系统为锅炉所用的软化水处理系统。将云南的滇池水处理成业主所要求的生产用水。小时所需处理量500T。 二、设计参数 1.原水性质:滇池水 2.原水水质(由业主提供): 项 目 单位 结果 项 目 单位 结果 水温 ℃ 12.4 总硬度 mg/L 147 pH 8.8 硫酸盐 mg/L 17.4 色度 度 <5 重碳酸根 mg/L 141 悬浮 mg/L 60.75 DO mg/L 4.8 TDS mg/L 266 COD mg/L 11.5 总碱度 mg/L 133 BOD mg/L 5.2 项 目 悬浮(mg/L) 总硬度(mmol/L) 含盐量(mg/L) 1984.07.02 3.04 198 1998.01.10 2.84 266 2000.07.10 60.75 3.40 262 3.处理水量: Q=500T/h 4.出水水质要求(由业主提供): 处理后水质要求:降浮去藻杀菌,达到生产软水及脱盐水要求,悬浮物<5mg/L 序号 指标名称 单位 数量 1 处理能力 m3/h 500 2 处理质量 悬浮物 mg/L <5 硬度 Mmol/L 2-3 含盐量 mg/L 190-260 浊度 mg/L 2.15 余氯 mg/L 0.3 PH 7.57 三、设计参考标准及规范 1、生活饮用水卫生标准 GB5749-85 2、生活饮用水卫生标准检验法 GB5750-85 3、建筑给水设计规范 GBJ15-88 4、工业用水软化、除盐设计规范 GBJ109-87 5、活性炭净水器 CJ3023-93 第二章 处理工艺 一、处理工艺 根据原水水质条件和最终出水水质要求,本设计对原水处理采取如下步骤: 混凝剂 ↓ 原水 → 原水池 → 原水泵 → 多介质过滤器 → 活性炭过滤器 → 钠离子交换器 → 精密过滤器 → 储水池 调节pH ↑ ↑ 二氧化氯消毒 二、工艺说明 1)加药装置 由于滇池水悬浮物含量较高,所以在水中投加絮凝剂,建议投加聚合氯化铝(PAC) ,PAC 对高浊度、低浊度、低水温、高色度都有较好的混凝效果。它形成的絮凝体快且颗粒大而重,易沉淀,适用的 pH 值范围较宽。投加混凝剂后,水中的杂质通过混凝架桥作用生成胶体并与水中其他胶体颗粒进行吸附,使其絮凝生成胶体较大颗粒沉淀物,然后经后道的多介质过滤器进行过滤,以达到水和颗粒分离的目的。 由于原水的 pH 值偏高,在软化前调节水的 pH 值,以达到出水水质要求。 2)原水多介质过滤器 此设备采用无烟煤、石英砂等作为滤元,利用大孔 隙 的煤层 截 留 绝 大部 分的悬浮性颗粒杂质和胶体杂质,及 水中的部 分铁 杂质,以延 长 过滤周 期 ,底 部 小 粒径 的石...

1、当您付费下载文档后,您只拥有了使用权限,并不意味着购买了版权,文档只能用于自身使用,不得用于其他商业用途(如 [转卖]进行直接盈利或[编辑后售卖]进行间接盈利)。
2、本站所有内容均由合作方或网友上传,本站不对文档的完整性、权威性及其观点立场正确性做任何保证或承诺!文档内容仅供研究参考,付费前请自行鉴别。
3、如文档内容存在违规,或者侵犯商业秘密、侵犯著作权等,请点击“违规举报”。

碎片内容

500Th软化水处理系统设计方案

确认删除?
VIP
微信客服
  • 扫码咨询
会员Q群
  • 会员专属群点击这里加入QQ群
客服邮箱
回到顶部