电脑桌面
添加小米粒文库到电脑桌面
安装后可以在桌面快捷访问

600MW汽轮机汽水热力计算

600MW汽轮机汽水热力计算_第1页
1/16
600MW汽轮机汽水热力计算_第2页
2/16
600MW汽轮机汽水热力计算_第3页
3/16
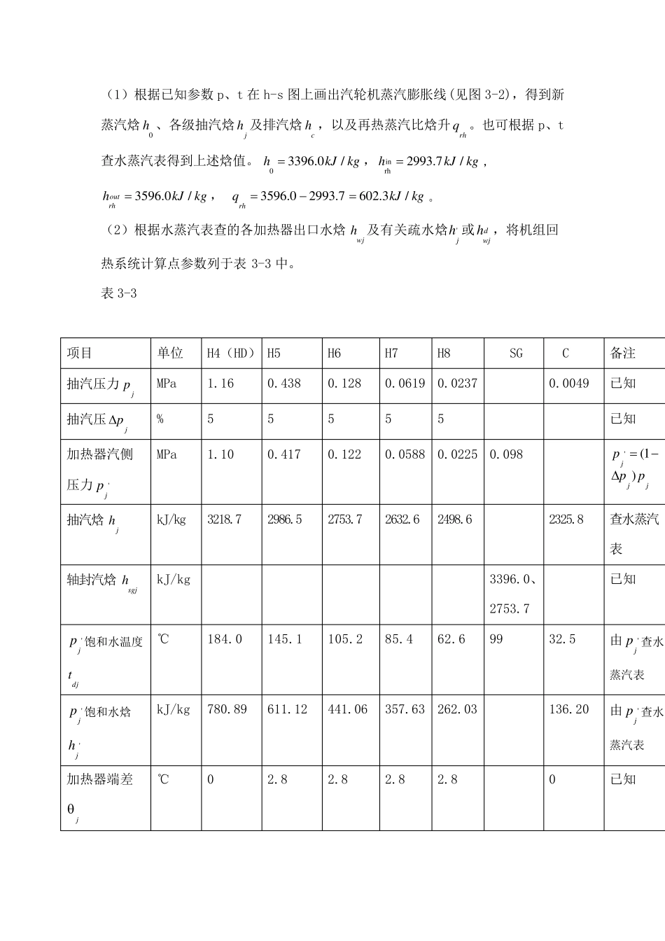
第三章 热力分析 3 .1 汽轮机主要参数 汽轮机类型:600-24.2/566/566 蒸汽初参数 ;02 4 .2pMPa, 05 6 6t .0 ℃ 再热蒸汽参数:冷段压力4 .3 3inrhpMPa,冷段温度3 1 4 .9inrht℃: 热段压力 3 .9 0ou trhpMPa,热段温度5 6 6 .0ou trht℃。 排气压力:0 .0 0 4 9 0cpMPa 。 抽汽及轴封参数见表3-1 和表3 -2 。机械效率、发电机效率分别取为0 .9 9m 、0 .9 8 8g 。 表3 -1 项目 单位 各 段 回 热 抽 汽 参 数 加热器编号 — H1 H2 H3 H4 H5 H6 H7 H8 抽汽压力jp MPa 5.62 4.33 2.31 1.16 0.438 0.128 0.0619 0.0237 抽汽温度jt ℃ 349.2 314.9 483.9 379.6 261.3 139.8 86.8 63.8 表3-2 项 目 单 位 1sg 2sg 3sg 来 源 高压杆漏汽 低压缸后轴封漏汽 高中压缸之间漏汽 轴封汽量sg 0.0006339 0.001038 0.00007958 轴封汽比焓sgh kJ/kg 3396.0 2753.7 2993.7 去 处 H8 SG H2 原则性热力系统图3-1 如下: 图 3-1 3 .2 热平衡法 热平衡式一般有两种写法:一是吸热量=放热量×h ,h 为加热器的效率;另一种方法是流入热量=流出热量。为了在同一系统计算中采用相同的标准,应采用统一的,h 故热平衡式的写法,在同一热力系统计算中也采用同一个方法。 拟定热平衡式时,最好根据需要与简便的原则,选择最合适的热平衡范围。热平衡范围可以是一个加热器或数个加热器,乃至全部加热器,或包括一个水流混合点与加热器组合的整体。 3.2.1 整理原始资料 (1)根据已知参数p、t 在h-s 图上画出汽轮机蒸汽膨胀线(见图3-2),得到新蒸汽焓0h 、各级抽汽焓jh 及排汽焓ch ,以及再热蒸汽比焓升rhq 。也可根据p、t查水蒸汽表得到上述焓值。03396.0/hkJkg,inrh2993.7/hkJkg,3596.0/outrhhkJkg, 3596.02993.7602.3/rhqkJkg。 (2)根据水蒸汽表查的各加热器出口水焓w jh 及有关疏水焓'jh 或dw jh ,将机组回热系统计算点参数列于表3-3 中。 表3-3 项目 单位 H4(HD) H5 H6 H7 H8 SG C 备注 抽汽压力jp MPa 1.16 0.438 0.128 0.0619 0.0237 0.0049 已知 抽汽压jp % 5 5 5 5 5 已知 加热器汽侧压力'jp MPa 1.10 0.417 0.122 0.0588 0.0225 0.098 '(1)jjjppp 抽汽焓jh kJ/kg 3218.7 2986.5 2753.7 2632.6 2...

1、当您付费下载文档后,您只拥有了使用权限,并不意味着购买了版权,文档只能用于自身使用,不得用于其他商业用途(如 [转卖]进行直接盈利或[编辑后售卖]进行间接盈利)。
2、本站所有内容均由合作方或网友上传,本站不对文档的完整性、权威性及其观点立场正确性做任何保证或承诺!文档内容仅供研究参考,付费前请自行鉴别。
3、如文档内容存在违规,或者侵犯商业秘密、侵犯著作权等,请点击“违规举报”。

碎片内容

600MW汽轮机汽水热力计算

小辰8+ 关注
实名认证
内容提供者

出售各种资料和文档

确认删除?
VIP
微信客服
  • 扫码咨询
会员Q群
  • 会员专属群点击这里加入QQ群
客服邮箱
回到顶部