电脑桌面
添加小米粒文库到电脑桌面
安装后可以在桌面快捷访问

7SIEMENS802D系统编程11VIP专享

7SIEMENS802D系统编程11_第1页
1/43
7SIEMENS802D系统编程11_第2页
2/43
7SIEMENS802D系统编程11_第3页
3/43
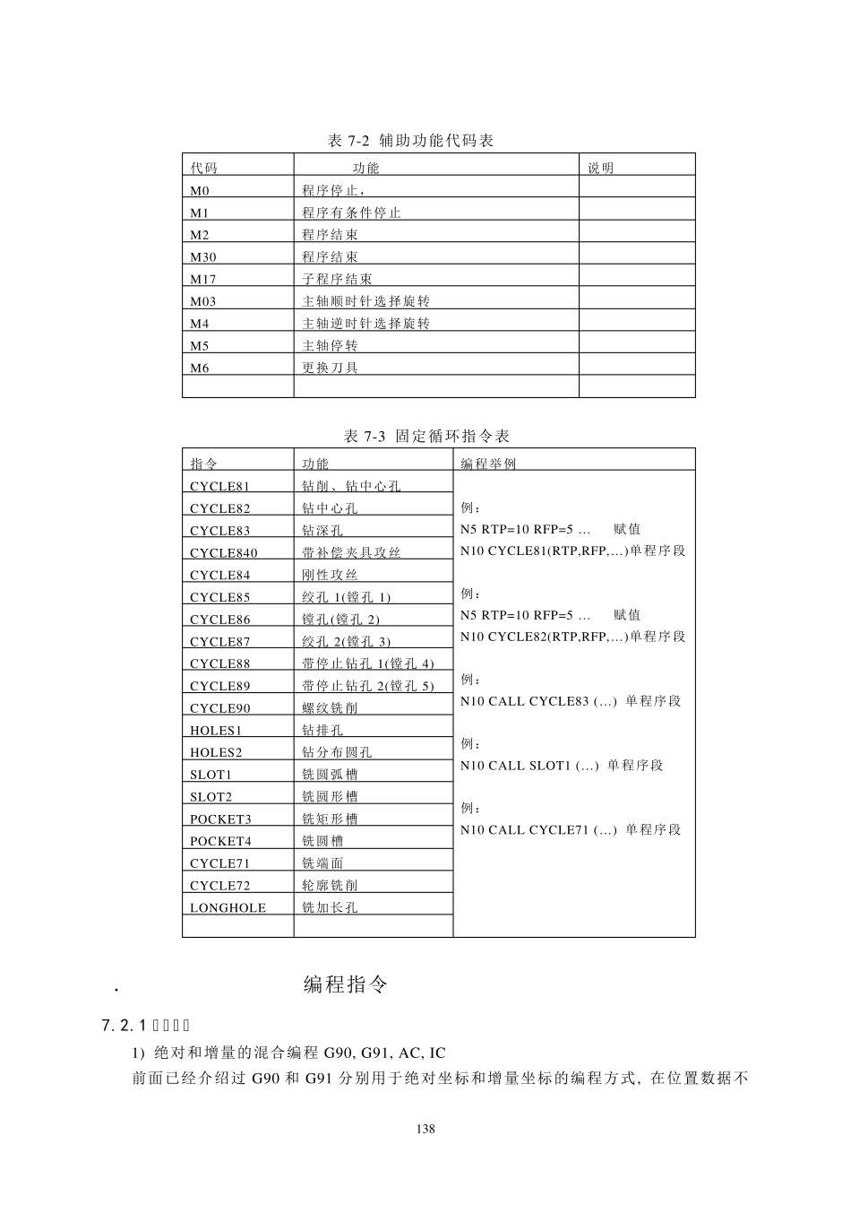
136 7 SIEMENS 802D 系统编程方法 前一章介绍了数控铣削编程的基本知识,本节就SIEMENS 802D 系统的编程特点和方法进行介绍。 7.1 指令代码 表7-1 准备功能指令代码表 代码 功能 说明 G0 快速移动 运动指令,模态有效 G1* 直线插补 同上 G2 顺时针圆弧插补 同上 G3 逆时针圆弧插补 同上 CIP 中间点圆弧插补 G33 恒螺距的螺纹切削 模态有效 G331 螺纹插补 程序段方式有效 G332 不带补偿夹具切削内螺纹 同上 CT 带切线过渡的圆弧插补 程序段方式有效 G4 暂停时间 同上 G63 带补偿夹具攻丝 同上 G74 回参考点 同上 G75 回固定点 同上 G147 SAR—沿直线切向进给 同上 G148 SAR—沿直线切向退出 同上 G247 SAR—沿四分之一切向进给 同上 G248 SAR—沿四分之一切向退出 同上 G347 SAR—沿半圆切向进给 同上 G348 SAR—沿半圆切向退出 同上 TRANS 可编程偏置(写存储器) 单程序段有效 ROT 可编程旋转 同上 SCALE 可编程比例系数 同上 MIRROR 可编程镜像 同上 ATRANS 附加的可编程偏置 同上 AROT 附加的可编程旋转 同上 ASCALE 附加的可编程比例系数 同上 AMIRROR 附加的可编程镜像 同上 G25 主轴转速下限或工作区下限 同上 G26 主轴转速上限或工作区上限 同上 G110 定义极点, 相对于上次编程的设定位置 同上 G111 定义极点, 相对于当前工件坐标系的零点 同上 G112 定义极点, 相对于上次有效的极点 同上 1 3 7 续前表 G17* X/Y平面 平面选择, 模态有效 G18 Z/X平面 G19 Y/Z平面 G40* 取消刀补 刀具补偿 模态有效 G41 刀具半径左补 G42 刀具半径右补 G500* 取消可设定零点偏置 零点偏置 模态有效 G54 零点偏置 G55 零点偏置 G56 零点偏置 G57 零点偏置 G58 零点偏置 G59 零点偏置 G53 按程序段方式取消可设定零点偏置 可取消设定零点偏置 程序段方式有效 G153 按程序段方式取消可设定零点偏置, 包括基本偏置 G60* 准确定位 定位性能 模态有效 G64 连续路径方式 G9 准确定位,单程序段有效 程序段有效 G601* 在G60,G9方式下精准确定位 准停窗口 模态有效 G602 在G60,G9方式下精准确定位 G70 英制 模态有效 G71* 公制 G700 英制,也用于进给率 F G710* 公制,也用于进给率 F G90* 绝对值坐标 模态有效 G91 增量值坐标 G94 进给率 F,毫米/分 模态有效...

1、当您付费下载文档后,您只拥有了使用权限,并不意味着购买了版权,文档只能用于自身使用,不得用于其他商业用途(如 [转卖]进行直接盈利或[编辑后售卖]进行间接盈利)。
2、本站所有内容均由合作方或网友上传,本站不对文档的完整性、权威性及其观点立场正确性做任何保证或承诺!文档内容仅供研究参考,付费前请自行鉴别。
3、如文档内容存在违规,或者侵犯商业秘密、侵犯著作权等,请点击“违规举报”。

碎片内容

7SIEMENS802D系统编程11

确认删除?
VIP
微信客服
  • 扫码咨询
会员Q群
  • 会员专属群点击这里加入QQ群
客服邮箱
回到顶部