电脑桌面
添加小米粒文库到电脑桌面
安装后可以在桌面快捷访问

学习任务划规制作工作VIP专享

学习任务划规制作工作_第1页
1/22
学习任务划规制作工作_第2页
2/22
学习任务划规制作工作_第3页
3/22
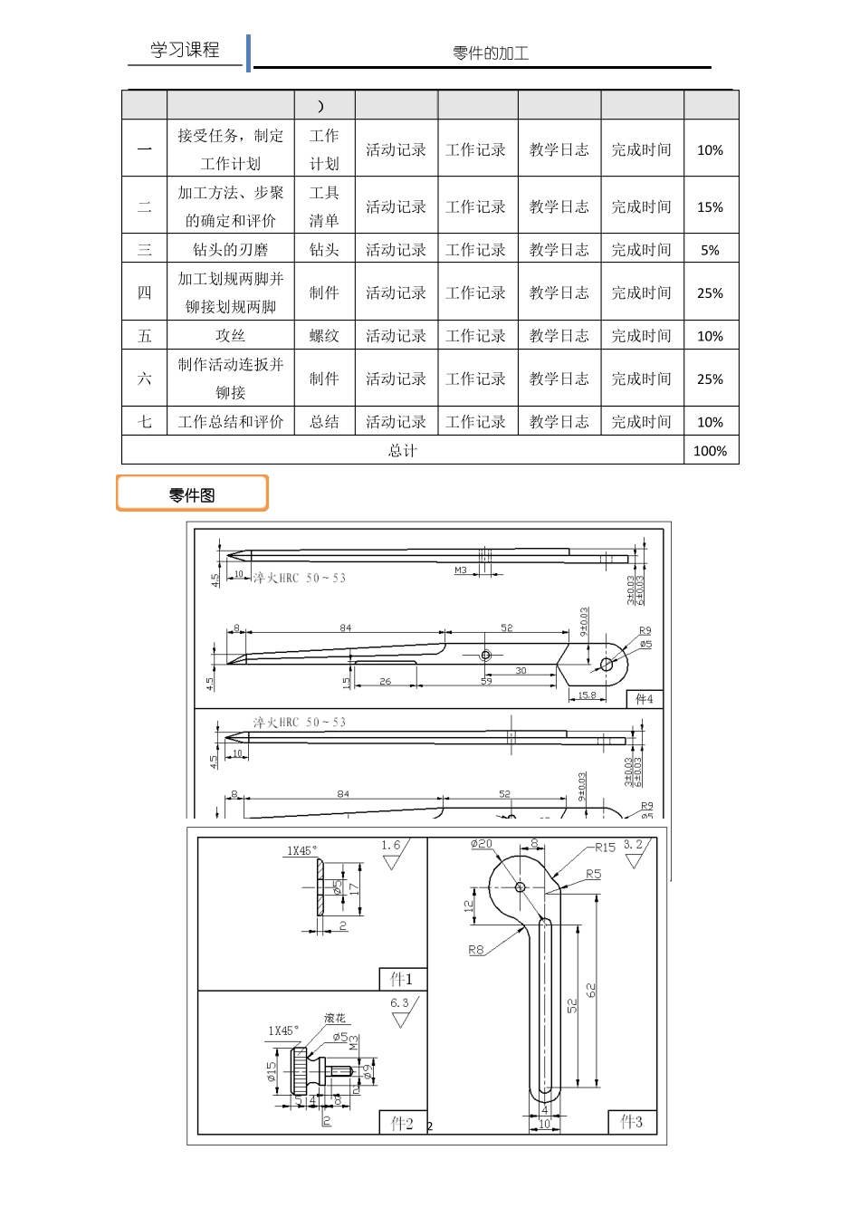
学习课程零件的加工任务三制作划规学习目标能接受划规制作任务,明确加工工期、加工要求,服从工作安排。能正确识读划规加工图样,说出划规各部分加工所需达到的极限尺寸、极限偏差、材料、表面质量要求及划规的结构特点。能对照划规加工图样,看懂划规加工工艺步聚,确定加工方法。能按加工工艺步聚完成划规各部分的加工并进行组装。能按检测要求,正确选用量具,并进行检测。能撰写工作总结,采用多种形式进行成果展示。建议课时标40 课时工作流程与活动教学活动一:接受工作任务、明确工作要求(2 课时)教学活动二:加工方法、步聚的确定和评价(2 课时)教学活动三:钻头的刃磨(6 课时)教学活动四:加工划规两脚并铆接划规左右两脚(20 课时)教学活动五:攻丝(6 课时)教学活动六:制作活动连扳并铆接(2 课时)教学活动七:工作总结和评价(2 课时)学习任务描述学生从教师处接受任务,识读划规制作图样,获取划规的结构特点、尺寸要求等有效信息,按照加工工艺步聚,独立利用划针、钢直尺、高度尺等划线工具划出加工界线,采用锯削、锉削、钻孔、铆接、攻丝等加工方法加工出划规。选择符合检测要求的量具对划规进行自检,交检验人员验收合格后,填写工作单,工作完成后按照现场管理规范清理场地、归置物品,并按照环保规定处置废弃物。任务评价评价内容序号教学活动活动成果(40%参与度(10%)安全生产(20%)劳动纪律(20%)工作效率(10%)权重1学习课程)零件的加工一接受任务,制定工作计划加工方法、步聚的确定和评价钻头的刃磨加工划规两脚并铆接划规两脚攻丝制作活动连扳并铆接工作总结和评价工作计划工具清单钻头制件螺纹制件总结活动记录工作记录教学日志完成时间10%二三四五六七活动记录活动记录活动记录活动记录活动记录活动记录总计工作记录工作记录工作记录工作记录工作记录工作记录教学日志教学日志教学日志教学日志教学日志教学日志完成时间完成时间完成时间完成时间完成时间完成时间15%5%25%10%25%10%100%零件图2学习课程零件的加工加工工艺步骤划规工艺步骤卡序号1工步名称检查设备名称设备型号工具编号工具名称手锤、钢板尺锉刀、游标卡尺高度游标卡3划线尺、V 型铁、划线划针、钢板尺4锉配工序内容对两划规脚毛坯作形状及尺寸检查,并进行矫正加工两划规脚外平面及内侧平面单位工时备注2粗锉5钻攻台虎钳、钻床Z516-1台钻锉刀、角度样板两划规脚角度锉配锉刀、钻头、 加工¢5mm 孔,两脚合并...

1、当您付费下载文档后,您只拥有了使用权限,并不意味着购买了版权,文档只能用于自身使用,不得用于其他商业用途(如 [转卖]进行直接盈利或[编辑后售卖]进行间接盈利)。
2、本站所有内容均由合作方或网友上传,本站不对文档的完整性、权威性及其观点立场正确性做任何保证或承诺!文档内容仅供研究参考,付费前请自行鉴别。
3、如文档内容存在违规,或者侵犯商业秘密、侵犯著作权等,请点击“违规举报”。

碎片内容

学习任务划规制作工作

确认删除?
VIP
微信客服
  • 扫码咨询
会员Q群
  • 会员专属群点击这里加入QQ群
客服邮箱
回到顶部