电脑桌面
添加小米粒文库到电脑桌面
安装后可以在桌面快捷访问

92016年全国职业院校技能大赛建筑CAD识图试卷

92016年全国职业院校技能大赛建筑CAD识图试卷_第1页
1/12
92016年全国职业院校技能大赛建筑CAD识图试卷_第2页
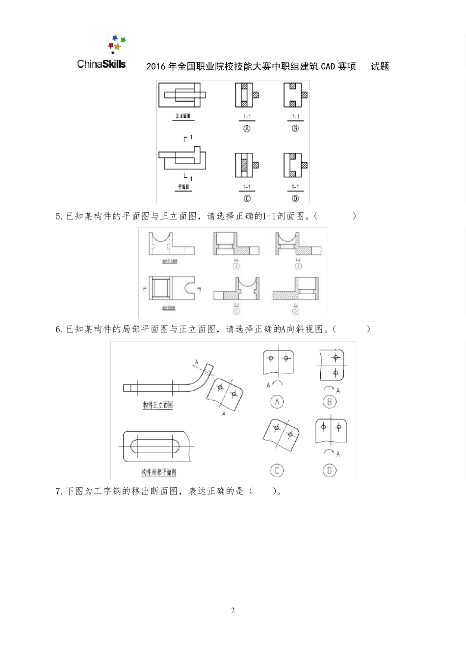
2/12
92016年全国职业院校技能大赛建筑CAD识图试卷_第3页
3/12
2016 年全国职业院校技能大赛中职组建筑 CAD 赛项 试题 1 2016年全国职业院校技能大赛中职组建筑CAD赛项 “建筑施工图识图与理论”环节试题 1.根据所给构件正立面图和左侧立面图,选择正确的平面图。( ) 2.根据所给构件的左侧立面图和平面图,选择正确的正立面图。( ) 3.根据所给构件正立面图和左侧立面图,选择正确的平面图。( ) 4.已知某构件的正立面图和平面图,请选择正确的1-1剖面图。( ) 2016 年全国职业院校技能大赛中职组建筑 CAD 赛项 试题 2 5.已知某构件的平面图与正立面图,请选择正确的1-1剖面图。( ) 6.已知某构件的局部平面图与正立面图,请选择正确的A向斜视图。( ) 7.下图为工字钢的移出断面图,表达正确的是( )。 2016 年全国职业院校技能大赛中职组建筑 CAD 赛项 试题 3 8.请选择总平面图中尺寸标注正确的选项:。 ( ) 9.请选择图中标高符号标注规范的选项。( ) 2016 年全国职业院校技能大赛中职组建筑 CAD 赛项 试题 4 10.下图表示哪一种图例。( ) 11.基础埋深合理的是( )。 12.请选择图中截面附合构造要求的混凝土基础。( ) 2016 年全国职业院校技能大赛中职组建筑 CAD 赛项 试题 5 13.以下明沟构造表达有误的是( )。 14.图中构造柱的马牙槎构造错误的是( )。 2016 年全国职业院校技能大赛中职组建筑 CAD 赛项 试题 6 15.下列图示中属于凹阳台的是( )。 16.图示为一梁板式雨篷的1-1 剖面图,请问图示中的Ⅰ;Ⅱ分别代表( )。 A.水舌;淌水 B. 排水;流水 C.水舌;滴水 D.排水;滴水 17.某建筑物地面为水泥混凝土防水地面,构造做法见图中表格,请选择地面构造简图正确的一项。( ) 2016 年全国职业院校技能大赛中职组建筑 CAD 赛项 试题 7 18.以下楼梯剖面中,( )所示为梁板式楼梯中的暗步楼梯。 19.下图为某建筑二层安全疏散楼梯平面图,其安全疏散设计合理的是( )。。 20.下图中楼梯入口净高设置合理的是( )。 2016 年全国职业院校技能大赛中职组建筑 CAD 赛项 试题 8 21.黑龙江某街道办事处一层平面图如下,请选择门类型选用不合理的一项是( )。(不考虑门位置和数量设置的合理性) 22.卫生间带百叶门的外立面图,其百叶部分的剖面详图正确的一项是( )。 2016 年全国职业院校技能大赛中职组建筑 CAD 赛项 试题 9 23.下列屋顶最高点标高最高的是( )。 24.屋面坡...

1、当您付费下载文档后,您只拥有了使用权限,并不意味着购买了版权,文档只能用于自身使用,不得用于其他商业用途(如 [转卖]进行直接盈利或[编辑后售卖]进行间接盈利)。
2、本站所有内容均由合作方或网友上传,本站不对文档的完整性、权威性及其观点立场正确性做任何保证或承诺!文档内容仅供研究参考,付费前请自行鉴别。
3、如文档内容存在违规,或者侵犯商业秘密、侵犯著作权等,请点击“违规举报”。

碎片内容

92016年全国职业院校技能大赛建筑CAD识图试卷

您可能关注的文档

确认删除?
VIP
微信客服
  • 扫码咨询
会员Q群
  • 会员专属群点击这里加入QQ群
客服邮箱
回到顶部