电脑桌面
添加小米粒文库到电脑桌面
安装后可以在桌面快捷访问

AC13沥青混凝土上面层施工方案

AC13沥青混凝土上面层施工方案_第1页
1/13
AC13沥青混凝土上面层施工方案_第2页
2/13
AC13沥青混凝土上面层施工方案_第3页
3/13
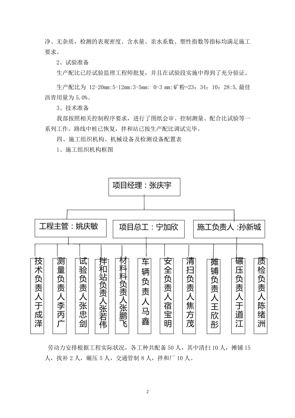
S326 泉王路泉头至昆仑及岭子段路面翻修工程 K0+000-K3+000 AC-13 沥青混凝土上面层 施工方案 S326 泉王路泉头至昆仑及岭子段路面翻修工程 第一合同项目经理部 1 AC-13 沥青砼上面层施工方案 一、工程概况 S326 泉王路泉头至昆仑及岭子段路面翻修工程共分两段实施,泉头至昆仑段起点位于淄川区泉头镇 S235 湖南路交叉口,终点位于昆仑镇 S294 张博附线交叉口,路线长 5.36km;岭子段起点位于岭子镇山水路口,终点位于 S325 胶王路交叉口,路线长 1.101km,翻修路段全长 6.461km。AC-13 沥青混凝土上面层施工路段为泉头至昆仑段(K0+000-K5+360)。 本分项工程 K0+850-K1+800 左幅、湖南路连接线为 SBS 改性 AC-13 沥青混凝土上面层,其余皆为普通 AC-13 沥青混凝土上面层。 二、编制依据 1、本合同段招标文件和施工图纸。 2、现行《公路沥青路面施工技术规范》。 3、与上级主管部门签订的相关合同文件。 4、《路网工程建设精细化管理实施意见》。 5、我公司现已投入工程的施工技术力量和机械设备。 6、我公司以往类似工程经验积累。 三、施工前期准备 1、原材料准备工作 (1)、沥青:本工程沥青采用齐鲁石化公司生产的 70#A 级沥青和山东鲁中公路建设有限公司生产的 SBS(I-D)改性沥青。经抽样试 验各 项指 标符 合JTGF40-2004规范的有关要 求 。进 场 沥青每 车 取 样检 测 三大 指 标(软 化点、针 入度 、延 度 ),试 验检 测 合格 后 方可 卸 入沥青罐 中。 (2)、粗 集 料:集 料采用淄川磁 村 路泉石料厂 生产的石灰 岩 石子,该 厂 规模大 ,生产设备好 ,碎 石规格 齐全,石料洁 净 、干 燥 、无 风 化、无 杂 质 ,经试 验检测 各 项指 标均 符 合相关文件及规范要 求 。进 场 后 每 种 材料分层堆 放 ,避 免 离 析 ,相邻 材料间 采用隔 离 墙 进 行隔 离 ,使 用前发 现局 部离 析 部分采用装 载 机重 新 拌 合方可 供 料。加 强 料堆 卸 料和堆 料的管理,上料时 底 部留 下20cm 暂 不 使 用,以免铲 到 料底 污 染 原材料。 (3)、细集 料:细集 料采用邹 平 产的玄 武 岩 机制砂 ,细集 料洁 净 、坚 硬 、无风 化、无 杂 质 或 其它 有害 的物 质 ,并 有适 当 级配 ,与沥青具 有良 好 的粘 附性。进场 后 检 测 表 观 密 度...

1、当您付费下载文档后,您只拥有了使用权限,并不意味着购买了版权,文档只能用于自身使用,不得用于其他商业用途(如 [转卖]进行直接盈利或[编辑后售卖]进行间接盈利)。
2、本站所有内容均由合作方或网友上传,本站不对文档的完整性、权威性及其观点立场正确性做任何保证或承诺!文档内容仅供研究参考,付费前请自行鉴别。
3、如文档内容存在违规,或者侵犯商业秘密、侵犯著作权等,请点击“违规举报”。

碎片内容

AC13沥青混凝土上面层施工方案

您可能关注的文档

确认删除?
VIP
微信客服
  • 扫码咨询
会员Q群
  • 会员专属群点击这里加入QQ群
客服邮箱
回到顶部