电脑桌面
添加小米粒文库到电脑桌面
安装后可以在桌面快捷访问

AQT70092013机械制造企业安全生产标准化评定标准.

AQT70092013机械制造企业安全生产标准化评定标准._第1页
1/28
AQT70092013机械制造企业安全生产标准化评定标准._第2页
2/28
AQT70092013机械制造企业安全生产标准化评定标准._第3页
3/28
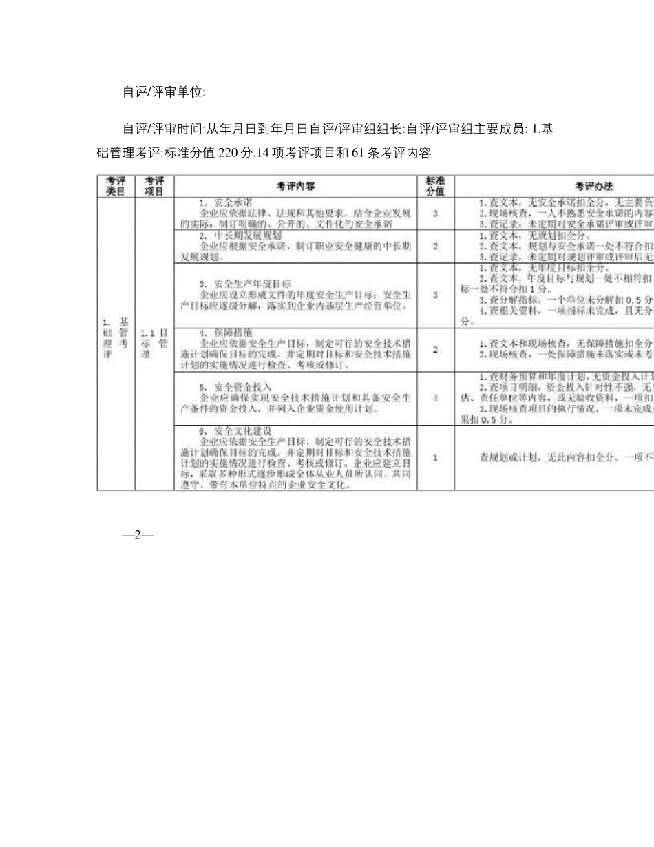
机 械 制 造 企 业 安 全 生 产 标 准 化 评 定 标 准 考 评 说 明 1.本 评 定 标 准 适 用 于 机 械 制 造 企 业 。 2.在 本 评 定 标 准 的 “自 评 /评 审 描 述 ” 列 中 ,企 业 及 评 审 单 位 应 根 据 “考 评 内 容 ” 和“考 评 办 法 ” 的 有 关 要 求 ,针 对 企 业 实 际 情 况 ,如 实 进 行 扣 分 点 说 明 、描 述 ,并在 《自 评扣 分 点 及 原因说 明 汇总表》(见附表中 逐条列 出。 3.本 评 定 标 准 中 累计扣 分 的 ,直到该考 评 内 容 分 数扣 完为止,不得出现负分 。 有需要 追加扣 分 的 ,在 该考 评 类目内 进 行 扣 分 ,也不得出现负分 。 4.本 评 定 标 准 共计 1000 分 。 最终评 审 评 分 换算成百分 制 ,换算公式如 下: 最后得分 采用 四舍五入,取小数点 后一位 数。 5.标 准 化 等级分 为一级、二级和 三级,一级为最高。 评 定 所对 应 的 等级须同时满足评 审 评 分 和 安 全 绩效等要 求 ,取最低的 等级来确定 标 准 化 等级(见下表。 — 1— 机 械 制 造 企 业 安 全 生 产 标 准 化 评 定 标 准 自 评 /评 审 单 位 : 自 评 /评 审 时 间 :从 年 月 日 到 年 月 日 自 评 /评 审 组 组 长 :自 评 /评 审 组 主要成员: 1.基础管理考评 :标准分值 220 分,14 项考评 项目和 61 条考评 内容 —2— —3 — —4 — —5 — 2. 基 础 设 施 安 全 条 件考评:标准分值 610 分,44 项考评项目和 302 条 考评内容

1、当您付费下载文档后,您只拥有了使用权限,并不意味着购买了版权,文档只能用于自身使用,不得用于其他商业用途(如 [转卖]进行直接盈利或[编辑后售卖]进行间接盈利)。
2、本站所有内容均由合作方或网友上传,本站不对文档的完整性、权威性及其观点立场正确性做任何保证或承诺!文档内容仅供研究参考,付费前请自行鉴别。
3、如文档内容存在违规,或者侵犯商业秘密、侵犯著作权等,请点击“违规举报”。

碎片内容

AQT70092013机械制造企业安全生产标准化评定标准.

小辰7+ 关注
实名认证
内容提供者

出售各种资料和文档

确认删除?
VIP
微信客服
  • 扫码咨询
会员Q群
  • 会员专属群点击这里加入QQ群
客服邮箱
回到顶部