电脑桌面
添加小米粒文库到电脑桌面
安装后可以在桌面快捷访问

AT89C51DATASHEET

AT89C51DATASHEET_第1页
1/18
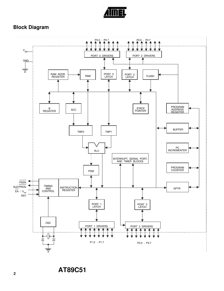
AT89C51DATASHEET_第2页
2/18
AT89C51DATASHEET_第3页
3/18
1PQFP/TQFP12345678910113332313029282726252423P1.5P1.6P1.7RST(RXD) P3.0NC(TXD) P3.1(INT0) P3.2(INT1) P3.3(T0) P3.4(T1) P3.5PO.4 (AD4)P0.5 (AD5)P0.6 (AD6)P0.7 (AD7)EA/VPPNCALE/PROGPSENP2.7 (A15)P2.6 (A14)P2.5 (A13)44434241403938373635341213141516171819202122(WR)P3.6(RD) P3.7XTAL2XTAL1GNDGND(A8) P2.0(A9) P2.1(A10) P2.2(A11) P2.3(A12) P2.4P1.4P1.3P1.2 P1.1 (T2 EX)P1.0 (T2)NC VCCP0.0 (AD0)P0.1 (AD1)P0.2 (AD2)P0.3 (AD3)Features• Compatible with MCS-51™ Products• 4K Bytes of In-System Reprogrammable Flash Memory–Endurance: 1,000 Write/Erase Cycles• Fully Static Operation: 0 Hz to 24 MHz• Three-level Program Memory Lock• 128 x 8-bit Internal RAM• 32 Programmable I/O Lines• Two 16-bit Timer/Counters• Six Interrupt Sources• Programmable Serial Channel• Low-power Idle and Power-down ModesDescriptionThe AT89C51 is a low-power, high-performance CMOS 8-bit microcomputer with 4Kbytes of Flash programmable and erasable read only memory (PEROM). The deviceis manufactured using Atmel’s high-density nonvolatile memory technology and iscompatible with the industry-standard MCS-51 instruction set and pinout. The on-chipFlash allows the program memory to be reprogrammed in-system or by a conven-tional nonvolatile memory programmer. By combining a versatile 8-bit CPU with Flashon a monolithic chip, the Atmel AT89C51 is a powerful microcomputer which providesa highly-flexible and cost-effective solution to many embedded control applications.PDIP12345678910111213141516171819204039383736353433323130292827262524232221 P1.0 P1.1P1.2P1.3P1.4P1.5P1.6P1.7RST(RXD) P3.0(TXD) P3.1(INT0) P3.2(INT1) P3.3(T0) P3.4(T1) P3.5(WR) P3.6(RD) P3.7XTAL2XTAL1GNDVCCP0.0 (AD0)P0.1 (AD1)P0.2 (AD2)P0.3 (AD3)P0.4 (AD4)P0.5 (AD5)P0.6 (AD6)P0.7 (AD7)EA/VPPALE/PROGPSENP2.7 (A15)P2.6 (A14)P2.5 (A13)P2.4 (A12)P2.3 (A11)P2.2...

1、当您付费下载文档后,您只拥有了使用权限,并不意味着购买了版权,文档只能用于自身使用,不得用于其他商业用途(如 [转卖]进行直接盈利或[编辑后售卖]进行间接盈利)。
2、本站所有内容均由合作方或网友上传,本站不对文档的完整性、权威性及其观点立场正确性做任何保证或承诺!文档内容仅供研究参考,付费前请自行鉴别。
3、如文档内容存在违规,或者侵犯商业秘密、侵犯著作权等,请点击“违规举报”。

碎片内容

AT89C51DATASHEET

您可能关注的文档

确认删除?
VIP
微信客服
  • 扫码咨询
会员Q群
  • 会员专属群点击这里加入QQ群
客服邮箱
回到顶部