电脑桌面
添加小米粒文库到电脑桌面
安装后可以在桌面快捷访问

AVR学习笔记十八、红外遥控键值解码实验

AVR学习笔记十八、红外遥控键值解码实验_第1页
1/6
AVR学习笔记十八、红外遥控键值解码实验_第2页
2/6
AVR学习笔记十八、红外遥控键值解码实验_第3页
3/6
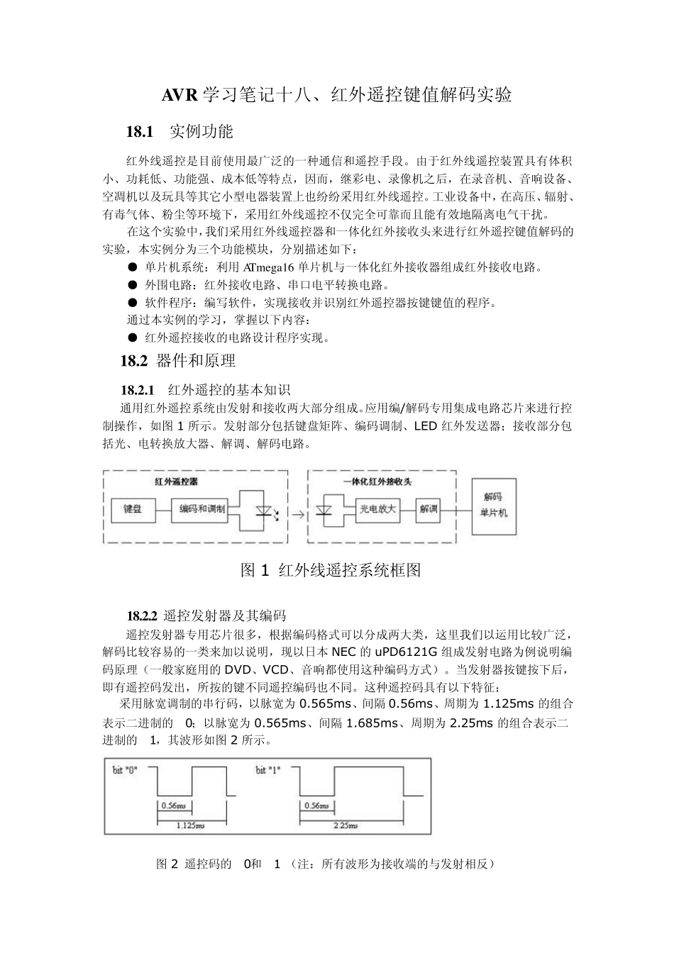
AV R 学习笔记十八、红外遥控键值解码实验 18.1 实例功能 红外线遥控是目前使用最广泛的一种通信和遥控手段。由于红外线遥控装置具有体积小、功耗低、功能强、成本低等特点,因而,继彩电、录像机之后,在录音机、音响设备、空凋机以及玩具等其它小型电器装置上也纷纷采用红外线遥控。工业设备中,在高压、辐射、有毒气体、粉尘等环境下,采用红外线遥控不仅完全可靠而且能有效地隔离电气干扰。 在这个实验中,我们采用红外线遥控器和一体化红外接收头来进行红外遥控键值解码的实验,本实例分为三个功能模块,分别描述如下: ● 单片机系统:利用 ATm ega16 单片机与一体化红外接收器组成红外接收电路。 ● 外围电路:红外接收电路、串口电平转换电路。 ● 软件程序:编写软件,实现接收并识别红外遥控器按键键值的程序。 通过本实例的学习,掌握以下内容: ● 红外遥控接收的电路设计程序实现。 18.2 器件和原理 18.2.1 红外遥控的基本知识 通用红外遥控系统由发射和接收两大部分组成。应用编/解码专用集成电路芯片来进行控制操作,如图 1 所示。发射部分包括键盘矩阵、编码调制、LED 红外发送器;接收部分包括光、电转换放大器、解调、解码电路。 图 1 红外线遥控系统框图 18.2.2 遥控发射器及其编码 遥控发射器专用芯片很多,根据编码格式可以分成两大类,这里我们以运用比较广泛,解码比较容易的一类来加以说明,现以日本 NEC 的 uPD6121G 组成发射电路为例说明编码原理(一般家庭用的 DVD、VCD、音响都使用这种编码方式)。当发射器按键按下后,即有遥控码发出,所按的键不同遥控编码也不同。这种遥控码具有以下特征: 采用脉宽调制的串行码,以脉宽为 0.565ms、间隔 0.56ms、周期为 1.125ms 的组合表示二进制的“0”;以脉宽为 0.565ms、间隔 1.685ms、周期为 2.25ms 的组合表示二进制的“1”,其波形如图 2 所示。 图 2 遥控码的“0”和“1” (注:所有波形为接收端的与发射相反) 上述“0”和“1”组成的 32 位二进制码经 38kHz 的载频进行二次调制以提高发射效率,达到降低电源功耗的目的。然后再通过红外发射二极管产生红外线向空间发射,如图 3 所示。 图 3 遥控信号编码波形图 UPD6121G 产生的遥控编码是连续的 32 位二进制码组,其中前 16 位为用户识别码,能区别不同的电器设备,防止不同机种遥控码互相干扰。该芯片的用户识别码固定为十六进制 01H;后 16...

1、当您付费下载文档后,您只拥有了使用权限,并不意味着购买了版权,文档只能用于自身使用,不得用于其他商业用途(如 [转卖]进行直接盈利或[编辑后售卖]进行间接盈利)。
2、本站所有内容均由合作方或网友上传,本站不对文档的完整性、权威性及其观点立场正确性做任何保证或承诺!文档内容仅供研究参考,付费前请自行鉴别。
3、如文档内容存在违规,或者侵犯商业秘密、侵犯著作权等,请点击“违规举报”。

碎片内容

AVR学习笔记十八、红外遥控键值解码实验

小辰+ 关注
实名认证
内容提供者

出售各种文档和资料

确认删除?
VIP
微信客服
  • 扫码咨询
会员Q群
  • 会员专属群点击这里加入QQ群
客服邮箱
回到顶部