电脑桌面
添加小米粒文库到电脑桌面
安装后可以在桌面快捷访问

BQD10系列开关说明书VIP专享

BQD10系列开关说明书_第1页
1/22
BQD10系列开关说明书_第2页
2/22
BQD10系列开关说明书_第3页
3/22
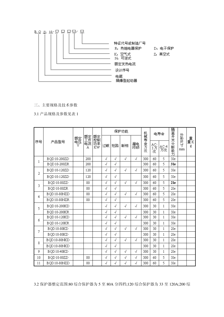
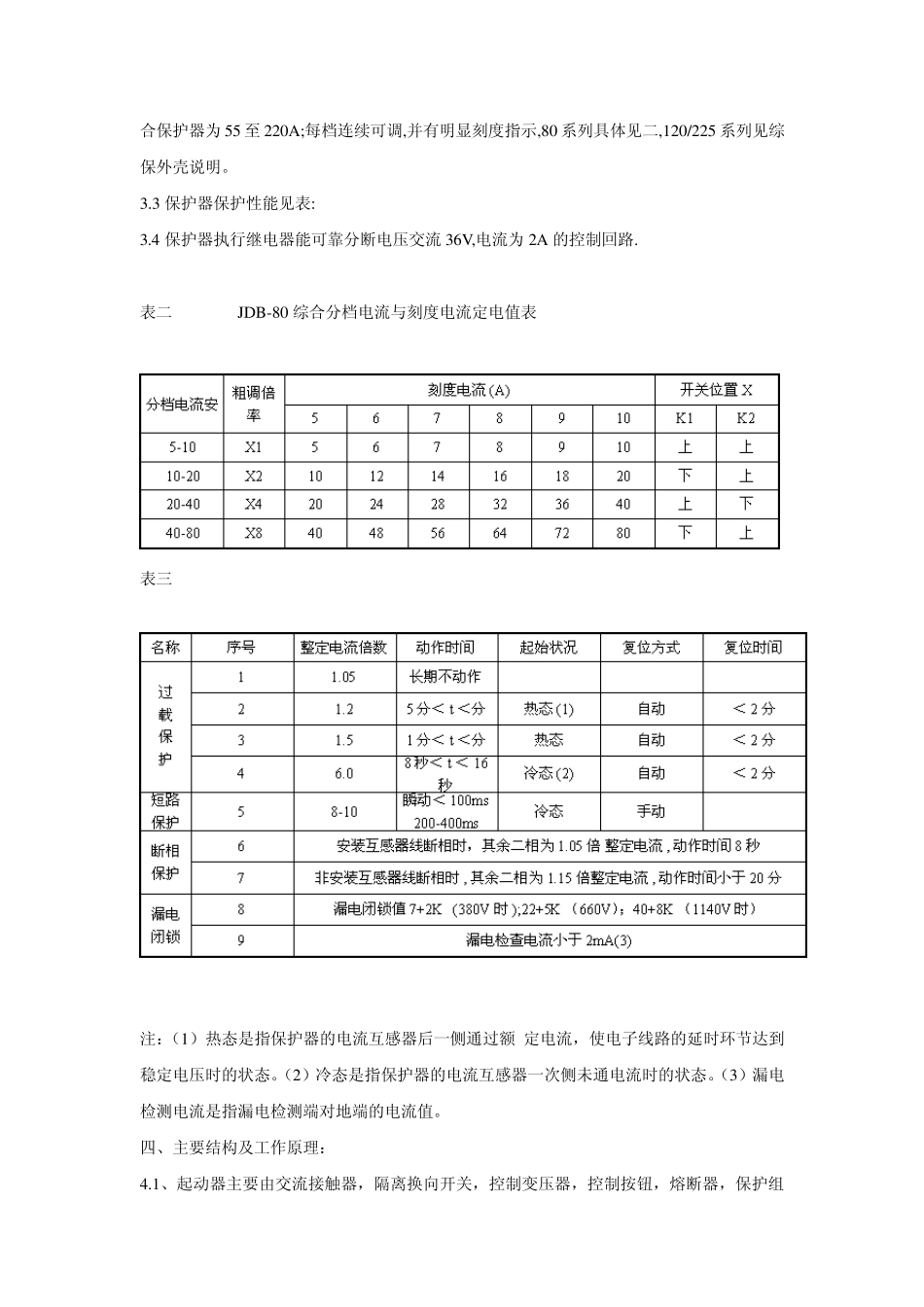
BQD10 系列 矿用隔爆型电磁起动器 一、用途及适用范围 1.1 BQD10 系列矿用隔爆型电磁起动器(以下简称动器),主要用于具有爆炸性危险气体(甲烷混合物)和煤尘的矿井中,在交流50HZ,电压380、660 和1140V 的线路中,对三相鼠笼型感应电动机直接起动,停止和反转控制,同时对电动机及其有关电路进行保护。起动器符合GB3836.1~3-83《爆炸性环境用防爆电气设备》和GB5590-85《矿用隔型电磁起动器》之规定。 1.2、 起动器保证在下列条件下可靠工作: 1.2.1、海拔不超过2000m; 1.2.2、运行环境温度为-5~+40℃; 1.2.3、周围空气相对湿度不大于95(+25℃); 1.2.4、在有沼气爆炸性混合物矿井中; 1.2.5、与垂直面的安装倾斜度不超过150; 1.2.6、在无显著摇动和冲击振动的地方; 1.2.7、在无破坏绝缘的气体或蒸气的环境中; 1.2.8、在无滴水的地方; 二、产品型号及其含义 2.1、按型式分可分为:真空式和空气式两类; 2.2、按保护型式分: 2.2.1、JDB 电子保护器,具有短路、过载、断相、漏电闭锁保护功能; 2.2.2、JR9 热继电器,具有短路、过载保护功能 2.3、型号及其含义: 三、主要规格及技术参数 3.1 产品规格及参数见表 1 3.2 保护器整定范围:80 综合保护器为 5 至 80A 分四档;120 综合保护器为 33 至 120A ;200 综合保护器为55 至220A;每档连续可调,并有明显刻度指示,80 系列具体见二,120/225 系列见综保外壳说明。 3.3 保护器保护性能见表: 3.4 保护器执行继电器能可靠分断电压交流36V ,电流为2A 的控制回路. 表二 JDB-80 综合分档电流与刻度电流定电值表 表三 注:(1)热态是指保护器的电流互感器后一侧通过额 定电流,使电子线路的延时环节达到稳定电压时的状态。(2)冷态是指保护器的电流互感器一次侧未通电流时的状态。(3)漏电检测电流是指漏电检测端对地端的电流值。 四、主要结构及工作原理: 4.1、起动器主要由交流接触器,隔离换向开关,控制变压器,控制按钮,熔断器,保护组件及隔爆外壳组成。 4.2、起动器的盖子与隔离开关的手柄互相联锁,必须用专用工具拧动联锁杆,才能将盖子打开,此时,本体正面所有元件均不带电,保证操作者的安全。 4.3、可逆起动器还具有机械联锁和电气联锁,从而保证两台接触器不能同时闭合。 4.4、工作原理: 4.4.1、把隔离换向开关打向“合”的位置,控制变压器YB 得电次级输出 36 伏交流电,JDB综保有电,这是,JDB 的漏电检测回路...

1、当您付费下载文档后,您只拥有了使用权限,并不意味着购买了版权,文档只能用于自身使用,不得用于其他商业用途(如 [转卖]进行直接盈利或[编辑后售卖]进行间接盈利)。
2、本站所有内容均由合作方或网友上传,本站不对文档的完整性、权威性及其观点立场正确性做任何保证或承诺!文档内容仅供研究参考,付费前请自行鉴别。
3、如文档内容存在违规,或者侵犯商业秘密、侵犯著作权等,请点击“违规举报”。

碎片内容

BQD10系列开关说明书

确认删除?
VIP
微信客服
  • 扫码咨询
会员Q群
  • 会员专属群点击这里加入QQ群
客服邮箱
回到顶部