电脑桌面
添加小米粒文库到电脑桌面
安装后可以在桌面快捷访问

DHS密封圈

DHS密封圈_第1页
1/14
DHS密封圈_第2页
2/14
DHS密封圈_第3页
3/14
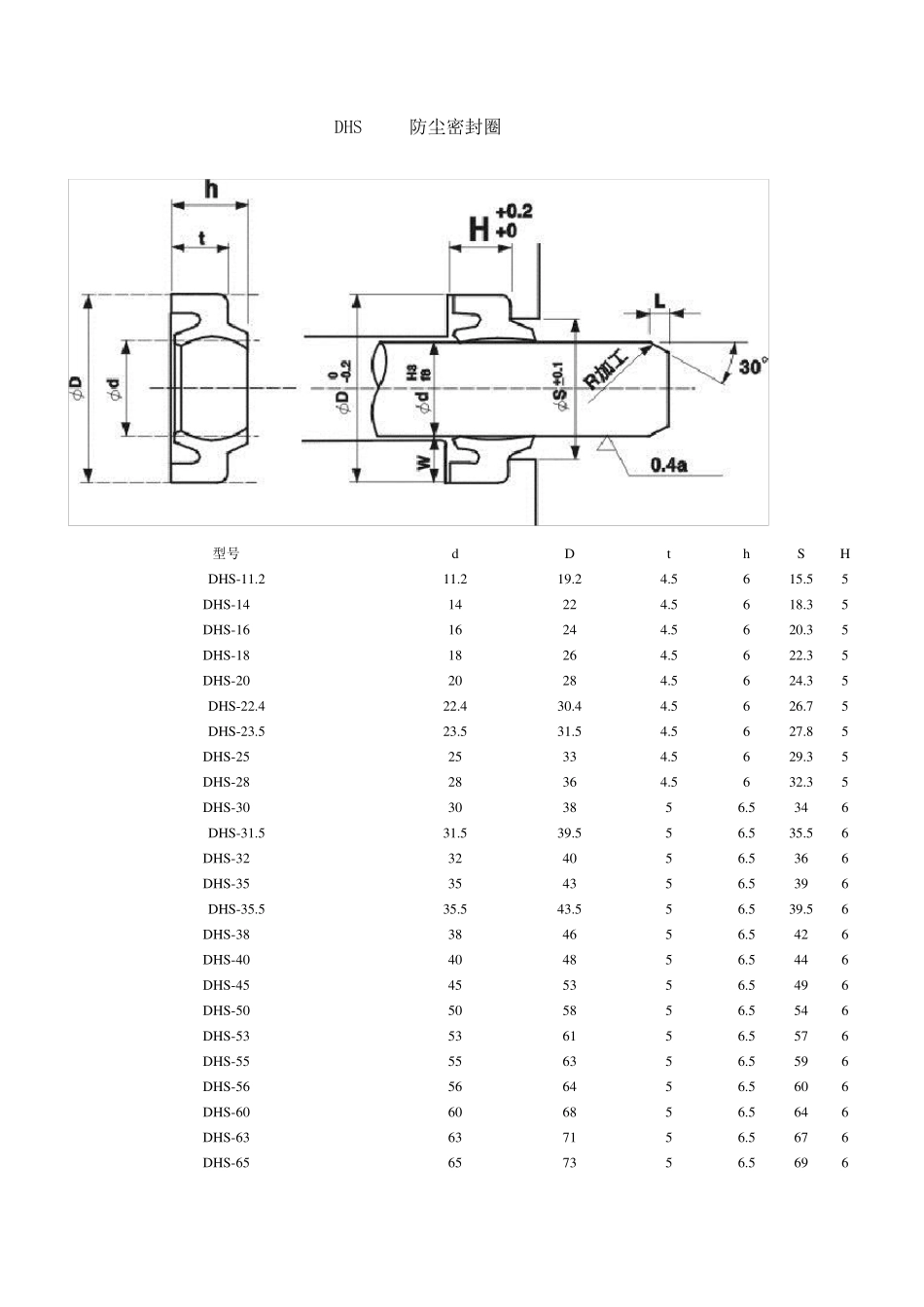
DHS 防尘密封圈 型号 d D t h S H DHS-11.2 11.2 19.2 4.5 6 15.5 5 DHS-14 14 22 4.5 6 18.3 5 DHS-16 16 24 4.5 6 20.3 5 DHS-18 18 26 4.5 6 22.3 5 DHS-20 20 28 4.5 6 24.3 5 DHS-22.4 22.4 30.4 4.5 6 26.7 5 DHS-23.5 23.5 31.5 4.5 6 27.8 5 DHS-25 25 33 4.5 6 29.3 5 DHS-28 28 36 4.5 6 32.3 5 DHS-30 30 38 5 6.5 34 6 DHS-31.5 31.5 39.5 5 6.5 35.5 6 DHS-32 32 40 5 6.5 36 6 DHS-35 35 43 5 6.5 39 6 DHS-35.5 35.5 43.5 5 6.5 39.5 6 DHS-38 38 46 5 6.5 42 6 DHS-40 40 48 5 6.5 44 6 DHS-45 45 53 5 6.5 49 6 DHS-50 50 58 5 6.5 54 6 DHS-53 53 61 5 6.5 57 6 DHS-55 55 63 5 6.5 59 6 DHS-56 56 64 5 6.5 60 6 DHS-60 60 68 5 6.5 64 6 DHS-63 63 71 5 6.5 67 6 DHS-65 65 73 5 6.5 69 6 DHS-67 67 75 5 6.5 71 6 DHS-70 70 80 6 8 75 7 DHS-71 71 81 6 8 76 7 DHS-75 75 85 6 8 80 7 DHS-80 80 90 6 8 85 7 DHS-85 85 95 6 8 90 7 DHS-90 90 100 6 8 95 7 DHS-98 98 108 6 8 103 7 DHS-100 100 110 6 8 105 7 DHS-112 112 122 6 8 117 7 DHS-125 125 138 7 9.5 132 8 DHS-136 136 149 7 9.5 143 8 DHS-140 140 153 7 9.5 147 8 DHS-145 145 158 7 9.5 152 8 DHS-160 160 174 7 9.5 167 8 DHS-165 165 179 7 9.5 172 8 DHS-180 180 194 7 9.5 187 8 DHS-200 200 214 7 9.5 207 8 DHS-204 204 218 7 95 211 8 DHS-230 230 244 7 9.5 237 8 UHS 型活塞和活塞杆通用密封圈 产品用途 用于往复运动液压油缸活塞或活塞杆的密封。工作压力>16MPa 时,建议使用挡圈。 应用范围 进口工程机械,自动化液压设备。 材质 聚氨酯。 工作环境 温度:-40℃~+100℃。 压力:≤32MPa。 介质:液压油、乳化液。 标准来源 国外标准。 订货标记 UHS 60A 型号 密封圈公称尺寸 沟槽尺寸 d D H B d D L 挡圈厚度 UHS 11.2 11.2 19.2 5 4 11.2 19.2 5.7 1.5 UHS 12.5 12.5 20.5 5 4 12.5 20.5 5.7 1.5 UHS 14 14 22 5 4 14 22 5.7 1.5 UHS 16 1...

1、当您付费下载文档后,您只拥有了使用权限,并不意味着购买了版权,文档只能用于自身使用,不得用于其他商业用途(如 [转卖]进行直接盈利或[编辑后售卖]进行间接盈利)。
2、本站所有内容均由合作方或网友上传,本站不对文档的完整性、权威性及其观点立场正确性做任何保证或承诺!文档内容仅供研究参考,付费前请自行鉴别。
3、如文档内容存在违规,或者侵犯商业秘密、侵犯著作权等,请点击“违规举报”。

碎片内容

您可能关注的文档

确认删除?
VIP
微信客服
  • 扫码咨询
会员Q群
  • 会员专属群点击这里加入QQ群
客服邮箱
回到顶部