电脑桌面
添加小米粒文库到电脑桌面
安装后可以在桌面快捷访问

DLT5210.22018表格

DLT5210.22018表格_第1页
1/68
DLT5210.22018表格_第2页
2/68
DLT5210.22018表格_第3页
3/68
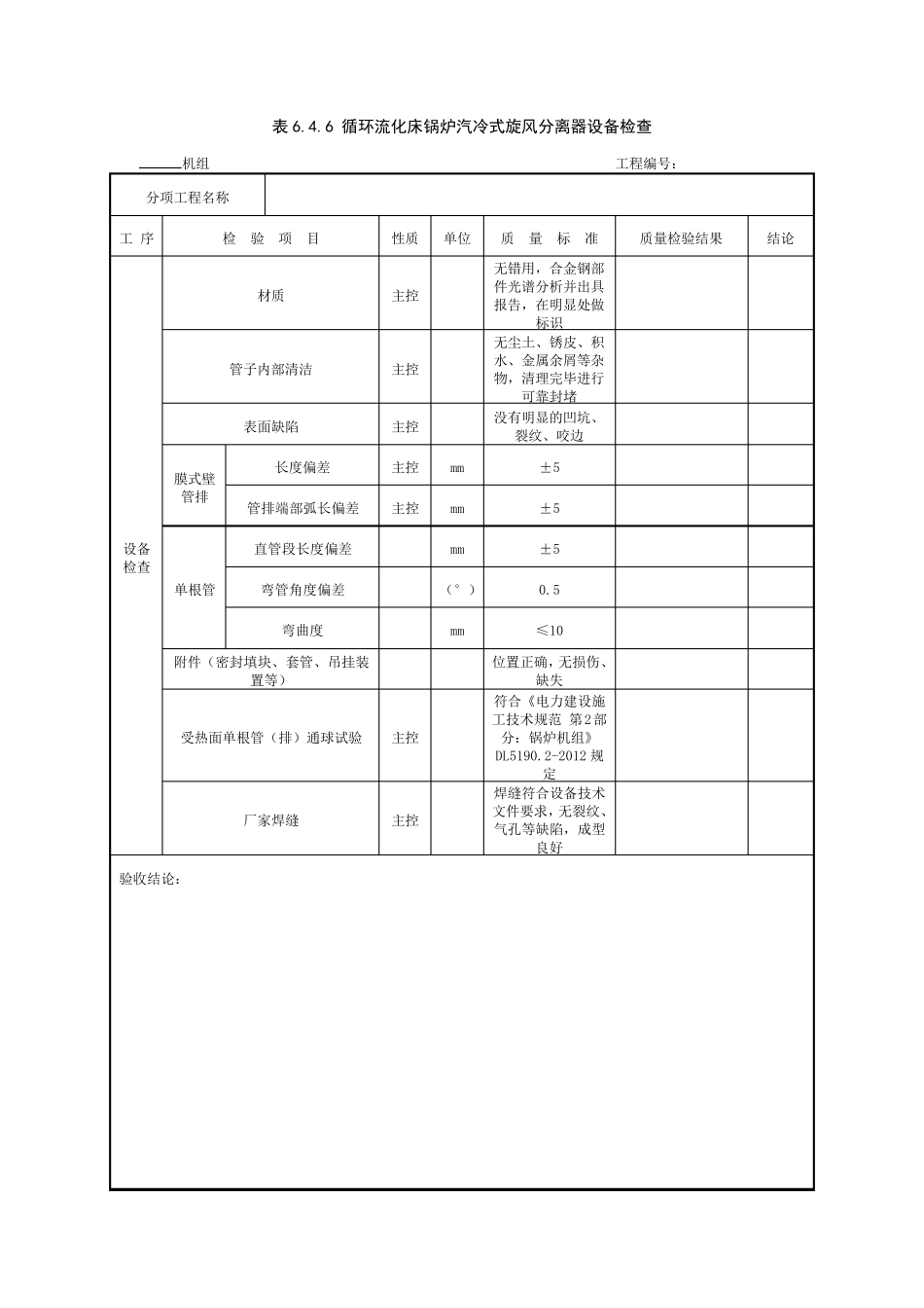
表6.4.6 循环流化床锅炉汽冷式旋风分离器设备检查 机组 工程编号: 分项工程名称 工 序 检 验 项 目 性质 单位 质 量 标 准 质量检验结果 结论 设备检查 材质 主控 无错用,合金钢部件光谱分析并出具报告,在明显处做标识 管子内部清洁 主控 无尘土、锈皮、积水、金属余屑等杂物,清理完毕进行可靠封堵 表面缺陷 主控 没有明显的凹坑、裂纹、咬边 膜式壁管排 长度偏差 主控 mm ±5 管排端部弧长偏差 主控 mm ±5 单根管 直管段长度偏差 mm ±5 弯管角度偏差 (°) 0.5 弯曲度 mm ≤10 附件(密封填块、套管、吊挂装置等) 位置正确,无损伤、缺失 受热面单根管(排)通球试验 主控 符合《电力建设施工技术规范 第2部分:锅炉机组》DL5190.2-2012 规定 厂家焊缝 主控 焊缝符合设备技术文件要求,无裂纹、气孔等缺陷,成型良 好 验收 结论: 验收单位签字 施工单位 年 月 日 设计单位 年 月 日 制造单位 年 月 日 总承包单位 年 月 日 监理单位 年 月 日 建设单位 年 月 日 表6.4.7 循环流化床锅炉汽冷式旋风分离器组合 机组 工程编号: 分项工程名称 工 序 检 验 项 目 性质 单位 质 量 标 准 质量检验结果 结论 设备检查 坡口形式 主控 符合设备技术文件要求 坡口角度偏差 (°) ≤2.5 坡口端面倾斜偏差 mm 符合《电力建设施工技术规范 第2部分:锅炉机组》DL5190.2-2012 规定 坡口清洁 在管端内外 10mm~15mm 内,无铁锈、油垢,并露出金属光泽 组合 对口 主控 错口小于或等于管壁厚度的 10%,且小于或等于 1;偏折度小于或等于 1/100 通球试验 主控 符合《电力建设施工技术规范 第2部分:锅炉机组》DL5190.2-2012 规定 密封件 符合设备技术文件要求,平整、牢固,严密不漏 直段与锥段角度偏差 (°) ≤0.5 焊接 焊接 主控 焊缝符合设备技术文件要求,无裂纹、气孔等缺陷,成型良好 验收结论: 验收单位签字 施工单位 年 月 日 设计单位 年 月 日 制造单位 年 月 日 总承包单位 年 月 日 监理单位 年 月 日 建设单位 年 月 日 表6.4.8 循环流化床锅炉汽冷式旋风分离器安装 机组 工程编号: 分项工程名称 工 序 检 验 项 目 性质 单位 质 量 标 准 质量检验结果 结论 筒体安装 管子对口 符合表6.3.3 规定 直径偏差 mm ≤10 椭圆度偏差 ...

1、当您付费下载文档后,您只拥有了使用权限,并不意味着购买了版权,文档只能用于自身使用,不得用于其他商业用途(如 [转卖]进行直接盈利或[编辑后售卖]进行间接盈利)。
2、本站所有内容均由合作方或网友上传,本站不对文档的完整性、权威性及其观点立场正确性做任何保证或承诺!文档内容仅供研究参考,付费前请自行鉴别。
3、如文档内容存在违规,或者侵犯商业秘密、侵犯著作权等,请点击“违规举报”。

碎片内容

DLT5210.22018表格

小辰8+ 关注
实名认证
内容提供者

出售各种资料和文档

相关文档

确认删除?
VIP
微信客服
  • 扫码咨询
会员Q群
  • 会员专属群点击这里加入QQ群
客服邮箱
回到顶部