电脑桌面
添加小米粒文库到电脑桌面
安装后可以在桌面快捷访问

DLT6452007通讯规约说明

DLT6452007通讯规约说明_第1页
1/40
DLT6452007通讯规约说明_第2页
2/40
DLT6452007通讯规约说明_第3页
3/40
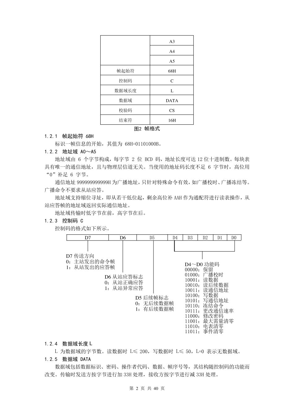
第 1 页 共 40 页 DL/T645-2007 通讯规约协议说明 目录 一、DL/T 645-2007 通讯协议简介 二、数据链路层格式说明 三、数据标识说明 四、(应用层)命令、返回格式说明 五、命令字、特征字、错去信息字说明 六、DTTD 三相多功能电表应用数据标识 七、负荷记录传输格式 八、通讯功能实现实例 一、 DL/T 645-2007 通讯协议简介 本标准是为统一和规范多功能电能表与数据终端设备进行数据交换时的物理连接和协议。信息量的确定以 DL/T 614-2007《多功能电能表》为依据。本标准的实施将规范多功能电能表的通信接口,有利于计量产品质量的提高,对用电管理部门改革人工抄表,实现远方信息传输,提高用电管理水平起到推进作用。 该部分标识码适用于 0.5S 级三相多功能电表。 二、 数据链路层格式说明 本协议为主-从结构的半双工通信方式。手持单元或其它数据终端为主站,多功能电能表为从站。每个多功能电能表均有各自的地址编码。通信链路的建立与解除均由主站发出的信息帧来控制。每帧由帧起始 符 、从站地址域 、控制码、数据域 长 度 、数据域 、帧信息纵 向 校验 码及 帧结束 符 7 个域 组 成 。每部分由若 干 字节 组 成 。 1.1 字节格式 每字节 含 8 位 二进制码,传输时加 上 一个起始 位 (0)、一个偶 校 验 位 和一个停 止 位 (1), 共 11 位 。其传输序 列 如 图 7。D0 是字节 的最 低 有效 位 ,D7 是字节 的最 高有效 位 。先 传低位 ,后 传高位 。 0D0D1D2D3D4D5D6D7P1起始 位8位 数据偶 校 验 位停 止 位传送 方向 图1 字节传输序列 1.2 帧格式 帧是传送 信息的基 本单元。帧格式如 图 8 所 示 。 说 明 代 码 帧起始 符 68H 地址域 A0 A1 A2 第 2 页 共 40 页 A3 A4 A5 帧起始符 68H 控制码 C 数据域长度 L 数据域 DATA 校验码 CS 结束符 16H 图2 帧格式 1.2.1 帧起始符 68H 标识一帧信息的开始,其值为 68H=01101000B。 1.2.2 地址域 A0~A5 地址域由 6 个字节构成,每字节 2 位 BCD 码,地址长度可达12 位十进制数。每块表具有唯一的通信地址,且与物理层信道无关。当使用的地址码长度不足 6 字节时,高位用“0”补足 6 字节。 通信地址999999999999H 为广播地址,只针对特殊命令有效,如广播校时、广播冻结等。广播命令不要求从站应答。 地址域支持缩...

1、当您付费下载文档后,您只拥有了使用权限,并不意味着购买了版权,文档只能用于自身使用,不得用于其他商业用途(如 [转卖]进行直接盈利或[编辑后售卖]进行间接盈利)。
2、本站所有内容均由合作方或网友上传,本站不对文档的完整性、权威性及其观点立场正确性做任何保证或承诺!文档内容仅供研究参考,付费前请自行鉴别。
3、如文档内容存在违规,或者侵犯商业秘密、侵犯著作权等,请点击“违规举报”。

碎片内容

DLT6452007通讯规约说明

确认删除?
VIP
微信客服
  • 扫码咨询
会员Q群
  • 会员专属群点击这里加入QQ群
客服邮箱
回到顶部