电脑桌面
添加小米粒文库到电脑桌面
安装后可以在桌面快捷访问

DOE试验设计(SASJMP)经典学习案例(免费下载)

DOE试验设计(SASJMP)经典学习案例(免费下载)_第1页
1/33
DOE试验设计(SASJMP)经典学习案例(免费下载)_第2页
2/33
DOE试验设计(SASJMP)经典学习案例(免费下载)_第3页
3/33
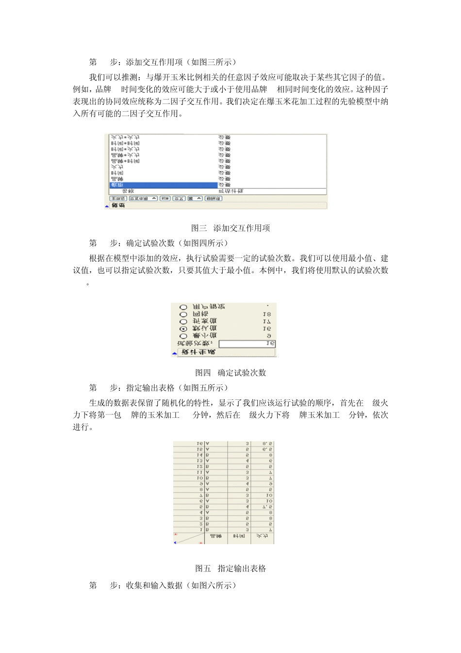
DOE 就在你身边 DOE 系列之一DOE,即试验设计(DesignOfExperiment),是研究和处理多因子与响应变量关系的一种科学方法。它通过合理地挑选试验条件,安排试验,并通过对试验数据的分析,从而找出总体最优的改进方案。从上个世纪 20年代费雪(RonaldFisher)在农业试验中首次提出 DOE的概念,到六西格玛管理在世界范围内的蓬勃发展,DOE 已经历了 80多年的发展历程,在学术界和企业界均获得了崇高的声誉。然而,由于专业统计分析的复杂性和各行各业的差异性,DOE 在很多人眼中逐渐演变为可望而不可及的空中楼阁。其实,DOE 绝不是少数统计学家的专属工具,它很容易成为各类工程技术人员的好朋友、好帮手。本文将以一个日常生活中的小案例为线索,结合操作便捷的专业统计分析软件 JMP,帮助大家揭开 DOE 的神秘面纱,了解 DOE 的执行过程,自由自在地建立属于自我的 DOE 空间。场景 :相信大家都吃过爆米花,但是大家是否都了解爆米花的制作过程?在品尝爆米花的时候,不知道您是否注意到有很多爆米花没有爆开,也有很多被爆焦。这两种情况都是生产过程中的质量缺陷。这里,我们基于六西格玛软件 JMP来实现我们的目标:寻找使用微波炉加工一包爆玉米花的更佳程序。凭借经验,我们很容易就能确定重要因子的合理范围:加工爆玉米花的时间(介于 3至 5分钟之间)微波炉使用的火力(介于 5至 10档之间)使用的玉米品牌(A 或 B)在爆玉米花时,我们希望所有(或几乎所有)的玉米粒都爆开了,没有(或很少)玉米粒未爆开。因此 玉米的"爆开个数"是最终关注的重点。第 1步:定义响应和因子(如图一所示)图一 定义响应和因子第 2步:定义因子约束(如图二所示)根据经验,你知道:不能在试验中长时间高火力加工爆玉米花,因为这样会烧焦某些玉米粒。不能在试验中短时间低火力加工爆玉米花,因为这样只有少数玉米粒爆开。所以要限制试验,以使加工时间加上微波炉火力小于等于 13,但大于等于 10。图二 定义因子约束第3步:添加交互作用项(如图三所示)我们可以推测:与爆开玉米比例相关的任意因子效应可能取决于某些其它因子的值。例如,品牌A时间变化的效应可能大于或小于使用品牌B相同时间变化的效应。这种因子表现出的协同效应统称为二因子交互作用。我们决定在爆玉米花加工过程的先验模型中纳入所有可能的二因子交互作用。图三添加交互作用项第4步:确定试验次数(如图四所示)根据在模型中添加的效应,执行试验需要一定的...

1、当您付费下载文档后,您只拥有了使用权限,并不意味着购买了版权,文档只能用于自身使用,不得用于其他商业用途(如 [转卖]进行直接盈利或[编辑后售卖]进行间接盈利)。
2、本站所有内容均由合作方或网友上传,本站不对文档的完整性、权威性及其观点立场正确性做任何保证或承诺!文档内容仅供研究参考,付费前请自行鉴别。
3、如文档内容存在违规,或者侵犯商业秘密、侵犯著作权等,请点击“违规举报”。

碎片内容

DOE试验设计(SASJMP)经典学习案例(免费下载)

您可能关注的文档

确认删除?
VIP
微信客服
  • 扫码咨询
会员Q群
  • 会员专属群点击这里加入QQ群
客服邮箱
回到顶部