电脑桌面
添加小米粒文库到电脑桌面
安装后可以在桌面快捷访问

室内砌砖、批荡施工的技术要求VIP专享

室内砌砖、批荡施工的技术要求_第1页
1/16
室内砌砖、批荡施工的技术要求_第2页
2/16
室内砌砖、批荡施工的技术要求_第3页
3/16
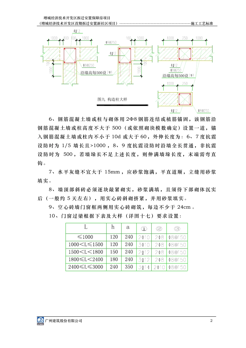
增城经济技术开发区拆迁安置保障房项目(增城经济技术开发区首期拆迁安置新社区项目)------------------------------------------------施工工艺标准室内砌砖、批荡、外墙、地坪、屋面施工工艺标准一、加气混凝土砖墙砌筑1、砌筑前,基础墙或楼面清扫干净,洒水湿润。2、根据设计图纸各部位尺寸,排砖撂底,使组砌方法合理,便于操作。3、采用商品预拌砂浆砌筑。4、 蒸 压 加 气 混 凝 土 砌 块 不 应 直 接 砌 筑 在 楼 面 、 地 面 上 。 对 于 厕 浴间 、 露 台 、 外 阳 台 以 及 设 置 在 外 墙 面 的 空 调 机 承 托 板 与 砌 体 接 触 部 位 等经常受干湿交替作用的墙体根部,宜浇筑宽度同墙厚、高度不小于 0.2m的 C20 素混凝土墙垫;对于其它墙体,宜用蒸压灰砂砖在其根部砌筑高度不小于 0.2m 的墙垫。5、组砌方法应正确,上、下 错缝,交接处咬槎搭砌,掉角严重的砖不 宜使用。当砌体墙的水平长度大于 5m 或墙端 部 没 有钢筋 混 凝 土墙柱时 , 应 在 墙 中 间 或 墙 端 部 加 设 构 造 柱 , 构 造 柱 的 混 凝 土 强 度 等 级 为C20 ,竖筋用 4Φ12(三级钢),箍筋用Φ8@200 (二级钢),其柱脚及柱 顶 在 主 体 结 构 中 预 埋 4Φ12 ( 三 级 钢 ) 竖 筋 , 该 竖 筋 伸 出 主 体 结 构 面500 。施工时需先砌墙后浇柱,砌墙时墙与柱要砌成马牙槎(详图八),墙与柱的拉结筋(沿墙高每隔 500 设 2Φ8(二级钢),埋入墙内 1000并与柱连结,详图九)应在砌墙时预埋。GZ竖筋楼面图八 马牙槎示意图广州建筑股份有限公司1增城经济技术开发区拆迁安置保障房项目(增城经济技术开发区首期拆迁安置新社区项目)------------------------------------------------施工工艺标准沿墙高每500设沿墙高每500设图九 构造柱大样6、钢筋混凝土墙或柱与砌体用 2Φ8 钢筋连结或植筋锚固,该钢筋沿钢筋混凝土墙或柱高度不大于 500(或依照砌块模数确定)设 置一道,锚入钢筋混凝土墙或柱内不小于 10d 或大于 60,外伸长度为:6、7 度抗震设防时为 1/5 墙长且>1000 ,8、9 度抗震设防时沿墙全长贯通,非抗震设 防 时为 500 ,若墙 垛 长不 足 上述 长度 , 则伸 满 墙垛 长度 , 末端 需 弯直钩。7、水平灰缝不宜大于 15mm ,应砂浆饱满,平直道顺,立缝用砂浆填实。8、...

1、当您付费下载文档后,您只拥有了使用权限,并不意味着购买了版权,文档只能用于自身使用,不得用于其他商业用途(如 [转卖]进行直接盈利或[编辑后售卖]进行间接盈利)。
2、本站所有内容均由合作方或网友上传,本站不对文档的完整性、权威性及其观点立场正确性做任何保证或承诺!文档内容仅供研究参考,付费前请自行鉴别。
3、如文档内容存在违规,或者侵犯商业秘密、侵犯著作权等,请点击“违规举报”。

碎片内容

室内砌砖、批荡施工的技术要求

确认删除?
VIP
微信客服
  • 扫码咨询
会员Q群
  • 会员专属群点击这里加入QQ群
客服邮箱
回到顶部