电脑桌面
添加小米粒文库到电脑桌面
安装后可以在桌面快捷访问

密闭管理台账

密闭管理台账_第1页
1/8
密闭管理台账_第2页
2/8
密闭管理台账_第3页
3/8
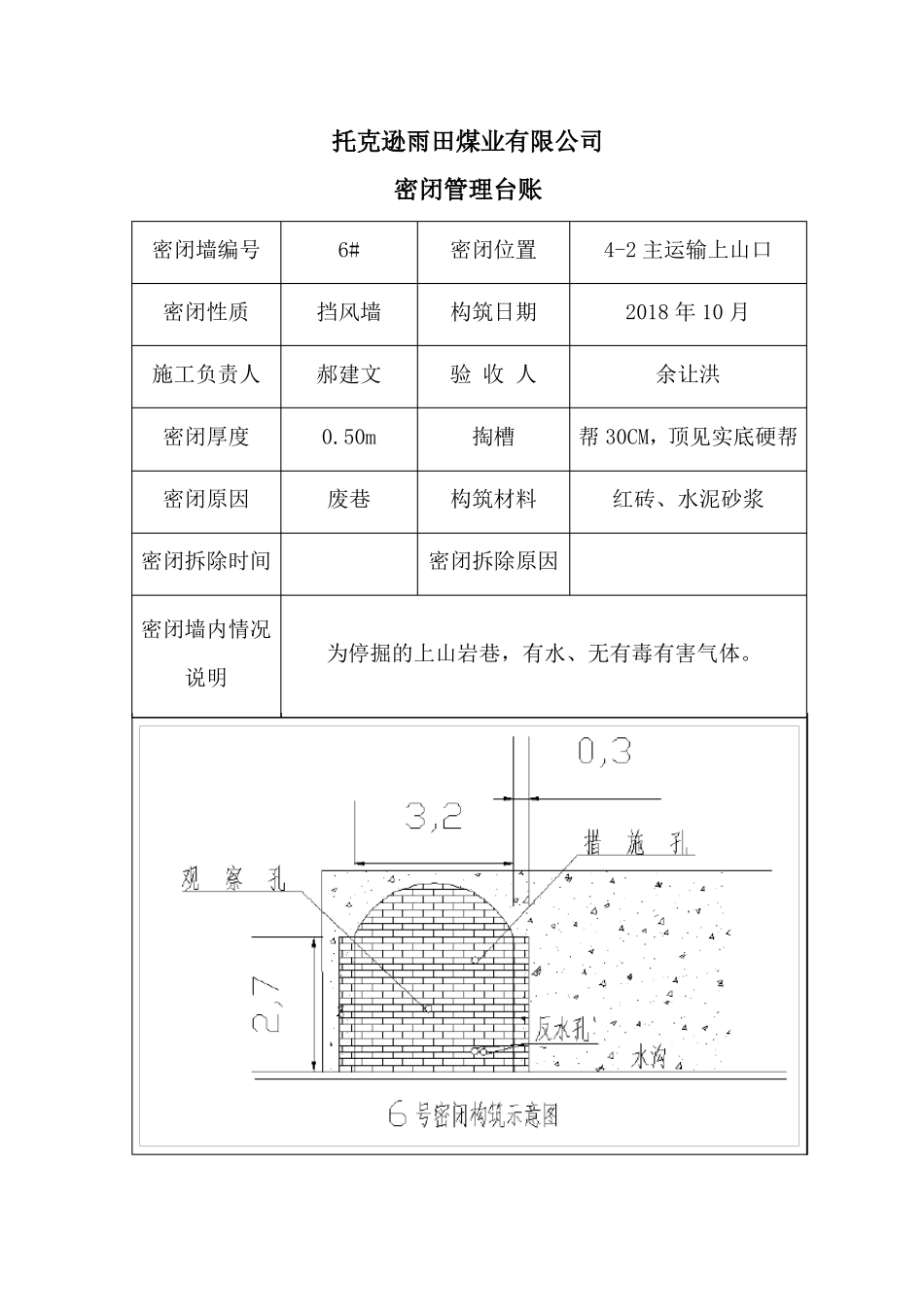
托克逊雨田煤业有限公司密闭管理台账密闭墙编号密闭性质施工负责人密闭厚度密闭原因密闭拆除时间密闭墙内情况为停掘的上山岩巷,无水、无有毒有害气体。说明5#挡风墙余让洪0.50m临时停掘密闭位置构筑日期验 收 人掏槽构筑材料密闭拆除原因4-2 辅助运输上山口2017 年 6 月刘春茂见实底、硬帮红砖、水泥砂浆托克逊雨田煤业有限公司密闭管理台账密闭墙编号密闭性质施工负责人密闭厚度密闭原因密闭拆除时间密闭墙内情况为停掘的上山岩巷,有水、无有毒有害气体。说明6#挡风墙郝建文0.50m废巷密闭位置构筑日期验 收 人掏槽构筑材料密闭拆除原因4-2 主运输上山口2018 年 10 月余让洪帮 30CM,顶见实底硬帮红砖、水泥砂浆托克逊雨田煤业有限公司密闭管理台账密闭墙编号密闭性质施工负责人7#挡风墙李清安密闭位置构筑日期验 收 人W1101 回风绕道口2017 年 11 月刘春茂帮掏槽 50cm,顶 20cm,密闭厚度0.50M掏槽底 30cm密闭原因密闭拆除时间密闭墙内情况为 W1101 工作面的上山煤巷,无水、有瓦斯。说明优化通风构筑材料密闭拆除原因红砖、水泥、砂浆密闭墙编号密闭性质施工负责人8#挡风墙李清安密闭位置构筑日期验 收 人采区回风巷下山2017 年 11 月刘春茂帮掏槽 50cm,顶 20cm,密闭厚度0.50M掏槽底 30cm密闭原因密闭拆除时间密闭墙内情况封闭废巷构筑材料密闭拆除原因红砖、水泥、砂浆为采区回风下山锚喷巷道,无水、有瓦斯。说明密闭墙编号密闭性质施工负责人9#挡风墙李清安密闭位置构筑日期验 收 人2#皮带巷机尾2017 年 11 月刘春茂帮掏槽 50cm,顶 20cm,密闭厚度0.50M掏槽底 30cm密闭原因密闭拆除时间密闭墙内情况优化通风构筑材料密闭拆除原因红砖、水泥、砂浆为皮带运输大巷下山锚喷巷道,无水、有瓦斯。说明密闭墙编号密闭性质施工负责人10#挡风墙李清安密闭位置构筑日期验 收 人轨道下山口2017 年 11 月刘春茂帮掏槽 50cm,顶 20cm,密闭厚度0.50M掏槽底 30cm密闭原因密闭拆除时间密闭墙内情况优化通风构筑材料密闭拆除原因红砖、水泥、砂浆轨道运输巷下山锚喷巷道,无水、有瓦斯。说明密闭墙编号密闭性质施工负责人密闭厚度密闭原因密闭拆除时间密闭墙内情况11#挡风墙李清安0.50M优化通风密闭位置构筑日期验 收 人掏槽构筑材料密闭拆除原因W1101 采区风门外2017 年 11 月刘春茂帮掏槽 40-50cm红砖、水泥、砂浆为采区回风下山锚喷巷道,无水、有瓦斯。说明密闭墙编号密闭性质施工负责人密闭厚...

1、当您付费下载文档后,您只拥有了使用权限,并不意味着购买了版权,文档只能用于自身使用,不得用于其他商业用途(如 [转卖]进行直接盈利或[编辑后售卖]进行间接盈利)。
2、本站所有内容均由合作方或网友上传,本站不对文档的完整性、权威性及其观点立场正确性做任何保证或承诺!文档内容仅供研究参考,付费前请自行鉴别。
3、如文档内容存在违规,或者侵犯商业秘密、侵犯著作权等,请点击“违规举报”。

碎片内容

密闭管理台账

您可能关注的文档

确认删除?
VIP
微信客服
  • 扫码咨询
会员Q群
  • 会员专属群点击这里加入QQ群
客服邮箱
回到顶部