电脑桌面
添加小米粒文库到电脑桌面
安装后可以在桌面快捷访问

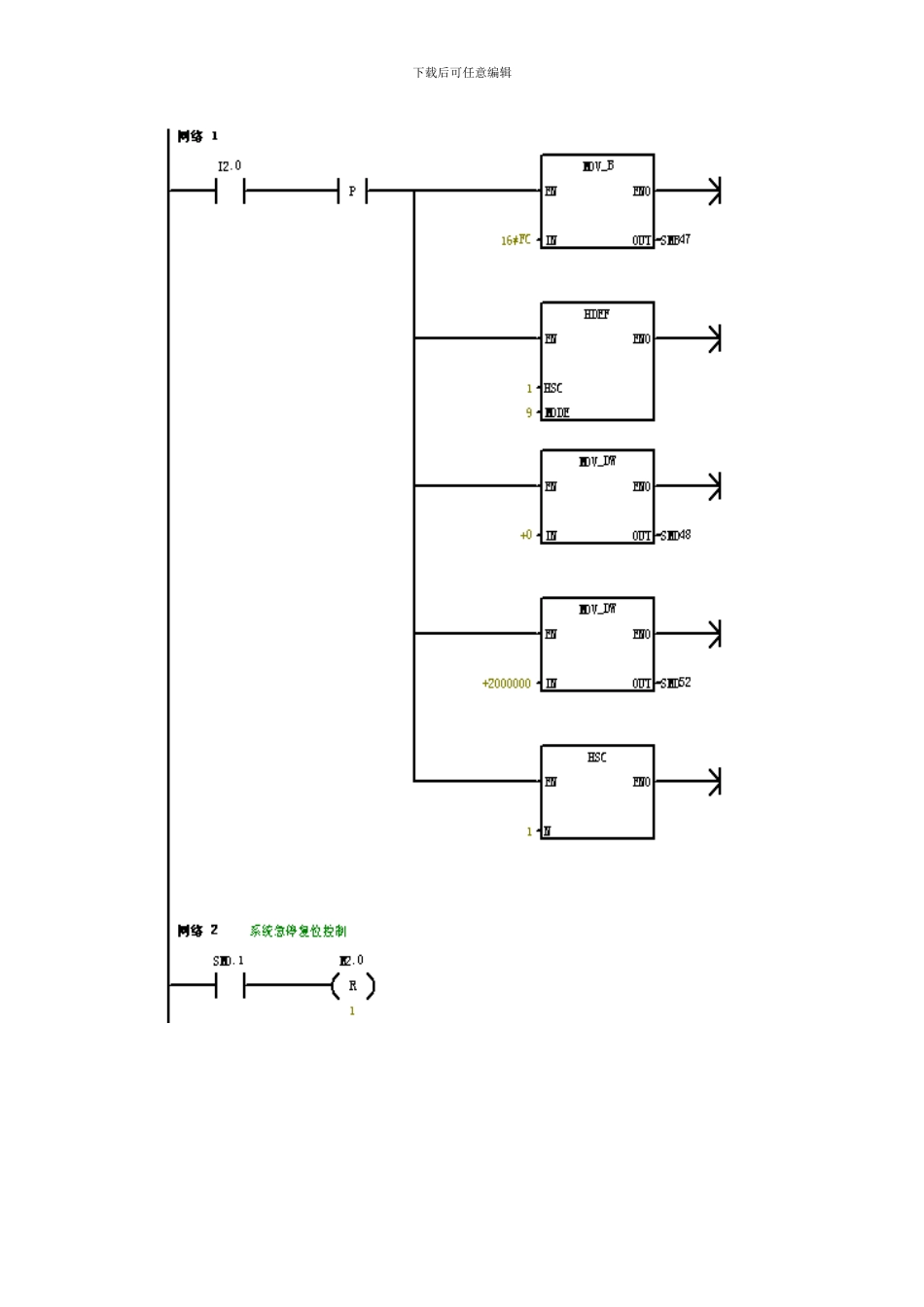
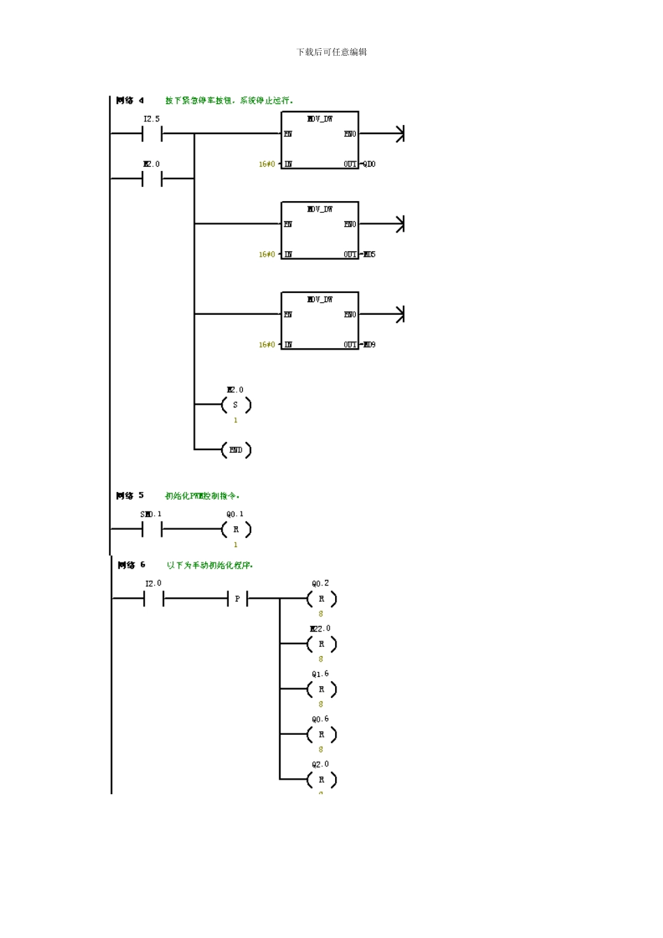
plc六层电梯梯形图完整截图

plc六层电梯梯形图完整截图_第1页
1/41
plc六层电梯梯形图完整截图_第2页
2/41
plc六层电梯梯形图完整截图_第3页
3/41
下载后可任意编辑下载后可任意编辑下载后可任意编辑下载后可任意编辑下载后可任意编辑下载后可任意编辑下载后可任意编辑下载后可任意编辑下载后可任意编辑下载后可任意编辑下载后可任意编辑下载后可任意编辑下载后可任意编辑下载后可任意编辑下载后可任意编辑下载后可任意编辑下载后可任意编辑下载后可任意编辑下载后可任意编辑下载后可任意编辑下载后可任意编辑下载后可任意编辑下载后可任意编辑下载后可任意编辑下载后可任意编辑下载后可任意编辑下载后可任意编辑下载后可任意编辑下载后可任意编辑下载后可任意编辑下载后可任意编辑下载后可任意编辑下载后可任意编辑下载后可任意编辑下载后可任意编辑下载后可任意编辑下载后可任意编辑下载后可任意编辑下载后可任意编辑下载后可任意编辑下载后可任意编辑

1、当您付费下载文档后,您只拥有了使用权限,并不意味着购买了版权,文档只能用于自身使用,不得用于其他商业用途(如 [转卖]进行直接盈利或[编辑后售卖]进行间接盈利)。
2、本站所有内容均由合作方或网友上传,本站不对文档的完整性、权威性及其观点立场正确性做任何保证或承诺!文档内容仅供研究参考,付费前请自行鉴别。
3、如文档内容存在违规,或者侵犯商业秘密、侵犯著作权等,请点击“违规举报”。

碎片内容

plc六层电梯梯形图完整截图

您可能关注的文档

雏圣文化+ 关注
实名认证
内容提供者

欢迎光临,大量办公文档供您挑选。

确认删除?
VIP
微信客服
  • 扫码咨询
会员Q群
  • 会员专属群点击这里加入QQ群
客服邮箱
回到顶部