电脑桌面
添加小米粒文库到电脑桌面
安装后可以在桌面快捷访问

plc如何控制伺服电机

plc如何控制伺服电机_第1页
1/2
plc如何控制伺服电机_第2页
2/2
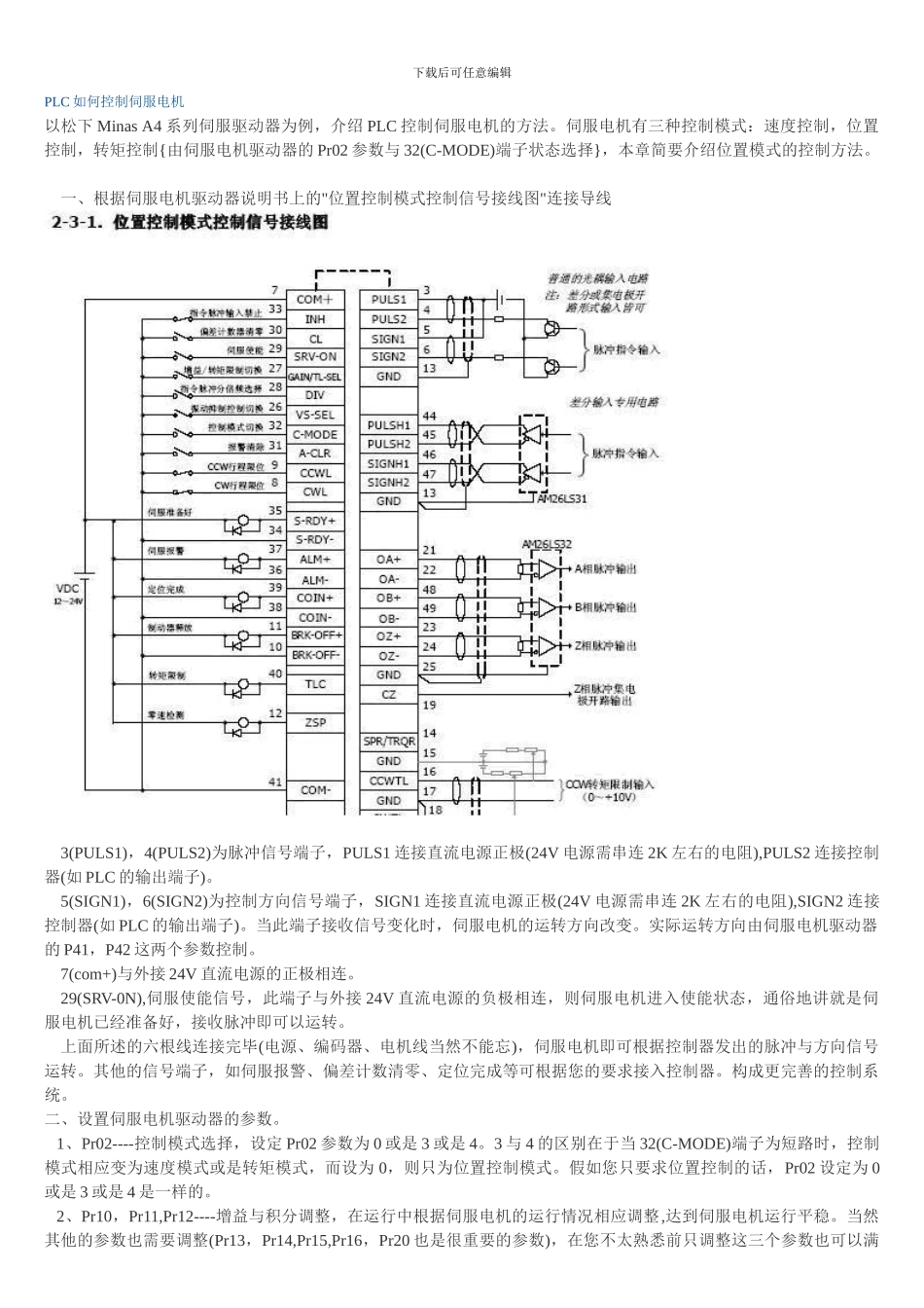
下载后可任意编辑PLC 如何控制伺服电机以松下 Minas A4 系列伺服驱动器为例,介绍 PLC 控制伺服电机的方法。伺服电机有三种控制模式:速度控制,位置控制,转矩控制{由伺服电机驱动器的 Pr02 参数与 32(C-MODE)端子状态选择},本章简要介绍位置模式的控制方法。 一、根据伺服电机驱动器说明书上的"位置控制模式控制信号接线图"连接导线 3(PULS1),4(PULS2)为脉冲信号端子,PULS1 连接直流电源正极(24V 电源需串连 2K 左右的电阻),PULS2 连接控制器(如 PLC 的输出端子)。 5(SIGN1),6(SIGN2)为控制方向信号端子,SIGN1 连接直流电源正极(24V 电源需串连 2K 左右的电阻),SIGN2 连接控制器(如 PLC 的输出端子)。当此端子接收信号变化时,伺服电机的运转方向改变。实际运转方向由伺服电机驱动器的 P41,P42 这两个参数控制。 7(com+)与外接 24V 直流电源的正极相连。 29(SRV-0N),伺服使能信号,此端子与外接 24V 直流电源的负极相连,则伺服电机进入使能状态,通俗地讲就是伺服电机已经准备好,接收脉冲即可以运转。 上面所述的六根线连接完毕(电源、编码器、电机线当然不能忘),伺服电机即可根据控制器发出的脉冲与方向信号运转。其他的信号端子,如伺服报警、偏差计数清零、定位完成等可根据您的要求接入控制器。构成更完善的控制系统。 二、设置伺服电机驱动器的参数。 1、Pr02----控制模式选择,设定 Pr02 参数为 0 或是 3 或是 4。3 与 4 的区别在于当 32(C-MODE)端子为短路时,控制模式相应变为速度模式或是转矩模式,而设为 0,则只为位置控制模式。假如您只要求位置控制的话,Pr02 设定为 0或是 3 或是 4 是一样的。 2、Pr10,Pr11,Pr12----增益与积分调整,在运行中根据伺服电机的运行情况相应调整,达到伺服电机运行平稳。当然其他的参数也需要调整(Pr13,Pr14,Pr15,Pr16,Pr20 也是很重要的参数),在您不太熟悉前只调整这三个参数也可以满下载后可任意编辑足基本的要求. 3 、 Pr40---- 指 令 脉 冲 输 入 选 择 , 默 认 为 光 耦 输 入 ( 设 为0) 即 可 。 也 就 是 选 择3(PULS1),4(PULS2),5(SIGN1),6(SIGN2)这四个端子输入脉冲与方向信号。 4、Pr41,Pr42----简单地说就是控制伺服电机运转方向。Pr41 设为 0 时,Pr42 设为 3,则 5(SIGN1),6(SIGN2)导通时为正方向(CCW),反之为反方向(CW)。Pr41 设为 1 时,Pr42 设为 3,则 5(SI...

1、当您付费下载文档后,您只拥有了使用权限,并不意味着购买了版权,文档只能用于自身使用,不得用于其他商业用途(如 [转卖]进行直接盈利或[编辑后售卖]进行间接盈利)。
2、本站所有内容均由合作方或网友上传,本站不对文档的完整性、权威性及其观点立场正确性做任何保证或承诺!文档内容仅供研究参考,付费前请自行鉴别。
3、如文档内容存在违规,或者侵犯商业秘密、侵犯著作权等,请点击“违规举报”。

碎片内容

plc如何控制伺服电机

您可能关注的文档

确认删除?
VIP
微信客服
  • 扫码咨询
会员Q群
  • 会员专属群点击这里加入QQ群
客服邮箱
回到顶部