电脑桌面
添加小米粒文库到电脑桌面
安装后可以在桌面快捷访问

机床铸件技术要求及验收

机床铸件技术要求及验收_第1页
1/16
机床铸件技术要求及验收_第2页
2/16
机床铸件技术要求及验收_第3页
3/16
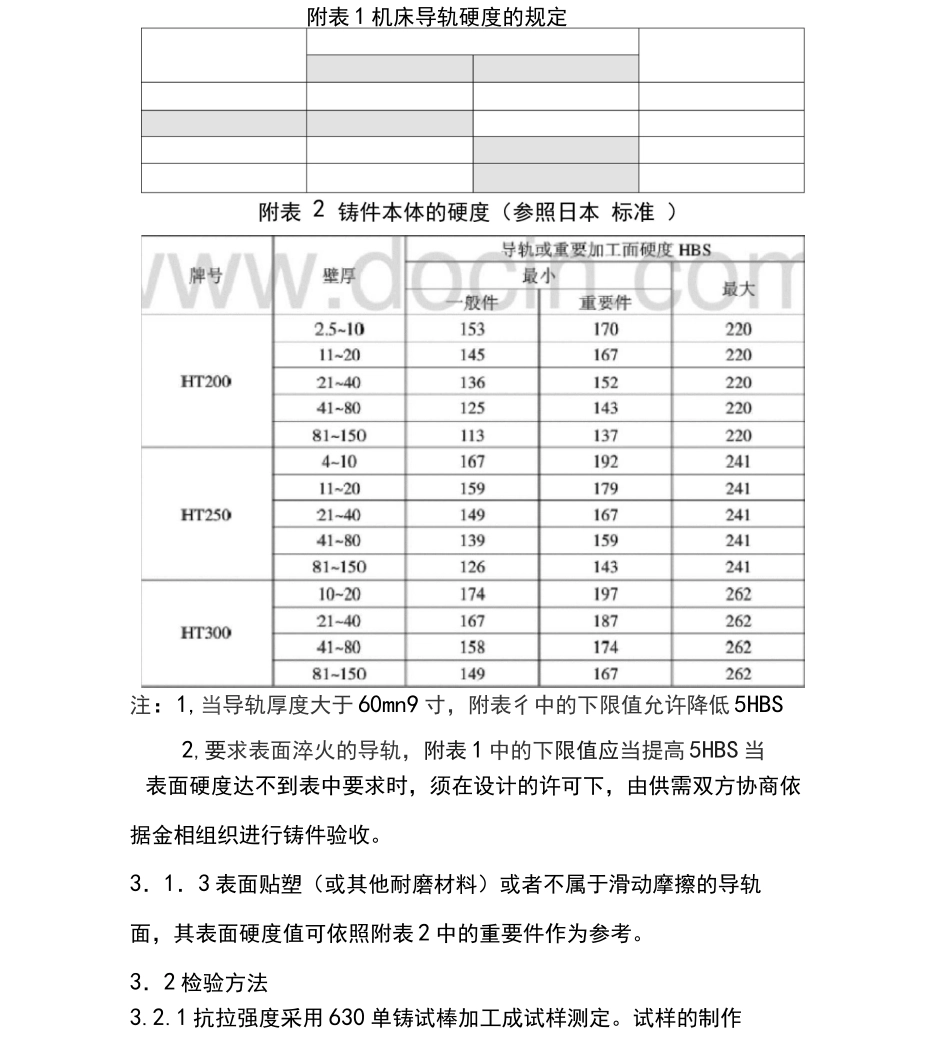
机床铸件技术要求及验收适用范围:本要求用于金属切削机床的床身(底座)、立柱、工作台、主轴箱、工件架、滑座、横梁、支架等灰铸铁铸件的验收和不合格品的处理规定。参考标准及文献:机械工程学会铸造分会《铸造手册》机械工业出版社2002GB/T9439-1988 灰铸铁牌号和力学性能GB/T6414-1999 铸件尺寸公差等级及加工余量GB/T6060.1-1997 铸造表面粗糙度JB/T3997-94 金属切削机床灰铸铁件技术条件JB/T7134.1-93 金属切削机床灰铸铁件疏松级别评定 JB/T7134.2-93金属切削机床灰铸铁件疏松级别比较样块 JB/GQ1082-86 机床灰铸铁件缺陷修补技术条件机械性能3.1 要求3.1.2 铸件的抗拉度强应合国符家标准 GB/9439-8 规定3.1.2 机床铸件须检验导轨面硬度 JB/T3997-1994 对机床灰铸铁件滑动导轨的工作面的硬度做了规定,可作为机床铸件导轨面硬度验收依据,如附表 1附表 1 机床导轨硬度的规定注:1,当导轨厚度大于 60mn9 寸,附表彳中的下限值允许降低 5HBS2,要求表面淬火的导轨,附表 1 中的下限值应当提高 5HBS 当表面硬度达不到表中要求时,须在设计的许可下,由供需双方协商依据金相组织进行铸件验收。3.1.3 表面贴塑(或其他耐磨材料)或者不属于滑动摩擦的导轨面,其表面硬度值可依照附表 2 中的重要件作为参考。3.2 检验方法3.2.1 抗拉强度采用 630 单铸试棒加工成试样测定。试样的制作和试验方法应符合 GB/9439-88 规定。3.2.2 硬度的测定直接在铸件导轨面上进行。导轨长度小于 2500 时测定应不少于三点,大于 2500 铸件重量大于 5 吨时应不少于四点。3.3 检验规则3.3.1 批量划分:根据 JB/T3997-94 规定,每包铁水浇注的铸件为一个批量,每批量铸件须提供一组试棒;如同一牌号铁水熔化量大,每包铁水均严格采用一定形式的工艺控制(光谱分析、热分析、及三角试样检验)时,可每炉次同牌号铁水浇一组试棒。每组试棒共四根(抗拉强度试验一根,金相组织化学成分分析一根,两根备用)。3.3.2 试验有效性抗拉强度试验有下列情况使得试验结果不符合要求时,则该试验无效,应重新试验A•试样在试验机上安装不当或试验机操作不当。B. 试样有铸造缺陷或试样切削加工不当。C. 试样断口在平行段外。D. 试样拉断后断口上有铸造缺陷。硬度试验有下列情况使得测试结果不符合要求时,该次测试无效,应重新测试。A. 硬度计操作不当。B. 铸件测定处有缺陷。3.4 检验结果的评定和复检 3.4.1 ...

1、当您付费下载文档后,您只拥有了使用权限,并不意味着购买了版权,文档只能用于自身使用,不得用于其他商业用途(如 [转卖]进行直接盈利或[编辑后售卖]进行间接盈利)。
2、本站所有内容均由合作方或网友上传,本站不对文档的完整性、权威性及其观点立场正确性做任何保证或承诺!文档内容仅供研究参考,付费前请自行鉴别。
3、如文档内容存在违规,或者侵犯商业秘密、侵犯著作权等,请点击“违规举报”。

碎片内容

机床铸件技术要求及验收

您可能关注的文档

确认删除?
VIP
微信客服
  • 扫码咨询
会员Q群
  • 会员专属群点击这里加入QQ群
客服邮箱
回到顶部