电脑桌面
添加小米粒文库到电脑桌面
安装后可以在桌面快捷访问

局部通风机选型

局部通风机选型_第1页
1/6
局部通风机选型_第2页
2/6
局部通风机选型_第3页
3/6
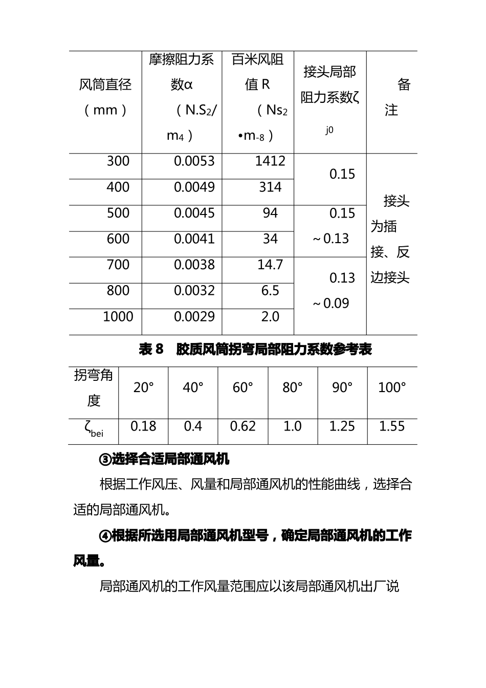
局部通风机选型①局部通风机工作风量计算Q 扇=Q 掘×P,m3/min=500 m3/min式中:Q 掘—局部通风机工作风量,m3/min;P—局部通风机供风巷道风筒漏风系数。如有实测百米漏风率 P100,按计算P=1/(1-nL 接)=1.39n—风筒接头数;L 接—一个接头漏风率,插接时 Li=0.01~0.02;罗圈反压边连接时,Li=0.002。②局部通风机工作风压计算根据掘进工作面设计长度、局部通风机需要工作风量、掘进工作面需要风量、风筒风阻,计算掘进工作面局部通风机工作风压值:hft =RpQ 扇 Q 掘, Pa…………………(29)式中:Rp—压入式风筒的总风阻,N.S2/m8 ;风筒风阻是由摩擦风阻、局部风阻组成,其大小取决于风筒的直径、接头方式、风筒总长度、风压、单节风筒长度、风筒的材质等,如有实测百米风阻值 R100,可按公式(30)计算,当无实测资料时,应按公式(31)计算或参考表 7 中的百米风阻值按公式(30)计算。hft—压入式局部通风机全风压,Pa;Rp=R100×(L/100),…………………(30)Rp=6.5α×L/(d5)+(n×ζj0+∑ζbei+ζin)×[ρ/(2s2)]…………(31)α—风筒摩擦阻力系数(无实测资料时可参用表7),N.S2/m4;L—风筒长度,m;d—风筒直径,m;ρ—空气密度,kg/m3;s—风筒断面积,m2;n—风筒接头个数;ζj0—风筒接头局部阻力系数(无实测资料时可参用表7);ζbei—风筒拐弯局部阻力系数(无实测资料时可参用表8);ζin—风筒入口局部阻力系数,当入口处完全修圆时,取ζin=0.1;不加修圆的直角入口时,取ζin=0.5~0.6。表 7胶质风筒α、ζj0 选用范围参考表摩擦阻力系风筒直径(mm)数α(N.S2/m4)30040050060070080010000.00530.00490.00450.00410.00380.00320.0029百米风阻值 R(Ns2•m-8)1412314943414.76.52.0接头局部阻力系数ζj0备注0.150.15~0.130.13~0.09接头为插接、反边接头表 8胶质风筒拐弯局部阻力系数参考表拐弯角度ζbei20°0.1840°0.460°0.6280°1.090°1.25100°1.55③选择合适局部通风机根据工作风压、风量和局部通风机的性能曲线,选择合适的局部通风机。④根据所选用局部通风机型号,确定局部通风机的工作风量。局部通风机的工作风量范围应以该局部通风机出厂说明书中提供的有效风量范围为准,各矿必须保存好局部通风机出厂说明书,以此为矿井配风计算和局部通风机选型的凭证,无此资料时,可参考表 9 选取。表 9部分局部通风机选型表建议 Q型号功率(KW)级数扇(m3/min)风压 Pa备...

1、当您付费下载文档后,您只拥有了使用权限,并不意味着购买了版权,文档只能用于自身使用,不得用于其他商业用途(如 [转卖]进行直接盈利或[编辑后售卖]进行间接盈利)。
2、本站所有内容均由合作方或网友上传,本站不对文档的完整性、权威性及其观点立场正确性做任何保证或承诺!文档内容仅供研究参考,付费前请自行鉴别。
3、如文档内容存在违规,或者侵犯商业秘密、侵犯著作权等,请点击“违规举报”。

碎片内容

局部通风机选型

确认删除?
VIP
微信客服
  • 扫码咨询
会员Q群
  • 会员专属群点击这里加入QQ群
客服邮箱
回到顶部