电脑桌面
添加小米粒文库到电脑桌面
安装后可以在桌面快捷访问

常见冲压件检验标准

常见冲压件检验标准_第1页
1/9
常见冲压件检验标准_第2页
2/9
常见冲压件检验标准_第3页
3/9
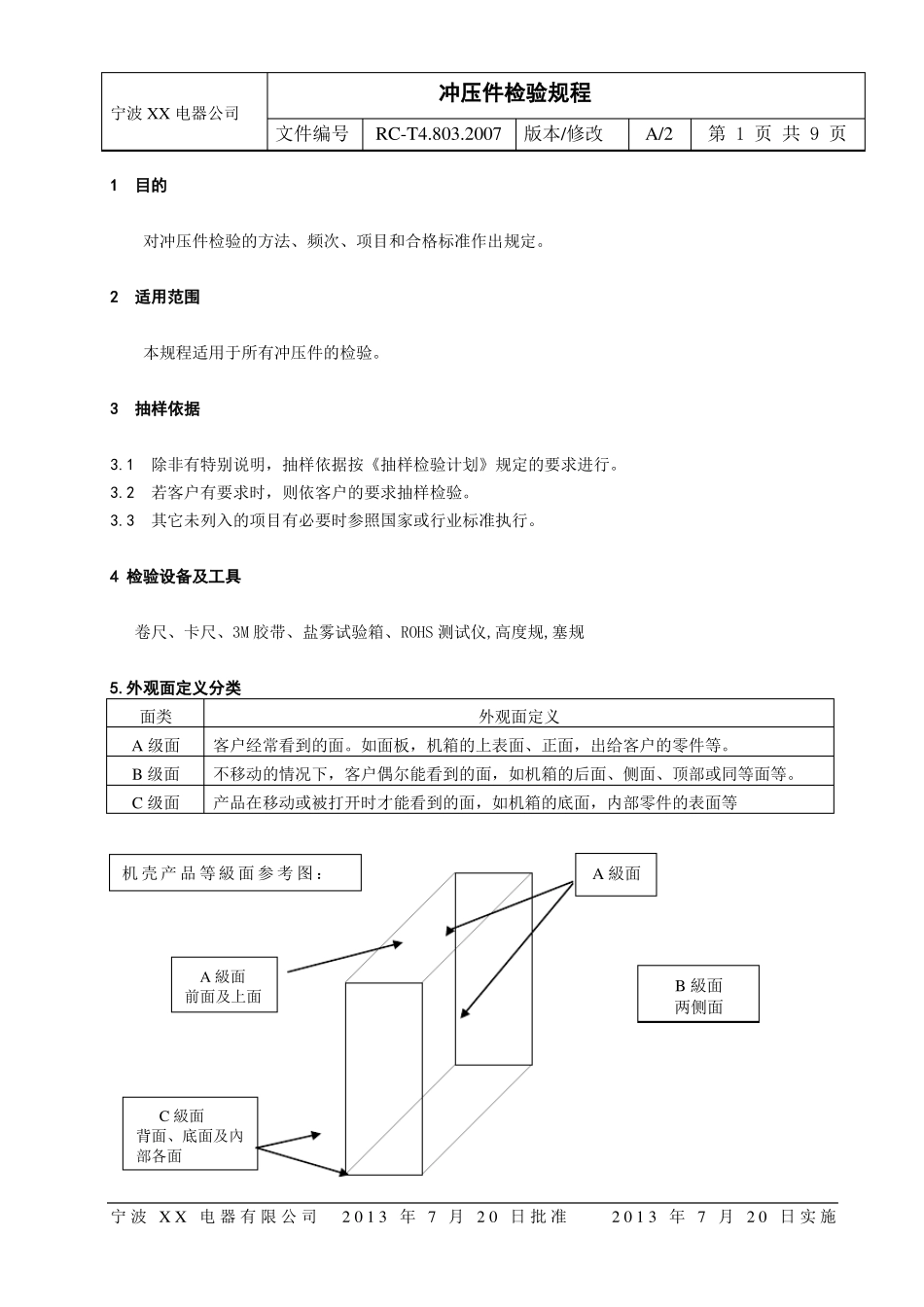
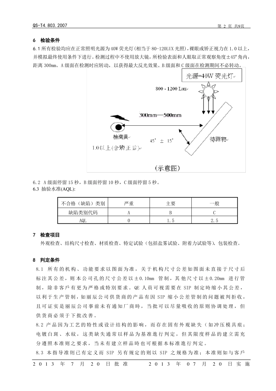
宁波 XX 电器公司冲压件检验规程文件编号RC-T4.803.2007版本/修改A/2第 1 页 共 9 页1目的对冲压件检验的方法、频次、项目和合格标准作出规定。2适用范围本规程适用于所有冲压件的检验。3抽样依据3.1除非有特别说明,抽样依据按《抽样检验计划》规定的要求进行。3.2若客户有要求时,则依客户的要求抽样检验。3.3其它未列入的项目有必要时参照国家或行业标准执行。4 检验设备及工具卷尺、卡尺、3M 胶带、盐雾试验箱、ROHS 测试仪,高度规,塞规5.外观面定义分类面类A 级面B 级面C 级面C 級面背面、底面及內部各面A 級面前面及上面外观面定义客户经常看到的面。如面板,机箱的上表面、正面,出给客户的零件等。不移动的情况下,客户偶尔能看到的面,如机箱的后面、侧面、顶部或同等面等。产品在移动或被打开时才能看到的面,如机箱的底面,内部零件的表面等机 壳 产 品 等 級 面 参 考 图 :A 級面B 級面两侧面宁 波 X X 电 器 有 限 公 司2 0 1 3 年 7 月 2 0 日 批 准2 0 1 3 年 7 月 2 0 日 实 施QS-T4.803.2007第 2 页 共9页6检验条件6.1 所有检验均应在正常照明光源为40W 荧光灯(相当于 80-120LUX 光照),裸眼或矫正视力在 1.0 以上,并模拟最终使用条件下进行。检测过程中不使用放大镜,所检验表面和人眼取正常观察角度±45º角内,距离 300mm。A 级面在检测时应转动,以获得最大反光效果。B 级面和 C 级面在检测期间不必转动。6.2 A 级面停留 15 秒,B 级面停留 10 秒,C 级面停留 5 秒。6.3 抽验水准(AQL):不合格(缺陷)类别缺陷类别代码AQL7检查项目外观检查、结构尺寸检查、材质检查、特定试验(包括盐雾试验、附着力试验等)、包装检查。8判定条件8.1所 有 的 机 构 、 功 能 要 求 以 图 面 为 准 , 关 于 机 构 尺 寸 公 差 如 图 面 未 直 接 于 尺 寸 后标 注 其 公 差 ,则 本 公 司 孔 的 尺 寸 公 差 以 ±0.10mm管 制 ,其 他 尺 寸 以 ±0.20mm进 行 管制 , 除 非 客 戶 有 更 为 严 格 或 特 別 要 求 。 QE 人 員 可 视 需 要 在 SIP 制 定 時 缩 小 其 公 差 ,以 利 于 生 产 管 制 ,如 丽 辰 公 司 供 货 商 的 产 品 有 因 SIP 缩 小 公 差 管 制 的 问 题 被 判 拒 收 ,且 可 证 实 是 丽...

1、当您付费下载文档后,您只拥有了使用权限,并不意味着购买了版权,文档只能用于自身使用,不得用于其他商业用途(如 [转卖]进行直接盈利或[编辑后售卖]进行间接盈利)。
2、本站所有内容均由合作方或网友上传,本站不对文档的完整性、权威性及其观点立场正确性做任何保证或承诺!文档内容仅供研究参考,付费前请自行鉴别。
3、如文档内容存在违规,或者侵犯商业秘密、侵犯著作权等,请点击“违规举报”。

碎片内容

常见冲压件检验标准

文库当当响+ 关注
实名认证
内容提供者

该用户很懒,什么也没介绍

相关文档

确认删除?
VIP
微信客服
  • 扫码咨询
会员Q群
  • 会员专属群点击这里加入QQ群
客服邮箱
回到顶部