电脑桌面
添加小米粒文库到电脑桌面
安装后可以在桌面快捷访问

基于PLC的温控系统设计与研究

基于PLC的温控系统设计与研究_第1页
1/5
基于PLC的温控系统设计与研究_第2页
2/5
基于PLC的温控系统设计与研究_第3页
3/5
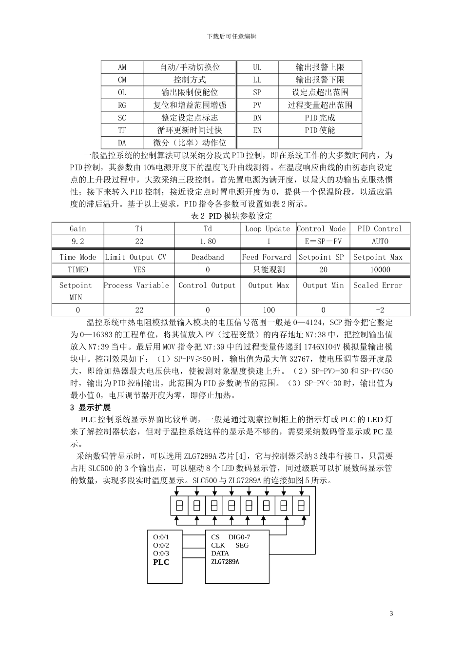
下载后可任意编辑基于 PLC 的温控系统设计与讨论Design and Research of Temperature Control System Based on PLC蔡军 曹慧英(重庆邮电大学,重庆 400065)Caijun Caohuiying (chong qing university of posts and telecommunication, 400065)摘 要 介绍了用罗克韦尔 PLC 设备构成温控系统的设计与讨论,讨论了 PLC 输入输出控制的外部接口及显示扩展的软硬件设计,并对 PLC 和 PC 的通信和数据技术进行了分析,给出了部分程序。关键词 PLC 温度控制 热电阻模块 通信Abstract: The design and research of temperature control system composed of SLC500 PLC are introduced. The external interfacing method of PLC and PC input and output as well as the design of hardware and software for display expansion are discussed. The communication between PLC and PC and the data processing technology are analyzed. Partial program is given.Keywords:PLC Temperature control Resistance thermometry module Communication0 引言随着电子技术的进展,可编程序控制器(PLC)已经由原来简单的逻辑量控制,逐步具有了计算机控制系统的功能。在现代工业控制中,PLC 占有了很重要的地位,它可以和计算机一起组成控制功能完善的控制系统。在许多行业的工业控制系统中,温度控制都是要解决的问题之一。如塑料挤出机大都采纳简单的温控仪表和温控电路进行控制,存在控制精度低、超调量大等缺点,很难生产出高质量的塑料制品[1]。在一些热处理行业都存在类似的问题。为此,设计了较为通用的温度控制系统,具体系统参数或部分器件可根据各行业的要求不同来进行调整。系统采纳罗克韦尔 SLC500 系列 PLC,通过 PLC 串口通信与计算机相连接,界面友好、运行稳定。1 系统构成基于 PLC 的温度控制系统一般有两种设计方案,一种是 PLC 扩展专用热电阻或热电偶温度模块构成,另一种是 PLC 扩展通用 A/D 转换模块来构成[2]。1.1 扩展热电阻/热电偶模块 在 SLC500 控制器扩展模块中,有集温度采集和数据处理于一身的专用智能温度模块—热电阻/电阻信号输入模块(1746-NR4)。在此模块中温度模拟量产生对应的 16 位 A/D 数字值,其对热电阻变送的温度信号的分辨率约为 1/8 度,控制器在数值处理中可以直接使用模块的...

1、当您付费下载文档后,您只拥有了使用权限,并不意味着购买了版权,文档只能用于自身使用,不得用于其他商业用途(如 [转卖]进行直接盈利或[编辑后售卖]进行间接盈利)。
2、本站所有内容均由合作方或网友上传,本站不对文档的完整性、权威性及其观点立场正确性做任何保证或承诺!文档内容仅供研究参考,付费前请自行鉴别。
3、如文档内容存在违规,或者侵犯商业秘密、侵犯著作权等,请点击“违规举报”。

碎片内容

基于PLC的温控系统设计与研究

确认删除?
VIP
微信客服
  • 扫码咨询
会员Q群
  • 会员专属群点击这里加入QQ群
客服邮箱
回到顶部