电脑桌面
添加小米粒文库到电脑桌面
安装后可以在桌面快捷访问

DZDBT多功能智能点灯单元

DZDBT多功能智能点灯单元_第1页
1/8
DZDBT多功能智能点灯单元_第2页
2/8
DZDBT多功能智能点灯单元_第3页
3/8
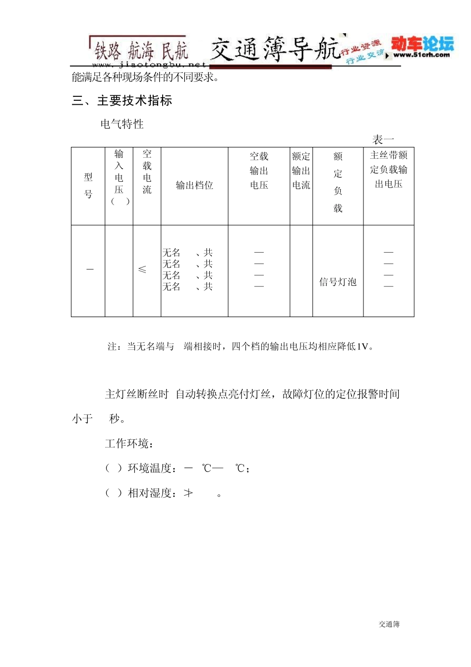
交通簿 DZD-BT 型多功能智能点灯单元 产 品 说 明 书 一.产品原理框架图 二.功能和特点 三.主要技术指标 四.安装方法 五.试验方法 西安信通博瑞特铁路信号有限公司 2009 交通簿 一、 产品原理框架图 二、功能和特点 1.DZD-BT型点灯单元是集交流点灯、灯丝转换、故障定位报警为一体的多功能智能点灯单元,适用于站内信号机。 2.具有灯丝断丝定位报警功能。在不增加不改动原有点灯及报警电路的前提下,利用原有两根报警线进行传输,在信号楼内进行解码,通过灯丝断丝定位显示器显示断丝灯位,最长传输距离可达 25公里以上。 3.一体化的结构设计。采用了插接式结构,安装、维修、更换非常方便。 4.防雷和抗冲击能力强。变压器采用高磁通材料定制的 45铁芯,对初、次级线包进行了特殊的隔离防护处理,能有效地抑制感应雷的冲击。 5.适用范围广。点灯单元适用范围为 7公里,室内输出为 220V时,可保证灯端电压为 10.2~11.4V。 6.输出电压可调节,灯端电压靠变压器抽头连接调整,可达8档输出, 交通簿 能满足各种现场条件的不同要求。 三、主要技术指标 1.电气特性 表一 型 号 输 入 电 压 (AC) V 空 载 电 流 (AC) mA 输出档位 空载 输出 电压 (AC) V 额定 输出 电流 (AC) A 额 定 负 载 主丝带额 定负载输 出电压 (AC) V DZD-BT 220 ≤18 无名-10、共-11 无名-10、共-12 无名-10、共-13 无名-10、共-14 12 .0— 13 .3 13 .9— 15 .5 15 .8— 17 .6 18 .7— 21 .0 2.1 TX12V-25W /12V-25WB 信号灯泡 10.9—12.1 12.5—13.8 13.9—15.5 16.2—18.0 注:当无名端与 9端相接时,四个档的输出电压均相应降低1V 。 2.主灯丝断丝时,自动转换点亮付灯丝,故障灯位的定位报警时间小于 15秒。 3.工作环境: (1)环境温度:-40℃—70℃; (2)相对湿度:≯90% 。 交通簿 四、安装方法 1.先将底座固定在机构或XB箱内(XB1可安装3台,XB2可安装5台),固定孔为:孔1、孔2、孔3、孔4。 底 座 2.按底座上的接线标注进行接线。其中: ① 电源端子是端子 1和端子 2,接信号点灯 AC220V; ② 公共端子是端子 3,接信号灯泡的公共端; ③ 主丝端子是端子 4,接信号灯泡的主灯丝端; 交通簿 ④ 付丝端子是端子 5,接信号灯泡的付灯丝端; ⑤ 端子 6、7、8为报警接点,接法如下图: 3.在主机顶盖上通过螺栓和连接片调...

1、当您付费下载文档后,您只拥有了使用权限,并不意味着购买了版权,文档只能用于自身使用,不得用于其他商业用途(如 [转卖]进行直接盈利或[编辑后售卖]进行间接盈利)。
2、本站所有内容均由合作方或网友上传,本站不对文档的完整性、权威性及其观点立场正确性做任何保证或承诺!文档内容仅供研究参考,付费前请自行鉴别。
3、如文档内容存在违规,或者侵犯商业秘密、侵犯著作权等,请点击“违规举报”。

碎片内容

DZDBT多功能智能点灯单元

小辰+ 关注
实名认证
内容提供者

出售各种文档和资料

确认删除?
VIP
微信客服
  • 扫码咨询
会员Q群
  • 会员专属群点击这里加入QQ群
客服邮箱
回到顶部