电脑桌面
添加小米粒文库到电脑桌面
安装后可以在桌面快捷访问

建筑物标高垂直度全高测量记录

建筑物标高垂直度全高测量记录_第1页
1/6
建筑物标高垂直度全高测量记录_第2页
2/6
建筑物标高垂直度全高测量记录_第3页
3/6
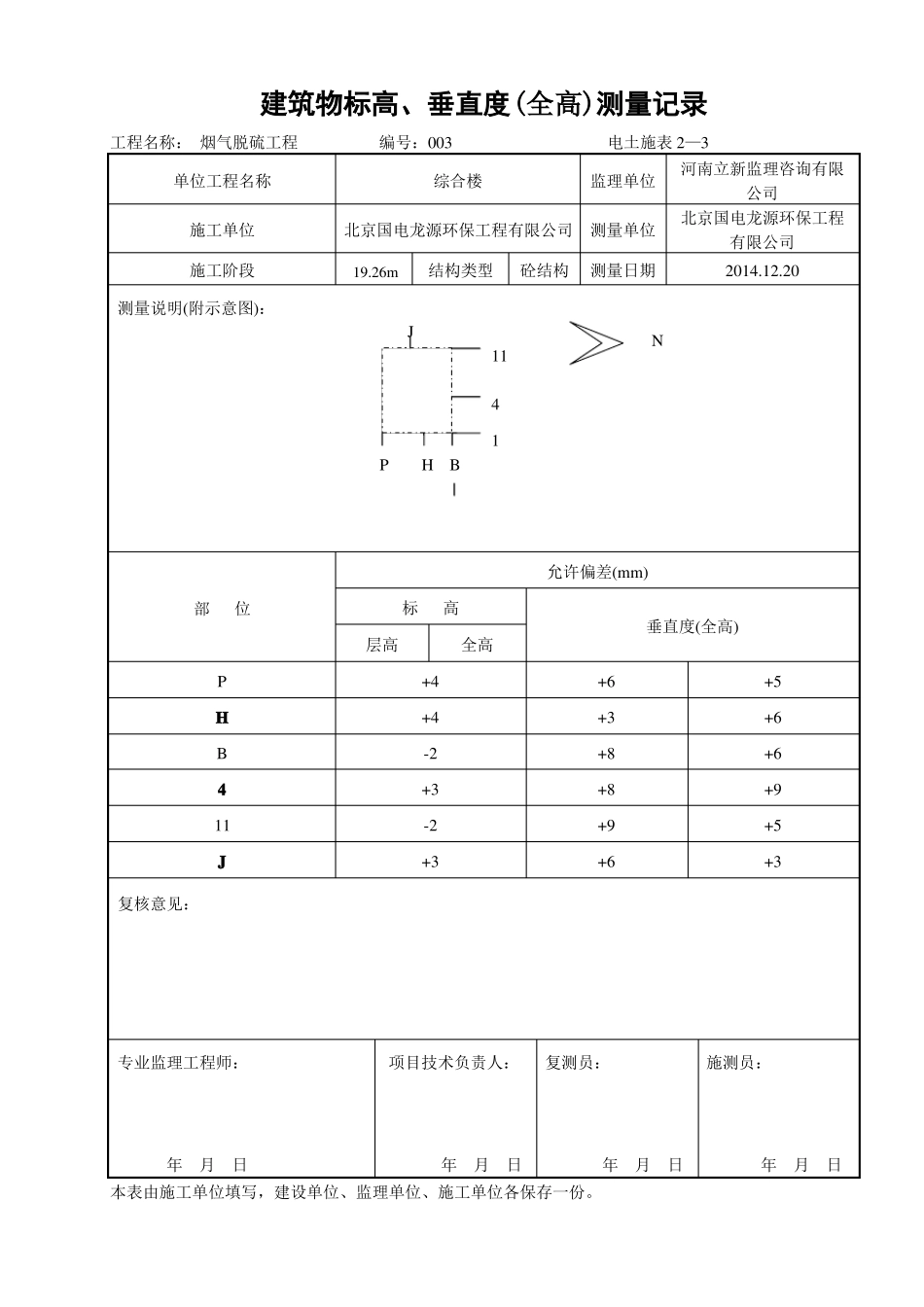
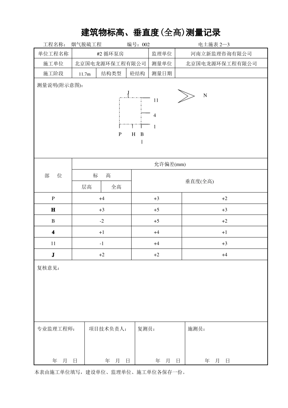
建筑物标高、垂直度(全高)测量记录工程名称: 烟气脱硫工程编号:001电土施表 2—3单位工程名称施工单位施工阶段测量说明(附示意图):J#1 循环泵房监理单位河南立新监理咨询有限公司北京国电龙源环保工程有限公司测量单位北京国电龙源环保工程有限公司11.7m结构类型砼结构测量日期1141PHBN允许偏差(mm)部位标高层高PHB411J复核意见:+3+2-1+3-2+3全高+8+3+3+3+3+3垂直度(全高)+8+3+5+2+3+2专业监理工程师:年月日项目技术负责人:复测员:年月日施测员:年月日年月日本表由施工单位填写,建设单位、监理单位、施工单位各保存一份。建筑物标高、垂直度(全高)测量记录工程名称: 烟气脱硫工程编号:002电土施表 2—3单位工程名称施工单位施工阶段#2 循环泵房监理单位河南立新监理咨询有限公司北京国电龙源环保工程有限公司北京国电龙源环保工程有限公司测量单位11.7m结构类型砼结构测量日期测量说明(附示意图):J1141PHBN允许偏差(mm)部位标高层高PHB411J复核意见:+4+3-2+1-1+2全高+3+5+5+4+4+2垂直度(全高)+2+3+2+1+3+4专业监理工程师:年月日项目技术负责人:复测员:年月日施测员:年月日年月日本表由施工单位填写,建设单位、监理单位、施工单位各保存一份。建筑物标高、垂直度(全高)测量记录工程名称: 烟气脱硫工程编号:003电土施表 2—3单位工程名称施工单位施工阶段测量说明(附示意图):J综合楼监理单位河南立新监理咨询有限公司北京国电龙源环保工程有限公司2014.12.20北京国电龙源环保工程有限公司测量单位19.26m结构类型砼结构测量日期1141PHBN允许偏差(mm)部位标高层高PHB411J复核意见:+4+4-2+3-2+3全高+6+3+8+8+9+6垂直度(全高)+5+6+6+9+5+3专业监理工程师:年月日项目技术负责人:复测员:年月日施测员:年月日年月日本表由施工单位填写,建设单位、监理单位、施工单位各保存一份。建筑物标高、垂直度(全高)测量记录工程名称: 烟气脱硫工程编号:003电土施表 2—3单位工程名称施工单位施工阶段测量说明(附示意图):J废水处理车间监理单位河南立新监理咨询有限公司北京国电龙源环保工程有限公司北京国电龙源环保工程有限公司测量单位12.2m结构类型砼结构测量日期1141PHBN允许偏差(mm)部位标高层高PHB411J复核意见:+2+3-1+2+2+2全高+5+5+7+5+5+8垂直度(全高)+6+8+7+7+6+6专业监理工程师:项目技术负责人:复测员:年月日施测员:年月日年月日年月日本表由施工单位填写,建设单位、监理单位、施工单位各保存一份。建筑物标...

1、当您付费下载文档后,您只拥有了使用权限,并不意味着购买了版权,文档只能用于自身使用,不得用于其他商业用途(如 [转卖]进行直接盈利或[编辑后售卖]进行间接盈利)。
2、本站所有内容均由合作方或网友上传,本站不对文档的完整性、权威性及其观点立场正确性做任何保证或承诺!文档内容仅供研究参考,付费前请自行鉴别。
3、如文档内容存在违规,或者侵犯商业秘密、侵犯著作权等,请点击“违规举报”。

碎片内容

建筑物标高垂直度全高测量记录

您可能关注的文档

确认删除?
VIP
微信客服
  • 扫码咨询
会员Q群
  • 会员专属群点击这里加入QQ群
客服邮箱
回到顶部