电脑桌面
添加小米粒文库到电脑桌面
安装后可以在桌面快捷访问

GB501562002汽车加油加气站设计与施工规范

GB501562002汽车加油加气站设计与施工规范_第1页
1/11
GB501562002汽车加油加气站设计与施工规范_第2页
2/11
GB501562002汽车加油加气站设计与施工规范_第3页
3/11
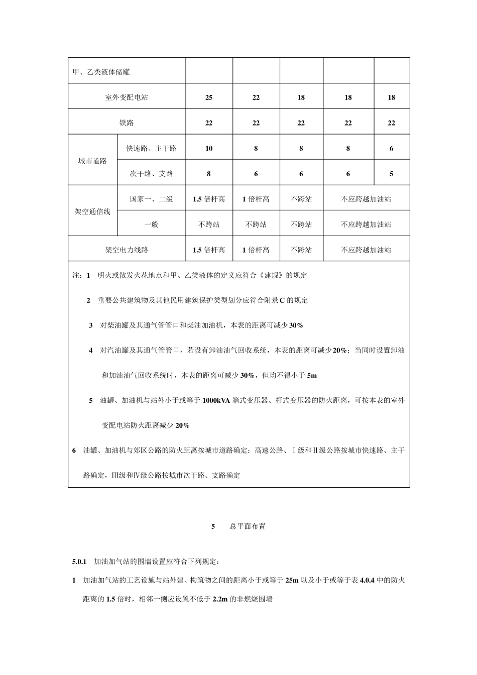
GB50156-2002 汽车加油加气站设计与施工规范 发表日期: 2006 年5 月29 日 目 次 2 术 语…………………………………………………………………(3) 3 一般规定…………………………………………………………………(3) 4 站址选择…………………………………………………………………(3) 5 总平面布置………………………………………………………………(4) 6 加油工艺及设施…………………………………………………………(5) 9 消防设施及排水…………………………………………………………(6) 10 电气装置……………………………………………………………… (7) 11 采暖通风、建筑物、绿化…………………………………………… (7) 附录 A 计算间距的起讫点……………………………………………… (8) 附录 C 民用建筑物保护类别划分……………………………………… (8) 2 术 语 2.0.1 加油加气站:加油站、液化石油气加气站、压缩天然气加气站、加油加气合建站的统称 2.0.2 加油站:为汽车油箱充装汽油、柴油的专门场所 2.0.7 站房:用于加油加气站管理和经营的建筑物 2.0.8 加油岛:用于安装加油机的平台 2.0.10 埋地油罐:采用直接覆土或罐池充沙(细土)方式埋设在地下,且罐内最高液面低于罐外 4m 范围内地面的最低标高0.2m 的卧式油口储罐 2.0.12 密闭卸油点:埋地油罐以密闭方式接卸汽车油罐车所载油品的固定接头处 2.0.13 卸油油气回收系统:将汽油油罐车卸油时产生的油气回收至油罐车的密闭油气回收系统 2.0.14 加油油气回收系统:将给汽油车辆加油时产生的油气回收到埋地汽油罐的密闭油气回收系统 3 一 般 规 定 3.0.3 加油站的等级划分,应符合表3.0.3 的规定: 表3.0.3 加油站的等级划分 级 别 油罐容积(m 3) 总容积 单罐容积 一级 120<V<﹦180 V<﹦50 二级 60<V<﹦120 V<﹦50 三级 V<﹦60 V<﹦30 注:V 为油罐总容积;柴油罐容积可折半计入油罐总容积 4 站 址 选 择 4.0.2 在城市建成区内不应建一级加油站 4.0.4 加油站的油罐、加油机和通气管管口与站外建、构筑物的防火距离,不应小于表 4.0.4 的规定: 表 4.0.4 油罐、加油机和通气管管口与站外建、构筑物的防火间距(m) 级 别 项 目 埋地油罐 通气管管口 加油机 一级站 二级站 三级站 重要公共建筑物 50 50 50 50 50 明火或散...

1、当您付费下载文档后,您只拥有了使用权限,并不意味着购买了版权,文档只能用于自身使用,不得用于其他商业用途(如 [转卖]进行直接盈利或[编辑后售卖]进行间接盈利)。
2、本站所有内容均由合作方或网友上传,本站不对文档的完整性、权威性及其观点立场正确性做任何保证或承诺!文档内容仅供研究参考,付费前请自行鉴别。
3、如文档内容存在违规,或者侵犯商业秘密、侵犯著作权等,请点击“违规举报”。

碎片内容

GB501562002汽车加油加气站设计与施工规范

确认删除?
VIP
微信客服
  • 扫码咨询
会员Q群
  • 会员专属群点击这里加入QQ群
客服邮箱
回到顶部